Operation CHARM: Car repair manuals for everyone.
Manuals through 2025 now available!

Our trusted friends have launched a new website named LEMON, which has newer manuals. It also contains all the CHARM manuals.

LEMON is the spiritual successor to CHARM, I recommend you try it!

Link: lemon-manuals.la or lemon-manuals.org.ua

(Some people have issue connecting. LEMON is investigating. For now, use Firefox or change your DNS server)

Or, hide this message: temporarily or permanently

Condenser HVAC: Service and Repair













REMOVAL PROCEDURE

CAUTION: Refer to Battery Disconnect Caution in Service Precautions.

1. Disconnect the negative battery cable from the battery.

2. Recover the refrigerant from the A/C system. Refer to Refrigerant Recovery.

3. Disconnect the evaporator tube at the condenser. Cap or plug the evaporator tube immediately.

4. Raise and support the vehicle.

5. Remove the fasteners retaining the radiator support to front fascia.

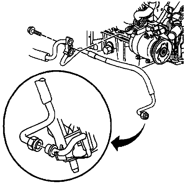
6. Disconnect the compressor hose from the condenser. Cap or plug the compressor hose immediately.

7. Lower the vehicle.

8. Disconnect the MAF wiring connector.

9. Remove the air intake duct assembly.

10. Remove the upper radiator support.

11. Remove the radiator support.

12. Remove the A/C condenser from the retaining clips on the radiator.

INSTALLATION PROCEDURE

1. Install the A/C condenser into the retaining clips on the radiator.

2. Install the radiator support.

3. Install the upper radiator support.

4. Remove the caps or plugs from the evaporator hose and the condenser and connect the tube onto the condenser.

- Coat all the new O-rings with clean 525 refrigerant oil prior to assembly.

- Tighten the evaporator hose bolt to the condenser to 27 N.m (20 lb. ft).

NOTICE: Refer to Fastener Notice in Service Precautions.

5. Install the air intake duct assembly.

6. Connect the MAF wiring connector.

7. Raise and support the vehicle.

8. Install the fasteners that retain the radiator support to the front fascia.

9. Remove the caps or plugs from the compressor hose and the condenser and connect the hose to the condenser.

- Coat all the new O-rings with clean 525 refrigerant oil prior to assembly.

- Tighten the compressor hose to the condenser to 24 N.m (18 lb. ft).

10. Lower the vehicle.

CAUTION: Refer to Battery Disconnect Caution In Service Precautions.

11. Connect the negative battery cable.

12. Evacuate and charge the air conditioning system. Refer to Evacuation and A/C Charging Using ACR4.