Operation CHARM: Car repair manuals for everyone.
Manuals through 2025 now available!

Our trusted friends have launched a new website named LEMON, which has newer manuals. It also contains all the CHARM manuals.

LEMON is the spiritual successor to CHARM, I recommend you try it!

Link: lemon-manuals.la or lemon-manuals.org.ua

(Some people have issue connecting. LEMON is investigating. For now, use Firefox or change your DNS server)

Or, hide this message: temporarily or permanently

Air Flow Meter/Sensor: Service and Repair

REMOVAL PROCEDURE

IMPORTANT: Take care when handling the MAF. Do not dent, puncture, or otherwise damage the Honeycell located at the air inlet end of the MAF. Do not touch the sensing elements or allow anything including cleaning solvents and lubricants to come in contact with them. Use a small amount of a non-silicone based lubricant on the air duct only, to aid in installation. Do not drop or roughly handle the MAF.




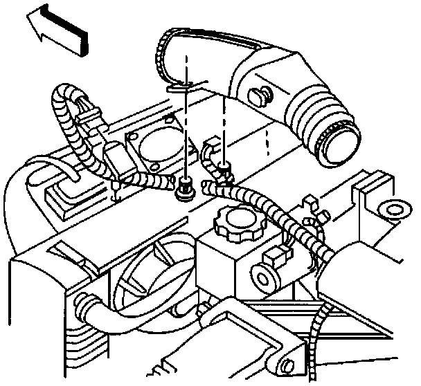
1. Disconnect the MAF sensor electrical connector and the IAT sensor electrical connector.

Description:




2. Remove the air intake duct clamps at the MAF sensor and at the throttle body.
3. Remove the air intake duct.
4. Remove the air intake duct clamp at the air cleaner housing.

Description:




5. Remove the MAF sensor.

INSTALLATION PROCEDURE

IMPORTANT: Embossed arrows on the MAP sensor indicate the proper air flow direction. The arrows must point toward the engine.

1. Install the MAF sensor into the air intake duct at the air cleaner housing.
2. Install the new clamp using special tool J 22610.
3. Install the air intake duct to the MAF sensor and the throttle body.
4. Install the clamps.
5. Connect the electrical connectors.