Operation CHARM: Car repair manuals for everyone.
Manuals through 2025 now available!

Our trusted friends have launched a new website named LEMON, which has newer manuals. It also contains all the CHARM manuals.

LEMON is the spiritual successor to CHARM, I recommend you try it!

Link: lemon-manuals.la or lemon-manuals.org.ua

(Some people have issue connecting. LEMON is investigating. For now, use Firefox or change your DNS server)

Or, hide this message: temporarily or permanently

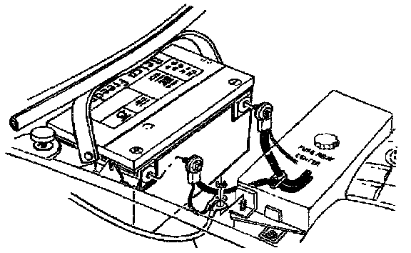
Battery Replacement

REMOVAL PROCEDURE

Battery: Removal Procedure:




1. Disconnect the negative battery cable.
2. Disconnect the positive battery cable.

Battery: Removal Procedure:




3. Remove the battery hold down retainer bolt.
4. Remove the battery retainer.
5. Remove the battery with the insulator from the tray.

INSTALLATION PROCEDURE

Battery: Removal Procedure:




1. Clean the battery hold down retainer.
2. Inspect that the retainer is in sound condition.
3. Install the battery with the insulator into the tray.
4. Install the battery retainer.
5. Install the retainer bolt.
Tighten
Tighten the bolt to 18 N.m (13 Lb ft).

Battery: Removal Procedure:




6. Connect the positive battery cable.
Tighten
Tighten the positive battery cable bolt to 15 N.m (11 Lb ft).

7. Connect the negative battery cable.
Tighten
Tighten the negative battery cable bolt to 15 N.m (11 lb ft).