Operation CHARM: Car repair manuals for everyone.
Manuals through 2025 now available!

Our trusted friends have launched a new website named LEMON, which has newer manuals. It also contains all the CHARM manuals.

LEMON is the spiritual successor to CHARM, I recommend you try it!

Link: lemon-manuals.la or lemon-manuals.org.ua

(Some people have issue connecting. LEMON is investigating. For now, use Firefox or change your DNS server)

Or, hide this message: temporarily or permanently

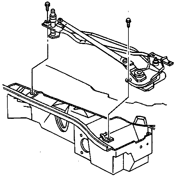
Wiper Motor Module Replacement

REMOVAL PROCEDURE

Wiper Motor Module Replacement: Removal Procedure:




CAUTION: Refer to Battery Disconnect Caution in General information.

1. Disconnect the negative battery cable.
2. Move the wiper arms until the wiper arms are in the mid-wipe position.
3. Remove the wiper arm and blade assemblies.
4. Remove the air inlet screen.

Wiper Motor Module Replacement: Removal Procedure:




5. Remove the wiper motor module mounting bolts.
6. Disconnect the wiper motor electrical connector.

Wiper Motor Crank Arm Replacement: Installation Procedure:




7. Remove the wiper motor module from the vehicle.

INSTALLATION PROCEDURE

Wiper Motor Module Replacement: Removal Procedure:




1. If the wiper motor module is a replacement (new) module, move the wiper linkage until the wiper linkage is in the mid-wipe position.
2. Place the wiper motor module into the vehicle.
3. Connect the wiper motor module electrical connector.

Wiper Motor Module Replacement: Removal Procedure:




4. Install the wiper motor module mounting bolts.

Tighten
Tighten the wiper motor module mounting bolts to 10 N.m (89 ft in).

NOTE: Refer to Fastener Notice in General Information.

Wiper Motor Module Replacement: Removal Procedure:




5. Install the air inlet screen onto the vehicle.

CAUTION: Refer to Battery Disconnect Caution in General Information.

6. Connect the negative battery cable.
7. Turn the ignition switch to the RUN position, place the wiper switch in the lowest INT (delay) position. When the motor reaches the inner-wipe position, turn the ignition switch OFF.
8. Install the wiper arm and blade assemblies on to the vehicle.