Operation CHARM: Car repair manuals for everyone.
Manuals through 2025 now available!

Our trusted friends have launched a new website named LEMON, which has newer manuals. It also contains all the CHARM manuals.

LEMON is the spiritual successor to CHARM, I recommend you try it!

Link: lemon-manuals.la or lemon-manuals.org.ua

(Some people have issue connecting. LEMON is investigating. For now, use Firefox or change your DNS server)

Or, hide this message: temporarily or permanently

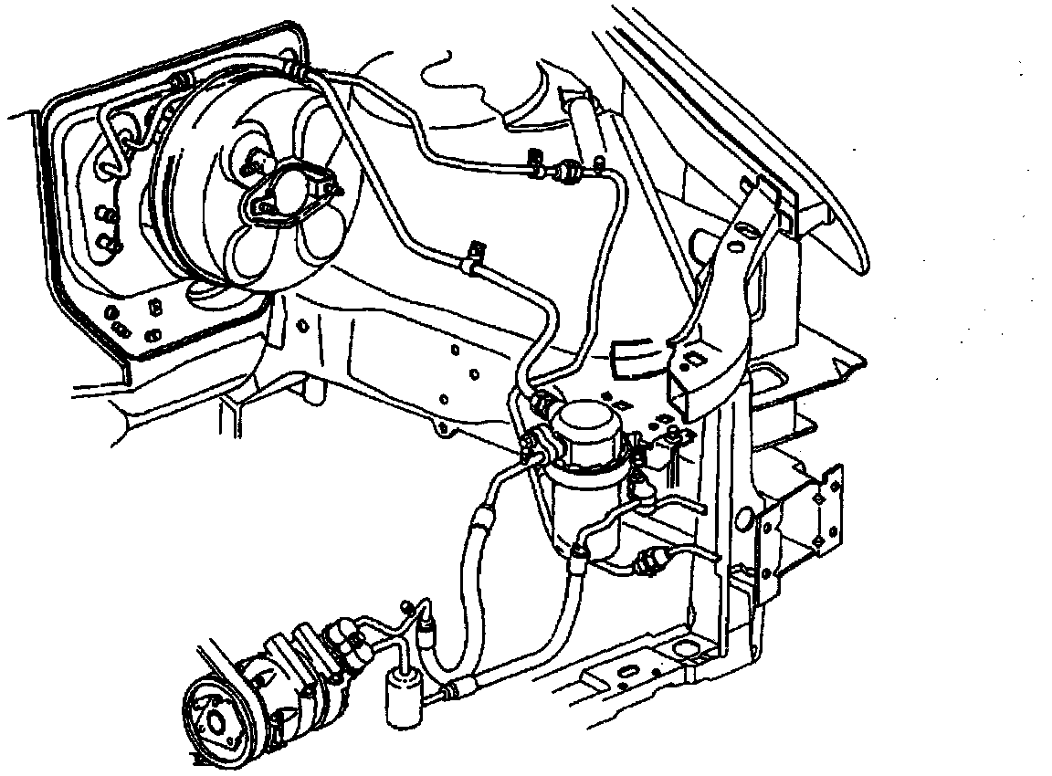
Expansion Block/Orifice Tube: Service and Repair

Refrigerant Lines And Routing:









Remove or Disconnect

1. Air cleaner and duct assembly.
2. Recover refrigerant. Refer to "Refrigerant Recovery and Recycling, Adding Oil, Evacuating and Recharging Procedures".
3. Liquid line fitting at orifice.
4. Carefully remove orifice with needle-nosed pliers.

Important
^ In the event that difficulty is encountered during the removal of a restricted or plugged expansion (orifice) tube, the following procedure is recommended:

1. Remove as much of any impacted residues as possible.
2. Carefully apply heat with heat gun (hair drier, epoxy drier or equivalent) approximately 1/4 inch from dimples on inlet pipe. Do not overheat pipe.

NOTICE: If the system has a pressure switch near the orifice tube location, it should be removed prior to heating the pipe to avoid damage to switch.

3. While applying heat, use needle-nosed pliers to grip the orifice tube. Use a turning motion along with a push-pull motion to loosen the impacted orifice tube and remove it.
4. Swab inside of evaporator inlet pipe with R-11.
5. Lubricate new orifice tube and O-ring with mineral base 525 viscosity refrigerant oil and insert into inlet pipe. Install in proper direction (smaller screen first).

Install or Connect

1. New orifice tube with shorter screen end in first.
2. Liquid line fitting at orifice.

Tighten
^ Fitting to 27 N.m (20 lb. ft.).

3. Evacuate, charge and leak test system. Refer to "Refrigerant Recovery and Recycling, Adding Oil, Evacuating and Recharging Procedures".
4. Air cleaner and duct assembly.