Operation CHARM: Car repair manuals for everyone.
Manuals through 2025 now available!

Our trusted friends have launched a new website named LEMON, which has newer manuals. It also contains all the CHARM manuals.

LEMON is the spiritual successor to CHARM, I recommend you try it!

Link: lemon-manuals.la or lemon-manuals.org.ua

(Some people have issue connecting. LEMON is investigating. For now, use Firefox or change your DNS server)

Or, hide this message: temporarily or permanently

Powertrain Control Module (PCM) Replacement/Programming






CAUTION: In order to prevent possible electrostatic discharge damage to the PCM, do not touch the connector pins or soldered components on the circuit board.

Service of the PCM should normally consist of either replacement of the PCM or EEPROM programming. If the diagnostic procedures call for PCM Replacement, check the PCM first to see if it is the correct part. If the PCM is faulty, remove it and install the new service PCM.

The new service PCM will not be programmed. You must program the new PCM. DTC P0602 indicates the EEPROM is not programmed or has malfunctioned.

CAUTION: Turn the ignition OFF when installing or removing the PCM connectors and disconnecting or reconnecting the power to the PCM (battery cable, PCM pigtail, PCM fuse, jumper cables, etc.) in order to prevent internal PCM damage.

NOTE: When replacing the production PCM with a service PCM (controller), it is important to transfer the broadcast code and production PCM number to the service PCM label. Do not record on PCM cover. This will allow positive identification of PCM pans throughout the service life of the vehicle.

CAUTION: Turn the ignition OFF when installing or removing the PCM connectors and disconnecting or reconnecting the power to the PCM (battery cable, PCM pigtail, PCM fuse, jumper cables, etc.) in order to prevent internal PCM damage.

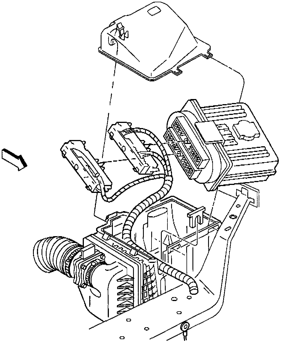
Removal Procedure
1. Disconnect the negative battery cable.
2. Remove the coolant reservoir
3. Remove the SMCC module from the SMCC module bracket.
4. Remove the SMCC module bracket.
5. Remove the left front strut brace.
6. Remove the PCM cover from the air cleaner housing.
7. Remove the PCM from the air cleaner housing.
8. If the PCM is being replaced, remove the KS module for installation in the new PCM.

Installation Procedure
1. If a new PCM is being installed, install the KS module from the original PCM.
2. Install the PCM into the air cleaner housing.
3. Install the PCM cover to the air cleaner housing.
4. Install the left front strut brace.
5. Install the SMCC module bracket.
6. Install the SMCC module to the SMCC module bracket.
7. Install the coolant reservoir.
^ Be sure to check coolant system for proper level.
8. Install the negative battery cable.
9. If a new PCM is being installed, program the EEPROM.
10. The PCM will need to learn the crankshaft variation. Refer to PCM Replacement/Programming.

EEPROM Programming
1. Set-up - Ensure that the following conditions have been met:
^ The battery is fully charged and battery charger is not connected.
^ The ignition is on.
^ The Techline equipment cable connection at the DLC is secure.
2. Program the PCM using the latest software matching the vehicle. Refer to up-to-date Techline equipment users instructions.
3. If the PCM fails to program, proceed as follows:
^ Ensure that all PCM connections are OK.
^ Check the Techline equipment for the latest software version.
^ Attempt to program the PCM. If the PCM still cannot be programmed properly, replace the PCM. You must program the replacement PCM.

Functional Check
1. Perform the Powertrain OBD System Check. Testing and Inspection
2. Start the engine and the engine run for one minute.
3. Use the scan tool in order to scan for the DTCs.
4. If DTC P0325 sets, the KS module is not fully seated, is missing, or is malfunctioning.