Operation CHARM: Car repair manuals for everyone.
Manuals through 2025 now available!

Our trusted friends have launched a new website named LEMON, which has newer manuals. It also contains all the CHARM manuals.

LEMON is the spiritual successor to CHARM, I recommend you try it!

Link: lemon-manuals.la or lemon-manuals.org.ua

(Some people have issue connecting. LEMON is investigating. For now, use Firefox or change your DNS server)

Or, hide this message: temporarily or permanently

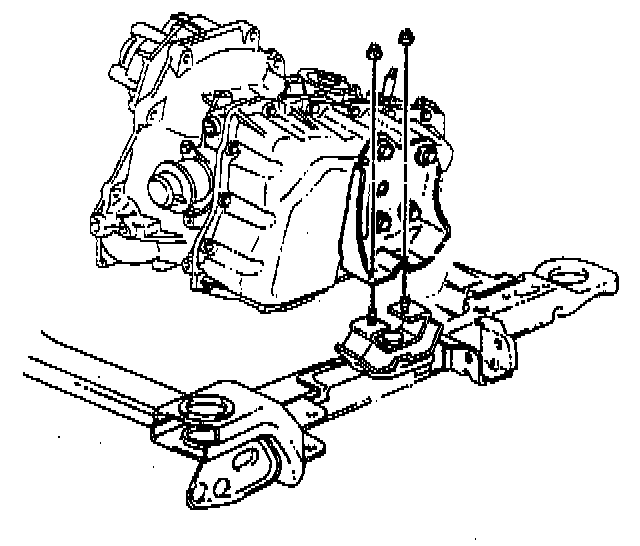
Transaxle Bracket












REMOVE OR DISCONNECT
1. Raise and suitably support the vehicle.
2. Left front tire and wheel.
3. Left engine splash shield.
4. Suitably support transaxle with floor stands.
5. Transaxle bracket to transaxle mount nuts.
6. Transaxle bracket to transaxle bolts/screws.
7. Transaxle bracket.

INSTALL OR CONNECT

NOTICE: Always use the correct fastener in the proper location. When you replace a fastener, use ONLY the exact part number for that application. The manufacturer will call out those fasteners that require a replacement after removal. The manufacturer will also call out the fasteners that require thread lockers or thread sealant. UNLESS OTHERWISE SPECIFIED, do not use supplemental coatings (paints, greases, or other corrosion inhibitors) on threaded fasteners or fastener joint interlaces. Generally, such coatings adversely affect the fastener torque and the joint clamping force, and may damage the fastener. When you install fasteners, use the correct tightening sequence and specifications. Following these instructions can help you avoid damage to parts and systems.

1. Position transaxle bracket to transaxle.
2. Hand start transaxle bracket-to-transaxle bolts/screws.
3. Transaxle bracket bolts/screws.
- Tighten bolts/screws to 95 Nm (70 ft. lbs.) starting with forward lower bolt/screw and working clockwise.
4. Remove support from transaxle.
5. Transaxle bracket to transaxle mount nuts.
- Tighten nuts to 47 Nm (35 ft. lbs.).
6. Left engine splash shield.
7. Left front tire and wheel.
8. Lower vehicle.