Operation CHARM: Car repair manuals for everyone.
Manuals through 2025 now available!

Our trusted friends have launched a new website named LEMON, which has newer manuals. It also contains all the CHARM manuals.

LEMON is the spiritual successor to CHARM, I recommend you try it!

Link: lemon-manuals.la or lemon-manuals.org.ua

(Some people have issue connecting. LEMON is investigating. For now, use Firefox or change your DNS server)

Or, hide this message: temporarily or permanently

System Diagram



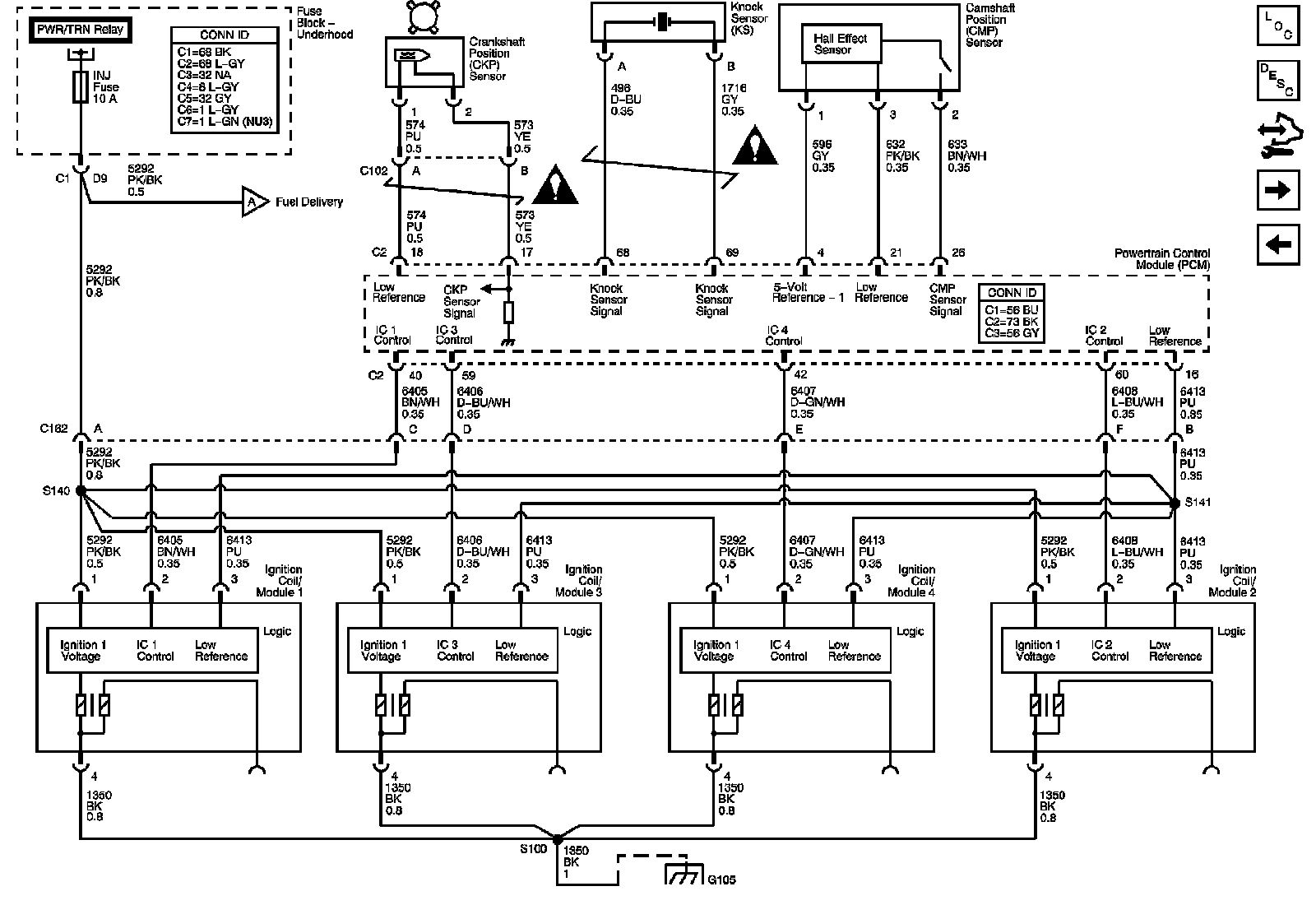
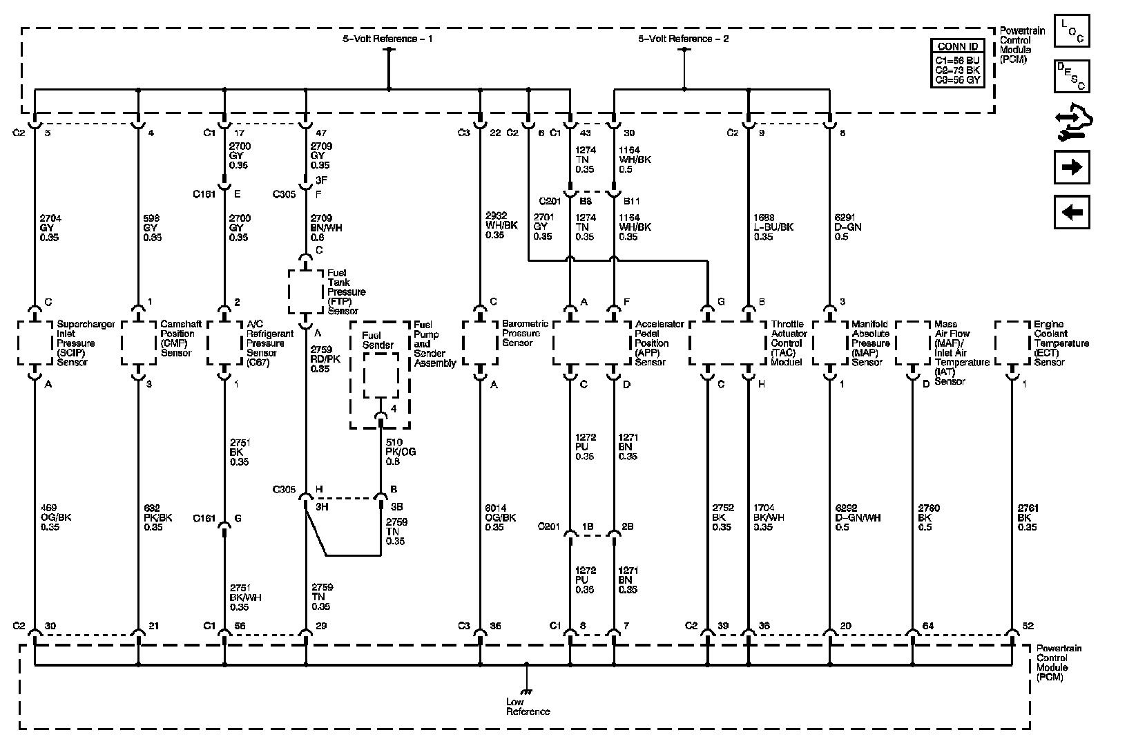
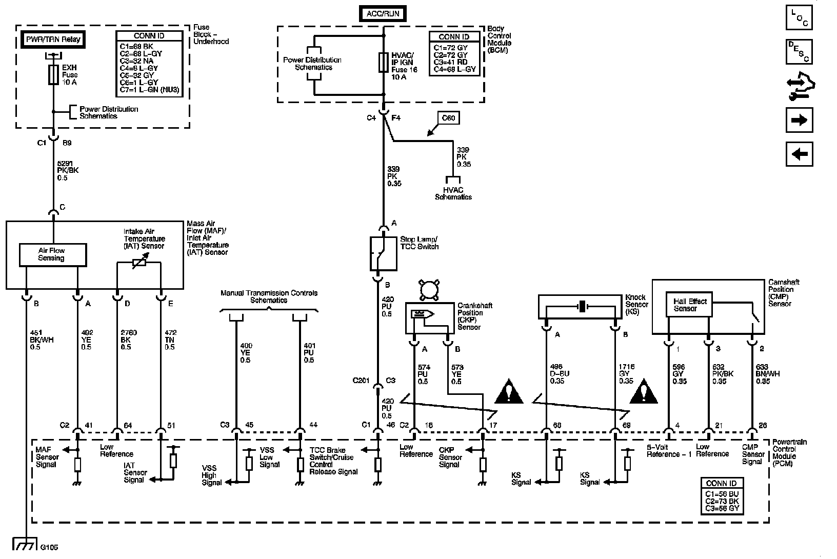
ENGINE CONTROLS SCHEMATICS

Power, Ground, MIL, Communication







5-Volt and Low Reference Bussing







Engine Data Sensors - Pressure, Temperature







Engine Data Sensors - MAF/IAT, CKP, KS, CMP, VSS







Engine Data Sensors - HO2S







Engine Data Sensors - APP, TAC







Ignition Controls







Fuel Delivery







Engine Data Sensors - EVAP, Aftercooler Pump, Supercharger Control







Controlled/Monitored Subsystem References







Locations: The locations for the Connectors, Grounds, Splices, and Grommets shown within these diagrams can be found via their numbers at Vehicle Locations. Locations