Operation CHARM: Car repair manuals for everyone.
Manuals through 2025 now available!

Our trusted friends have launched a new website named LEMON, which has newer manuals. It also contains all the CHARM manuals.

LEMON is the spiritual successor to CHARM, I recommend you try it!

Link: lemon-manuals.la or lemon-manuals.org.ua

(Some people have issue connecting. LEMON is investigating. For now, use Firefox or change your DNS server)

Or, hide this message: temporarily or permanently

Case and Associated Parts


Disassembled Views

Case and Associated Parts (1 of 3)

Case and Associated Parts:




1 - Side Cover (Structural)
2 - Axle Oil Seal
3 - Side Cover Bolt
4 - Side Cover Stud
5 - Side Cover Gasket
6 - Side Cover Oil Level Control Gasket
7 - Thrust Washer (Side Cover to Driven Sprocket)
8 - Oil Pump Bolt
9 - Oil Pump Bolt
10 - Transaxle Oil Pump Assembly
11 - Transaxle Wiring Assembly
12 - TFP Manual Valve Position Switch Assembly Bolt
13 - TFP Manual Valve Position Switch Assembly
15 - Wiring Harness Bracket Bolt/Input Speed Sensor Bolt
51 - Transaxle Case
52 - Vent Cap
55 - Torque Converter Assembly
61 - Output Speed Sensor Stud
62 - Output Shaft Speed Sensor
63 - O-Ring Seal (Output Speed Sensor)
64 - Band Anchor Pin (Lo/Reverse)
65 - Oil Level Control Plug
81 - Tube Assembly Bolt/Bottom Pan Bolt
84 - Transaxle Oil Filter Seal
85 - Transaxle Oil Filter Assembly
86 - Oil Level Control Valve
87 - Transaxle Bottom Pan Gasket
88 - Transaxle Oil Pan
89 - Chip Collector Magnet
126 - Side Cover Stud
127 - Transmission Wiring Harness Assembly (Some Models)
128 - Electrical Connector Retaining Bracket (Some Models)

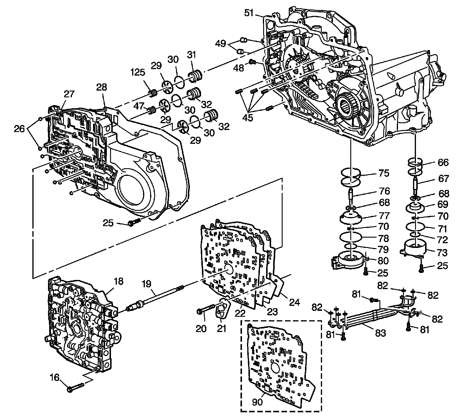
Case and Associated Parts (2 of 3)

Case and Associated Parts:




16 - Control Valve Body Bolt
18 - Control Valve Body Assembly
19 - Oil Pump Drive Shaft
20 - Spacer Plate Support Bolt
21 - Spacer Plate Support
22 - Control Valve Body to Spacer Plate Gasket - Some Models
23 - Control Valve Body Spacer Plate - Model Dependent
24 - Spacer Plate to Channel Plate Gasket - Some Models
25 - Channel Plate Bolt/Servo Cover Bolt
25 - Channel Plate Bolt/Servo Cover Bolt
25 - Channel Plate Bolt/Servo Cover Bolt
26 - Checkballs (7)
27 - Channel Plate
28 - Case To Channel Plate Gasket
29 - Accumulator Piston (1-2, 2-3 and 3-4)
29 - Accumulator Piston (1-2, 2-3 and 3-4)
29 - Accumulator Piston (1-2, 2-3 and 3-4)
30 - Accumulator Piston Seal (1-2, 2-3 and 3-4)
30 - Accumulator Piston Seal (1-2, 2-3 and 3-4)
30 - Accumulator Piston Seal (1-2, 2-3 and 3-4)
31 - 1-2 Accumulator Piston Spring
32 - 2-3 and 3-4 Accumulator Piston Spring
32 - 2-3 and 3-4 Accumulator Piston Spring
45 - Dowel Pin
47 - 2-3 Accumulator Piston Cushion Spring
48 - Line Pressure Tap Plug
49 - Cooler Pipe Seal
51 - Transaxle Case
66 - Servo Return Spring (Lo/Reverse)
67 - Servo Apply Pin (Lo/Reverse)
68 - Servo Cushion Spring
68 - Servo Cushion Spring
69 - Servo Piston (Lo/Reverse)
70 - Servo Snap Ring
70 - Servo Snap Ring
71 - Servo Piston Seal (Lo/Reverse)
72 - Servo Cover Seal (Lo/Reverse)
73 - Servo Cover (Lo/Reverse)
75 - Servo Return Spring (Intermediate/4th)
76 - Servo Apply Pin (Intermediate/4th)
77 - Servo Piston (Intermediate/4th)
78 - Servo Piston Seal (Intermediate/4th)
79 - Servo Cover Seal (Intermediate/4th)
80 - Servo Cover (Intermediate/4th)
81 - Tube Assembly Bolt/Bottom Pan Bolt
81 - Tube Assembly Bolt/Bottom Pan Bolt
81 - Tube Assembly Bolt/Bottom Pan Bolt
82 - Oil Feed Tube Assembly Seal
82 - Oil Feed Tube Assembly Seal
82 - Oil Feed Tube Assembly Seal
82 - Oil Feed Tube Assembly Seal
83 - Oil Feed Tube Assembly
90 - Spacer Plate with Bonded Gaskets - Some Models
125 - 1-2 Accumulator Piston Cushion Spring and Retainer Assembly

Case and Associated Parts (3 of 3)

Case and Associated Parts:




2 - Axle Oil Seal
15 - Wiring Harness Bracket Bolt/Input Speed Sensor Bolt
33 - Turbine Shaft To Channel Plate Sleeve Seal
34 - Thrust Washer (Channel Plate to Drive Sprocket)
35 - Snap Ring (Turbine Shaft To Drive Sprocket)
36 - Drive Link Assembly
37 - Drive Sprocket
38 - Thrust Washer (Drive Sprocket to Support)
39 - Turbine Shaft
40 - Turbine Shaft to Support Seal
41 - O-Ring Seal (Torque Converter)
42 - Drive Sprocket Support Bearing
43 - Drive Sprocket Support
44 - Drive Sprocket Support Bushing
46 - Input Speed Sensor
51 - Transaxle Case
53 - Drive Sprocket Support Screw
54 - Converter Seal
56 - Output/Stub Shaft Sleeve
56 - Output/Stub Shaft Sleeve
57 - Output/Stub Shaft Snap Ring
57 - Output/Stub Shaft Snap Ring
57 - Output/Stub Shaft Snap Ring
58 - Output Stub Shaft
60 - Case To Final Drive Bushing
91 - Driven Sprocket
92 - Thrust Washer (Driven Sprocket to Support)
94 - Output Shaft
95 - Driven Sprocket Support Assembly
96 - 2nd Clutch Plate (Waved)
97 - 2nd Clutch Plate (Steel)
98 - 2nd Clutch Plate (Fiber)
99 - 2nd Clutch Plate (Backing)
100 - Intermediate/4th Band
101 - Thrust Washer (Support To Reverse Input Clutch)
102 - Reverse Input Clutch Assembly
103 - Thrust Bearing
104 - Thrust Washer (Selective)
105 - Direct and Coast Clutch Assembly
106 - Input Carrier Assembly
107 - Thrust Bearing
108 - Input Flange and Forward Clutch Hub Assembly
109 - Thrust Washer
110 - Forward Clutch Assembly
111 - Lo/Reverse Band
112 - Snap Ring (Forward Clutch Support to Case)
113 - Thrust Bearing
114 - Forward Clutch Support Assembly
115 - Final Drive Sun Gear
116 - Differential and Final Drive Assembly
117 - Thrust Bearing
118 - Final Drive Internal Gear
119 - Internal Gear to Case Fretting Ring