Operation CHARM: Car repair manuals for everyone.
Manuals through 2025 now available!

Our trusted friends have launched a new website named LEMON, which has newer manuals. It also contains all the CHARM manuals.

LEMON is the spiritual successor to CHARM, I recommend you try it!

Link: lemon-manuals.la or lemon-manuals.org.ua

(Some people have issue connecting. LEMON is investigating. For now, use Firefox or change your DNS server)

Or, hide this message: temporarily or permanently

Engine Replacement



Engine Replacement

Removal Procedure

1. Remove the battery box and carefully set the engine control module (ECM) on top of the engine.




2. Remove the battery cable retainers (1) from the battery tray.




3. Remove the negative battery cable nut (2) from the inner fender body ground stud.
4. Remove the negative battery cable (1) from the inner fender body ground stud.
5. Remove the fuel injector sight shield.




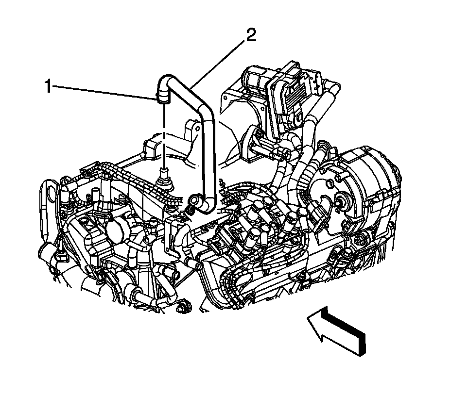
6. Release the clamp (1) from the brake booster vacuum hose connection.
7. Disconnect the brake booster vacuum hose (2) from the intake manifold.




8. Remove the transaxle control module (TCM) (1) from the bracket (2) and set the TCM on top of the engine.
9. Remove the air cleaner assembly and air intake duct.
10. Discharge the fuel system.
11. Disconnect the evaporative emission (EVAP) hose/pipe from the EVAP canister purge solenoid valve.




12. Disconnect the engine fuel hose/pipe (3) from the chassis fuel hose/pipe (2).
13. Discharge the air conditioning (A/C) system.
14. Remove the A/C compressor hose assembly from the compressor. Cap or plug the hoses and compressor to prevent contamination.
15. Disconnect the transaxle shift control cable from the transaxle.




16. Disconnect engine to body inline connector C102 (2).
17. Drain the engine coolant from the cooling system.
18. Tie the radiator, A/C condenser, and fan module assembly to the upper radiator support to keep the assembly with the vehicle when the frame and drivetrain is removed.
19. Remove the coolant surge tank.
20. Disconnect the heater hoses from the engine.
21. Remove the radiator inlet hose.
22. Raise and support the vehicle.
23. Remove the radiator outlet hose.




24. Disconnect the transaxle oil cooler lines from the transaxle and remove the seals.
25. Cap the transaxle oil cooler lines and plug the transaxle oil cooler line fittings to prevent loss of transmission fluid.
26. Remove the front bumper fascia air deflector.




27. Disconnect the heated oxygen sensor (HO2S) 2 wiring harness (2).
28. Remove the HO2S 2 wiring harness retainers (1, 3) from the vehicle underbody.
29. Remove the catalytic converter and secure the rear half of the exhaust system to the vehicle underbody.




30. If equipped with all wheel drive (AWD), disconnect the transfer case vent hose from the transfer case.
31. Remove the front tires.
32. Remove the right and left engine splash shields.




33. Remove the steering intermediate shaft pinch bolt and discard the bolt.
34. Disconnect the steering intermediate shaft from the steering gear.




35. Remove the right and left outer tie rod ends from the steering knuckles.



36. Remove the right and left stabilizer shaft links from the stabilizer shaft.




37. Remove the right and left lower ball joints from the steering knuckles.
38. Remove the right and left front wheel drive shafts.
39. If equipped with AWD, remove the rear propeller shaft.




40. Place a block of wood (1) between the frame and the engine oil pan in order to support the engine once the bolts are removed from the right engine mount.




41. Place a block of wood (1) between the frame and the transaxle in order to support the transaxle once the bolts are removed from the left transaxle mount.
42. Lower the vehicle.




43. Remove the bolts (2) that secure the right engine mount (1) to the engine (3).




44. Remove the bolts that secure the left transaxle mount to the transaxle.

Important: Insure the vehicle body is secured to the hoist.

45. Raise the vehicle.
46. Place a universal frame support fixture or jackstands under the frame.
47. Lower the vehicle until the frame contacts the frame support fixture or jackstands.




48. Remove the frame-to-body bolts. Discard the bolts.

Important: Inspect for areas of body to powertrain contact or entanglement of wires and hoses while separating the vehicle body and powertrain.

49. Carefully raise the vehicle body up away from the powertrain.




50. Disconnect the engine electrical wiring harness from the following components:

* Exhaust gas recirculation (EGR) valve (3)
* Throttle body (4)
* EVAP purge solenoid (5)
* Remove nut (1) and generator B+ lead (2)
* Generator regulator (6)
* Fuel injector inline connector (7)
* Heated oxygen sensor (H2OS) 1 (9, 10)
* Ignition coil/control module (12)
* Remove wire harness from retainers (8, 11, 13)




51. Disconnect the engine electrical wiring harness from the following components:

* Knock sensor (KS) (1)
* Crankshaft position (CKP) sensor (2)
* Remove bolt (4) and ground lead (3)
* Remove the wire harness from retainers (5, 6)




52. If equipped with an engine coolant heater, disconnect the coolant heater cord.




53. Disconnect the engine electrical wiring harness from the following components:

* Air conditioning (AC) compressor clutch (1)
* AC refrigerant pressure sensor (2)
* Remove wire harness from retainer (3)




54. Disconnect the engine electrical wiring harness from the following components:

* Knock sensor (KS) (1)
* Oil pressure indicator switch (2)

55. Remove the throttle body assembly.




56. Remove the nut securing the fuel pipe to the transaxle.
57. Remove the fuel pipe retainer from the threaded stud on the transaxle.




58. If equipped with AWD, remove the transfer case mounting bracket bolts and bracket.
59. If equipped with front wheel drive (FWD), remove the intermediate shaft.



60. Remove the negative battery cable-to-transaxle nut from the transaxle stud
61. Remove the negative battery cable (1) from the transaxle stud.




62. Remove the engine-to-transaxle brace bolts (1, 2) and brace (3).
63. Remove the starter motor.




64. Remove the torque converter bolts.
65. Install an engine lift chain to the engine lift brackets.
66. Support the engine weight with an engine hoist.




67. Remove the automatic transaxle bolts.
68. Separate the automatic transaxle from the engine.
69. Lift the engine away from the frame and the automatic transaxle.
70. Secure the engine to an engine stand.
71. Remove any additional engine components as necessary.

Installation Procedure

1. Remove the engine from the engine stand.




2. Align the engine to the frame and automatic transaxle.

Notice: Refer to Fastener Notice .

3. Install the automatic transaxle bolts.

Tighten the bolts to 75 N.m (55 lb ft).

4. Place a block of wood between the frame and the engine oil pan in order to support the engine on the frame once the engine hoist is removed.
5. Remove the engine hoist and lift chain.




6. Install the torque converter bolts.

Tighten the bolts to 60 N.m (44 lb ft).

7. Install the starter motor.




8. Install the engine to transaxle brace (3) and bolts (1, 2).

Tighten the bolts to 50 N.m (37 lb ft).




9. Install the negative battery cable (1) to the transaxle stud.
10. Install the negative battery cable-to-transaxle nut to the transaxle stud.

Tighten the nut to 45 N.m (33 lb ft).




11. If equipped with AWD, install the transfer case mounting bracket and bolts.

Tighten the bolts to 60 N.m (44 lb ft).

12. If equipped with FWD, install the intermediate shaft.




13. Install the fuel pipe retainer to the threaded stud on the transaxle.
14. Install the nut securing the fuel pipe to the transaxle.

Tighten the nut to 28 N.m (21 lb ft).

15. Install the throttle body assembly.




16. Connect the engine electrical wiring harness to the following components:

* Oil pressure indicator switch (2)
* Knock sensor (KS) (1)




17. Connect the engine electrical wiring harness to the following components:

* Install wire harness to retainer (3)
* AC refrigerant pressure sensor (2)
* Air conditioning (AC) compressor clutch (1)




18. If equipped with an engine coolant heater, connect the coolant heater cord.




19. Connect the engine electrical wiring harness to the following components:

* Install the wire harness to retainers (5, 6).
* Install ground lead (3) and bolt (4).

Tighten the bolt to 25 N.m (18 lb ft).

* CKP sensor (2)
* KS (1)




20. Connect the engine electrical wiring harness to the following components:

* Install wire harness to retainers (8, 11, 13)
* Ignition coil/control module (12)
* H2OS 1 (9, 10)
* Fuel injector inline connector (7)
* Generator regulator (6)
* Install generator B+ lead (2) and nut (1)

Tighten the nut to 13 N.m (115 lb in).

* EVAP purge solenoid (5)
* Throttle body (4)
* EGR valve (3)

Important: Inspect for areas of body to powertrain contact or entanglement of wires and hoses while joining the vehicle body to the powertrain.

21. Carefully lower the vehicle body down to the powertrain.




22. Install NEW frame-to-body bolts.

Tighten the bolts to 155 N.m (114 lb ft).

23. Raise the vehicle up away from the frame support fixture or jackstands and remove the support fixture or jackstands from under the vehicle.
24. Lower the vehicle.




25. Install the bolts that secure the left transaxle mount to the transaxle.

Tighten the bolts to 50 N.m (37 lb ft).




26. Install the bolts (2) that secure the right engine mount (1) to the engine (3).

Tighten the bolts to 50 N.m (37 lb ft).

27. Raise the vehicle.




28. Remove the block of wood (1) between the frame and the transaxle used to support the transaxle while the bolts were removed from the left transaxle mount.




29. Remove the block of wood (1) between the frame and the engine oil pan used to support the engine while the bolts were removed from the right engine mount.
30. If equipped with AWD, install the rear propeller shaft.
31. Install the right and left front wheel drive shafts.




32. Install the right and left lower ball joints to the steering knuckles.




33. Install the right and left stabilizer shaft links to the stabilizer shaft.




34. Install the right and left tie rod ends to the steering knuckles.




35. Connect the steering intermediate shaft to the steering gear.
36. Install a NEW pinch bolt to the steering intermediate shaft.

Tighten the bolt to 34 N.m (25 lb ft).

37. Install the right and left engine splash shields.
38. Install the front tires.




39. If equipped with AWD, connect the transfer case vent hose to the transfer case.
40. Install the catalytic converter.




41. Install the HO2S 2 wiring harness retainers (1, 3) to the vehicle underbody.
42. Connect the HO2S 2 wiring harness.
43. Install the front bumper fascia air deflector.




44. Install new seals and connect the transaxle oil cooler lines to the transaxle.
45. Install the radiator outlet hose.
46. Lower the vehicle.
47. Install the radiator inlet hose.
48. Connect the heater hoses to the engine.
49. Install the coolant surge tank.
50. Untie the radiator, AC condenser, and fan module assembly from the upper radiator support.




51. Connect engine to body inline connector C102 (2).
52. Connect the transaxle shift control cable to the transaxle.
53. Install the AC compressor hose assembly to the compressor.




54. Connect the engine fuel hose/pipe (3) to the chassis fuel hose/pipe (2).
55. Connect the EVAP hose/pipe to the EVAP canister purge solenoid valve.
56. Install the air cleaner assembly and air intake duct.




57. Install the TCM (1) to the TCM bracket (2).




58. Connect the brake booster vacuum hose (2) to the intake manifold.
59. Position the clamp (1) on the brake booster vacuum hose connection.
60. Install the fuel injector sight shield.




61. Install the negative battery cable from the inner fender body ground stud.
62. Install the negative battery cable nut (2) to the inner fender body ground stud.

Tighten the nut to 12 N.m (106 lb in).




63. Install the battery cable retainers (1) to the battery tray.
64. Install the battery box, battery and ECM.
65. Fill the engine with engine oil.
66. Fill the engine with coolant.
67. Check the transaxle fluid level.
68. Charge the AC system.
69. Prime the fuel system.

1. Cycle the ignition ON for 5 seconds then OFF for 10 seconds. Repeat cycling twice.
2. Crank the engine until it starts. The maximum starter motor cranking time is 20 seconds.
3. If the engine does not start, repeat the steps.

70. Perform the CKP system variation learn procedure.