Operation CHARM: Car repair manuals for everyone.
Manuals through 2025 now available!

Our trusted friends have launched a new website named LEMON, which has newer manuals. It also contains all the CHARM manuals.

LEMON is the spiritual successor to CHARM, I recommend you try it!

Link: lemon-manuals.la or lemon-manuals.org.ua

(Some people have issue connecting. LEMON is investigating. For now, use Firefox or change your DNS server)

Or, hide this message: temporarily or permanently

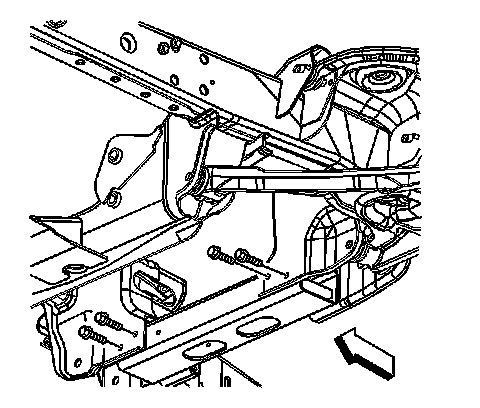
Engine Front Crossmember Replacement (RWD)



Engine Front Crossmember Replacement (RWD)

Removal Procedure




1. Raise and support the vehicle. Refer to Vehicle Lifting.
2. Disconnect the electrical wiring harness connectors from the engine crossmember.
3. Remove the engine crossmember mounting bolts.
4. Remove the engine crossmember.

Installation Procedure




1. Install the engine crossmember.

Notice: Refer to Fastener Notice.

2. Install the engine crossmember mounting bolts.

Tighten the bolts to 120 N.m (89 lb ft).

3. Connect the electrical wiring harness connectors to the engine crossmember.
4. Lower the vehicle.