Operation CHARM: Car repair manuals for everyone.
Manuals through 2025 now available!

Our trusted friends have launched a new website named LEMON, which has newer manuals. It also contains all the CHARM manuals.

LEMON is the spiritual successor to CHARM, I recommend you try it!

Link: lemon-manuals.la or lemon-manuals.org.ua

(Some people have issue connecting. LEMON is investigating. For now, use Firefox or change your DNS server)

Or, hide this message: temporarily or permanently

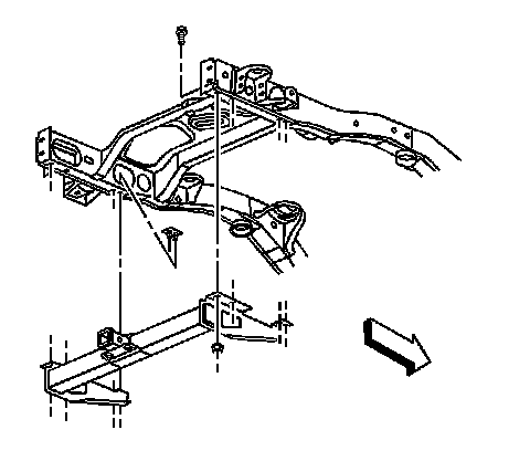
Trailer Weight-Distributing Hitch Platform Replacement


Trailer Weight-Distributing Hitch Platform Replacement


Removal Procedure





1.Remove the hitch to frame mounting bolts and the nuts.

2.Remove the hitch from the vehicle.

Installation Procedure





1.Install the hitch to the vehicle.

Notice:Refer to Fastener Notice .

2.Install the hitch to frame mounting nuts and the bolts.

Tighten
Tighten the nuts to 88 N �m (65 lb ft).