Operation CHARM: Car repair manuals for everyone.
Manuals through 2025 now available!

Our trusted friends have launched a new website named LEMON, which has newer manuals. It also contains all the CHARM manuals.

LEMON is the spiritual successor to CHARM, I recommend you try it!

Link: lemon-manuals.la or lemon-manuals.org.ua

(Some people have issue connecting. LEMON is investigating. For now, use Firefox or change your DNS server)

Or, hide this message: temporarily or permanently

Electrical Diagrams





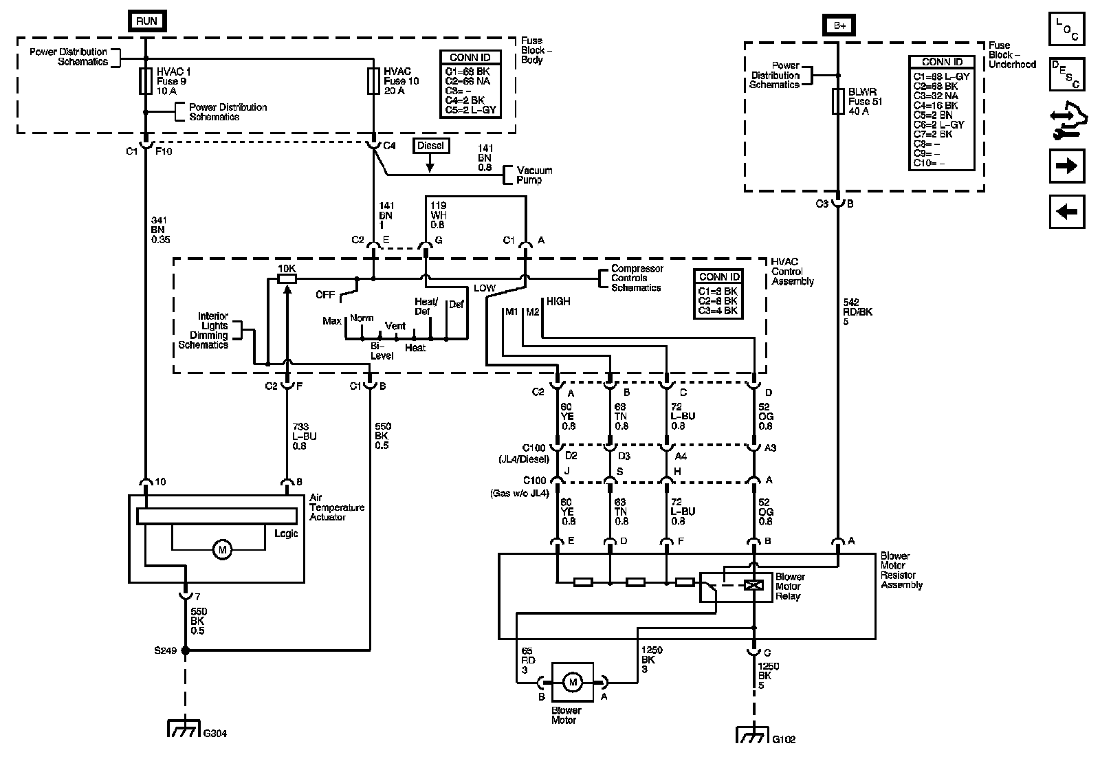
Primary Blower and Air Delivery Controls - C42 and Vacuum Pump - Diesel






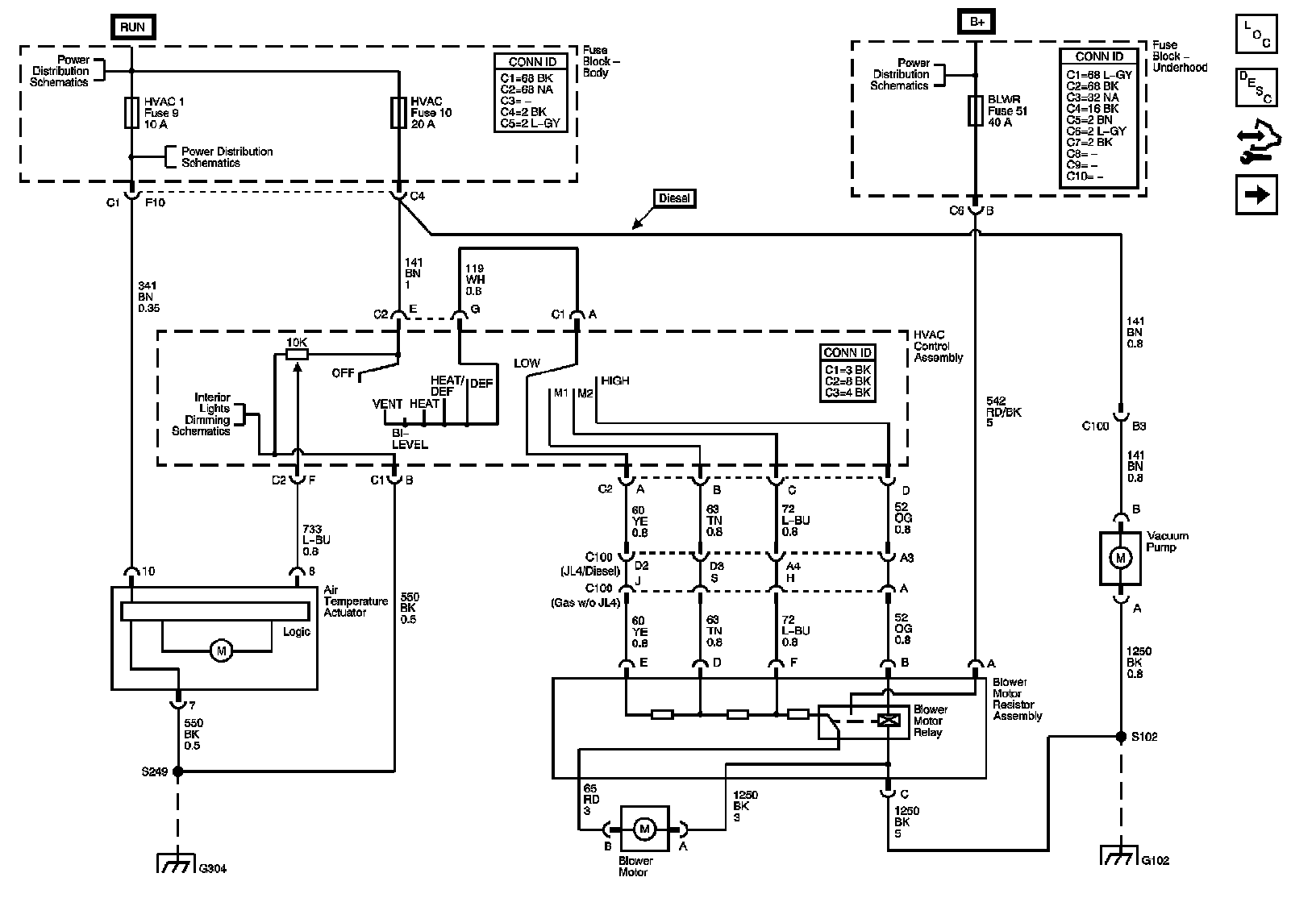
Primary Blower and Air Delivery Controls - C60






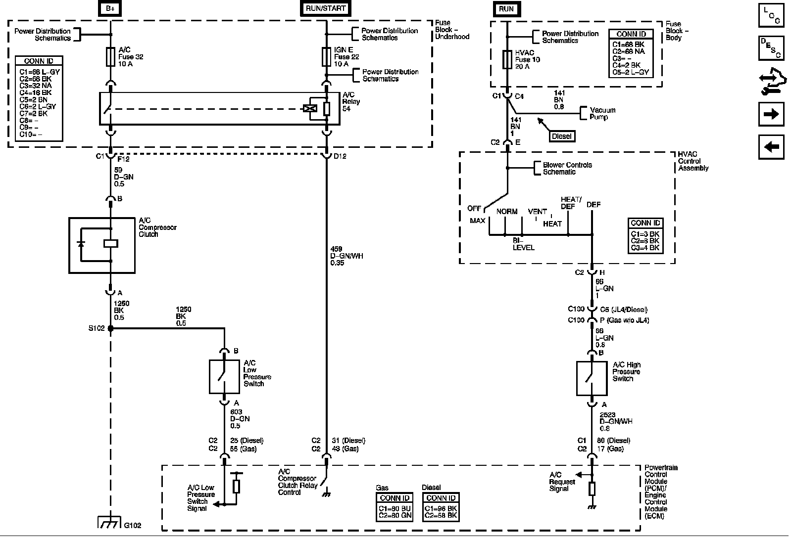
Compressor Controls - C60






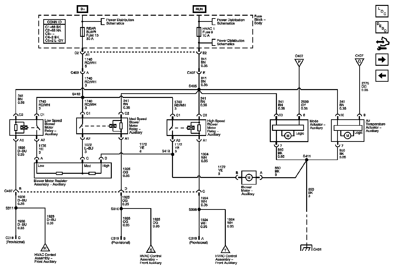
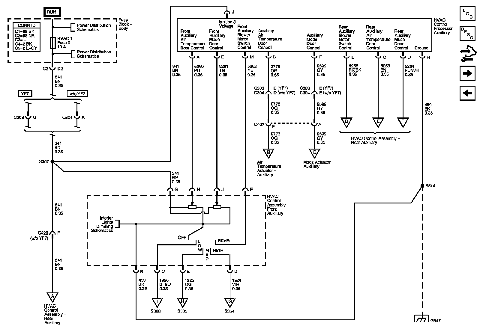
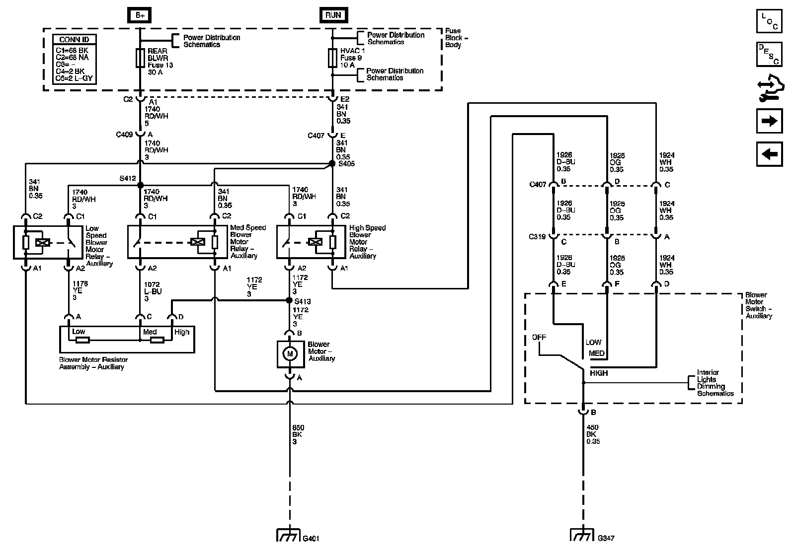
Rear HVAC with Rear Auxiliary Controls 1 of 3 - C69






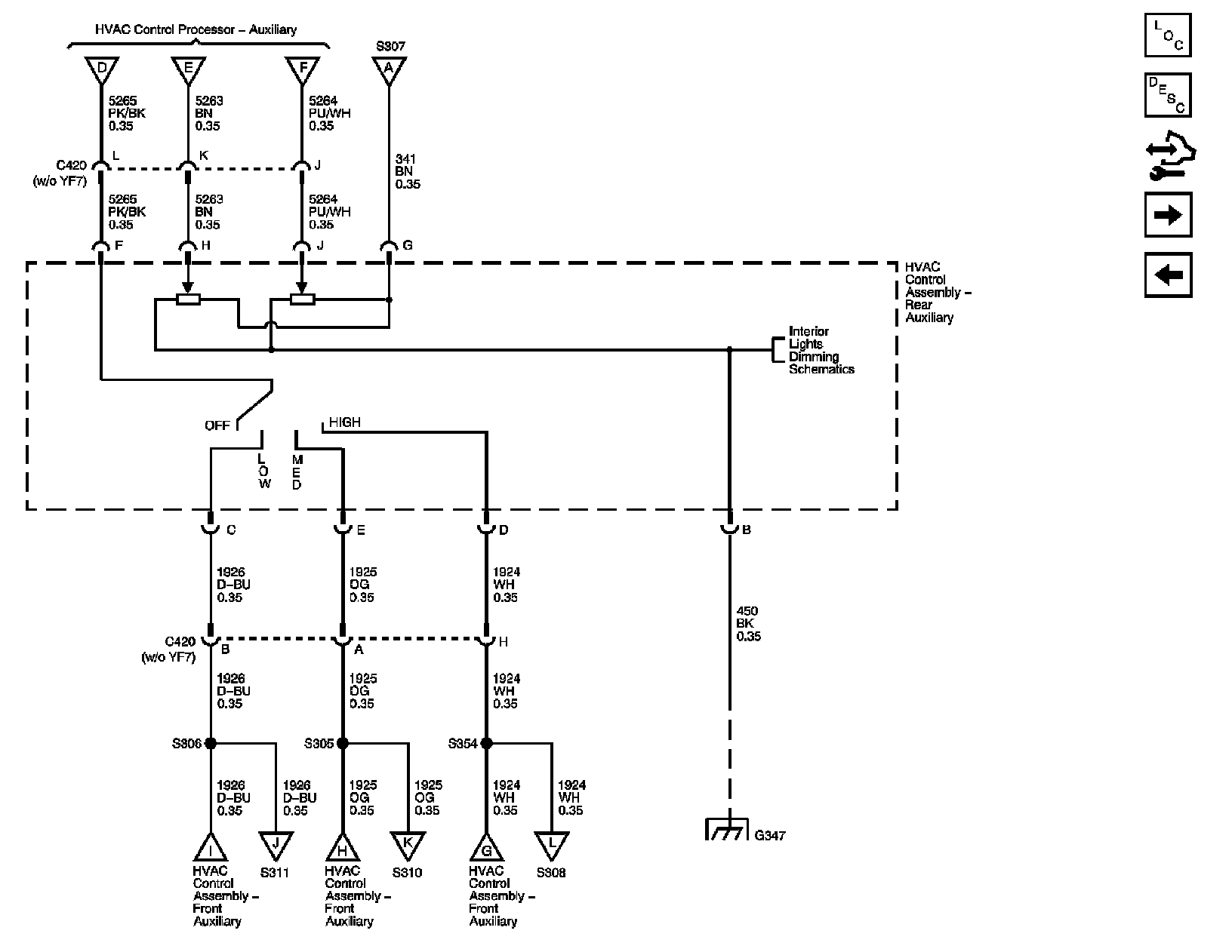
Rear HVAC with Rear Auxiliary Controls 2 of 3 - C69






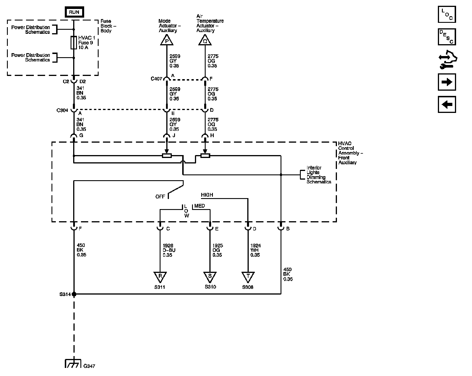
Rear HVAC with Rear Auxiliary Controls 3 of 3 - C69






Rear HVAC w/o Rear Auxiliary Controls 1 of 2 - C69






Rear HVAC w/o Rear Auxiliary Controls 2 of 2 - C69






Rear HVAC - C36 w/o C69






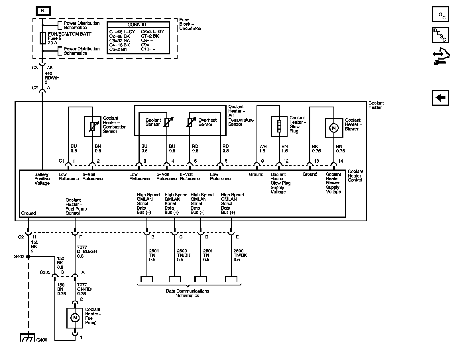
Coolant Heater (K08)