Operation CHARM: Car repair manuals for everyone.
Manuals through 2025 now available!

Our trusted friends have launched a new website named LEMON, which has newer manuals. It also contains all the CHARM manuals.

LEMON is the spiritual successor to CHARM, I recommend you try it!

Link: lemon-manuals.la or lemon-manuals.org.ua

(Some people have issue connecting. LEMON is investigating. For now, use Firefox or change your DNS server)

Or, hide this message: temporarily or permanently

Starting and Charging: Locations



Engine Electrical Component Views

Battery - G106




1 - Battery Cable (+)
2 - Battery
3 - G106
4 - Battery Cable (-)

Front of the Engine (4.3L)




1 - Generator
2 - A/C Compressor Clutch Connector (C60)
3 - Crankshaft Position (CKP) Sensor Connector

Upper Front of the Engine (4.8L/5.3L/6.0L)




1 - Evaporative Emissions (EVAP) Canister Purge Solenoid
2 - Idle Air Control (IAC) Valve (w/o JL4)
3 - Throttle Position (TP) Sensor (w/o JL4)
4 - Generator

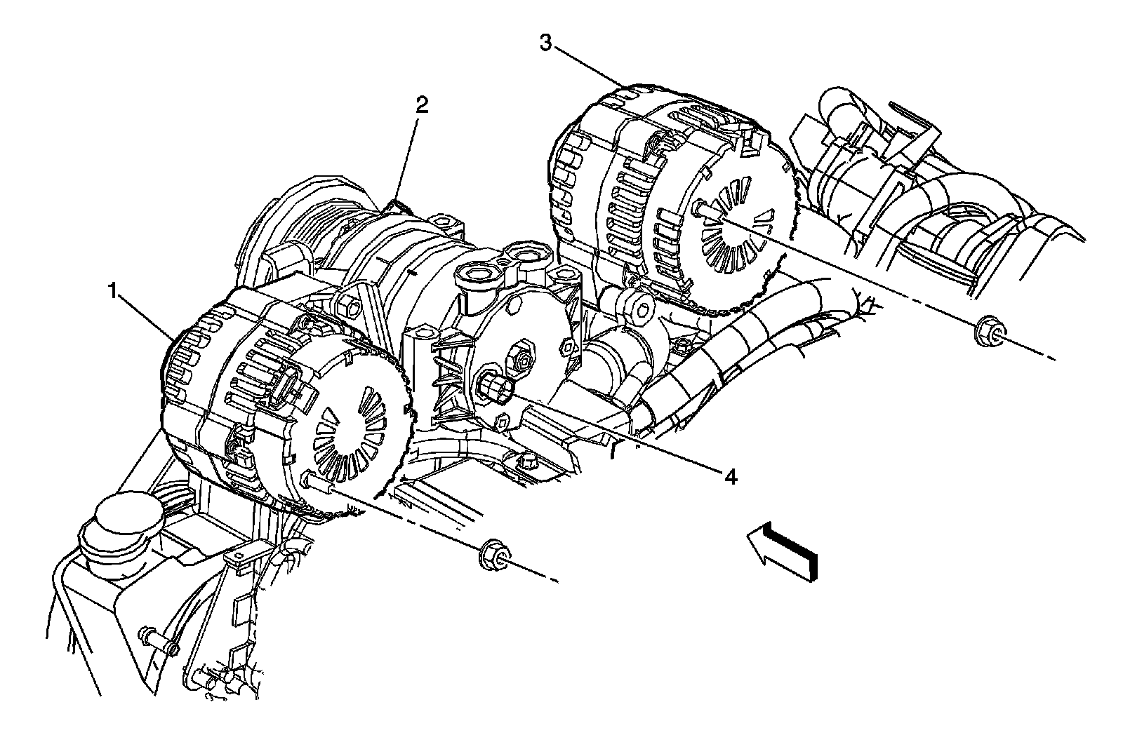
Upper Front of the Engine (6.6L)




1 - Generator - Auxiliary (KD9/YF2)
2 - A/C Compressor Clutch Connector (C60)
3 - Generator
4 - A/C High Pressure Switch (C60)

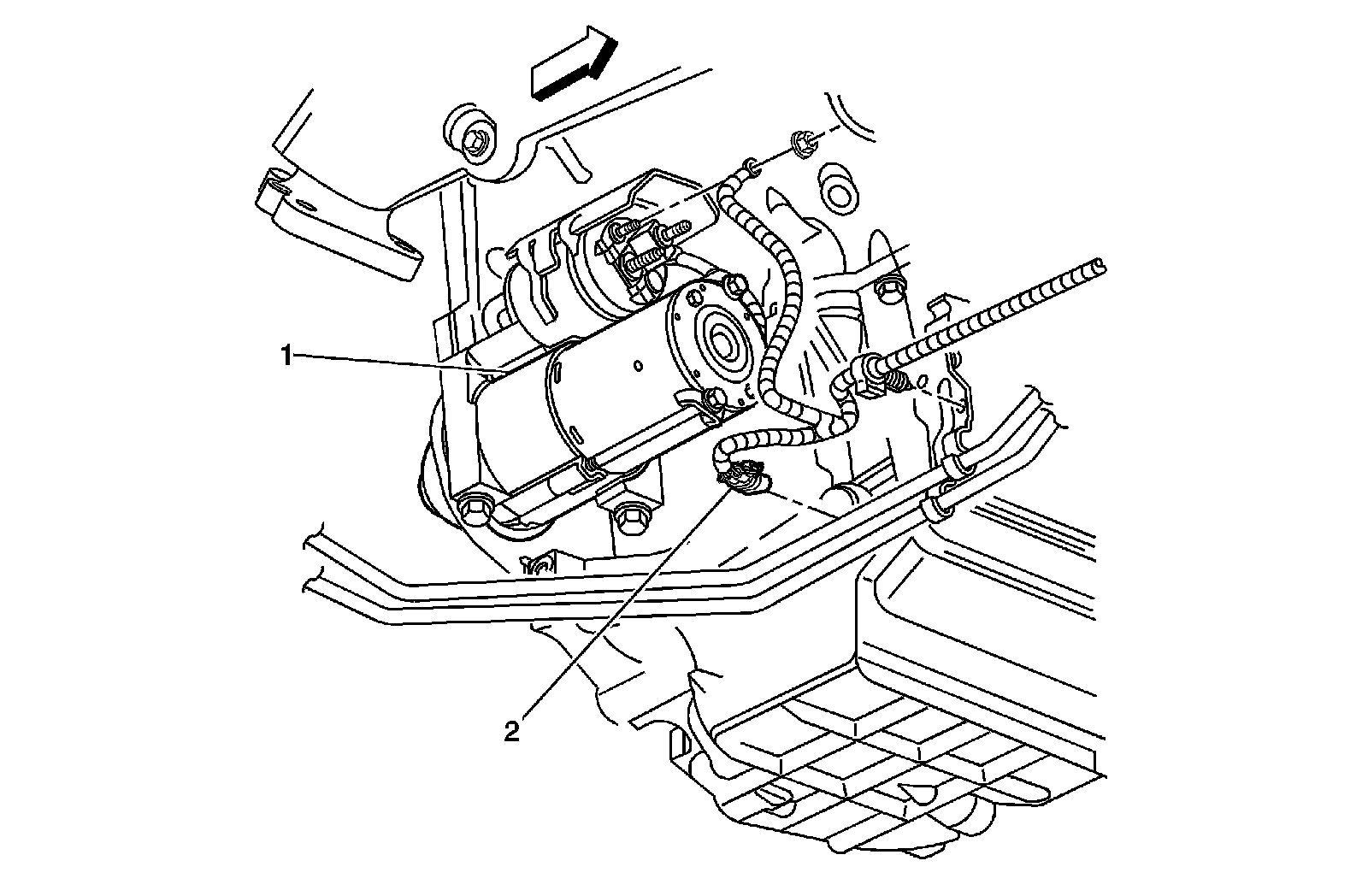
Right Side of the Engine




1 - Starter Motor
2 - Engine Oil Level Switch Connector (4.8L/5.3L/6.0L)

Left Side Frame (6.6L)




1 - Fuel Level Sensor Connector
2 - Battery - Secondary
3 - G305
4 - Coolant Heater - Fuel Pump (K08)
5 - Coolant Heater (K08)
6 - Fuel Pump Assembly