Operation CHARM: Car repair manuals for everyone.
Manuals through 2025 now available!

Our trusted friends have launched a new website named LEMON, which has newer manuals. It also contains all the CHARM manuals.

LEMON is the spiritual successor to CHARM, I recommend you try it!

Link: lemon-manuals.la or lemon-manuals.org.ua

(Some people have issue connecting. LEMON is investigating. For now, use Firefox or change your DNS server)

Or, hide this message: temporarily or permanently

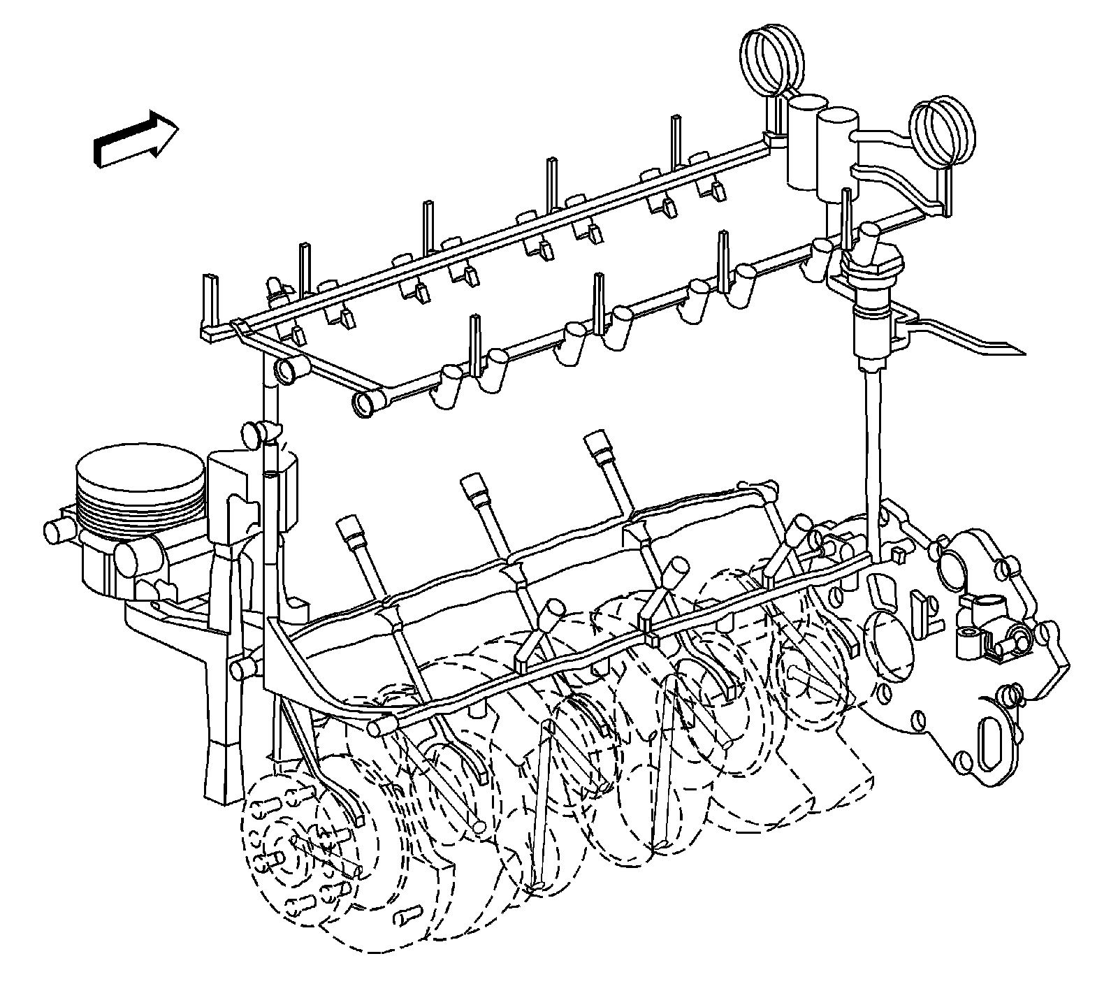
Engine Lubrication: Description and Operation



Lubrication Description





Oil is applied under pressure to the crankshaft, connecting rods, balance shaft assembly, camshaft bearing surfaces, valve lifters and timing chain hydraulic tensioner. All other moving parts are lubricated by gravity flow or splash. Oil enters the gerotor type oil pump through a fixed inlet screen. The oil pump is driven by the crankshaft. The oil pump body is within the engine front cover. The pressurized oil from the pump passes through the oil filter. The oil filter is located on the right (front) side of the engine block. The oil filter is housed in a casting that is integrated with the engine block. The oil filter is a disposable cartridge type. A by-pass valve in the filter cap allows continuous oil flow in case the oil filter should become restricted. Oil then enters the gallery where it is distributed to the balance shafts, crankshaft, camshafts and camshaft timing chain oiler nozzle. The connecting rod bearings are oiled by constant oil flow passages through the crankshaft connecting the main journals to the rod journals. A groove around each upper main bearing furnishes oil to the drilled crankshaft passages. The pressurized oil passes through the cylinder head restrictor orifice into the cylinder head and then into each camshaft feed gallery. Cast passages feed each hydraulic element adjuster and drilled passages feed each camshaft bearing surface. An engine oil pressure switch or sensor is installed at the end. Oil returns to the oil pan through passages cast into the cylinder head. The timing chain lubrication drains directly into the oil pan.