Operation CHARM: Car repair manuals for everyone.
Manuals through 2025 now available!

Our trusted friends have launched a new website named LEMON, which has newer manuals. It also contains all the CHARM manuals.

LEMON is the spiritual successor to CHARM, I recommend you try it!

Link: lemon-manuals.la or lemon-manuals.org.ua

(Some people have issue connecting. LEMON is investigating. For now, use Firefox or change your DNS server)

Or, hide this message: temporarily or permanently

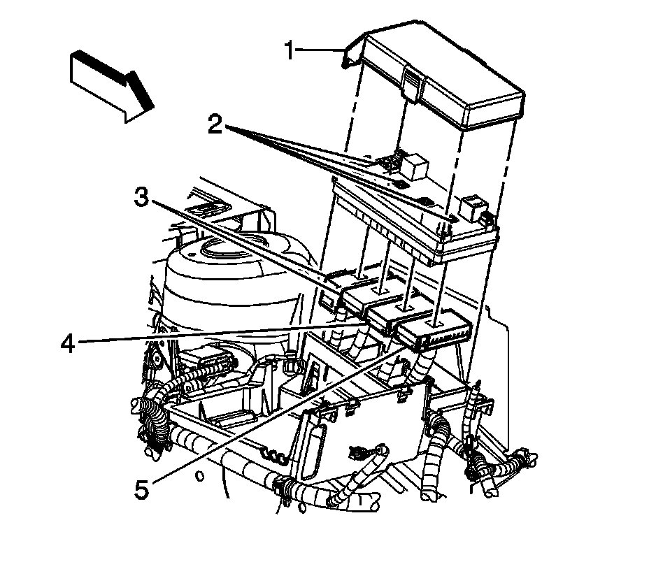
Battery Tray: Service and Repair



Battery Tray Replacement

Removal Procedure




1. Remove the engine control module (ECM).
2. Remove the battery.
3. Loosen the positive battery cable bolt (6) at the junction block and remove the cable from the junction block.




4. Remove the junction block cover (1).
5. Loosen the junction block bolts (2) and remove the junction block.
6. Remove the body wiring harness electrical connectors (3) from the battery tray.
7. Remove the forward lamp wiring harness electrical connector (4) and the engine wiring harness electrical connector (5) from the battery tray.




8. Remove the battery tray bolts and nut.
9. Remove the air duct from the battery tray.
10. Remove the battery tray.




11. If necessary, remove the battery tray support bolts (2) and stud (1).
12. Remove the battery tray support (3).

Installation Procedure




1. If necessary, position the battery tray support (3).
2. Loosely install the battery tray support stud (1) and bolts (2).




3. Install the battery tray.
4. Loosely install the battery tray bolts and nut.

Notice: Refer to Fastener Notice.

5. Tighten the battery tray support bolts/stud and the battery tray bolts/nut.

* Tighten the battery support bolts and stud to 25 N.m (18 lb ft).
* Tighten the battery tray bolts to 15 N.m (11 lb ft).
* Tighten the battery tray nut to 12 N.m (106 lb in).




6. Install the engine wiring harness electrical connector (5) and the forward lamp wiring harness electrical connector (4) to the battery tray.
7. Install the body wiring harness electrical connectors (3) to the battery tray.
8. Install the junction block and tighten the junction block bolts (2).

Tighten the bolts to 7 N.m (62 lb in).

9. Install the junction block cover (1).




10. Install the positive battery cable to the junction block and tighten the battery cable bolt (6).

Tighten the bolt to 10 N.m (89 lb in).

11. Install the battery.
12. Install the ECM.