Operation CHARM: Car repair manuals for everyone.
Manuals through 2025 now available!

Our trusted friends have launched a new website named LEMON, which has newer manuals. It also contains all the CHARM manuals.

LEMON is the spiritual successor to CHARM, I recommend you try it!

Link: lemon-manuals.la or lemon-manuals.org.ua

(Some people have issue connecting. LEMON is investigating. For now, use Firefox or change your DNS server)

Or, hide this message: temporarily or permanently

Generator Bracket Replacement



Generator Bracket Replacement (6.6L)

Removal Procedure

Caution: Refer to Battery Disconnect Caution.




1. Disconnect the negative battery cable.
2. Remove the upper fan shroud.
3. Remove the intake air heater.
4. Remove the generator.
5. Remove the drive belt tensioner.
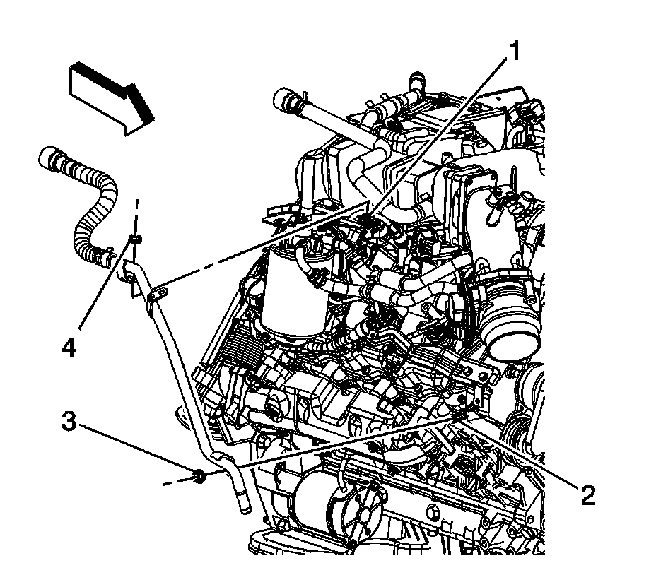
6. Remove the engine wiring harness clip from the oil level indicator tube bracket (2).
7. Remove the oil level indicator tube bolt (3).
8. Remove the oil level indicator tube bracket bolts (1).
9. Remove the oil level indicator tube bracket (2).




10. Remove the heater inlet hose bracket nut (4) from the fuel filter adapter stud (1).
11. Remove the heater inlet hose bracket nut (3) from the generator bracket stud (2).
12. Reposition the heater inlet hose/pipe out of the way.




13. Remove the fuel feed pipe bracket bolts (1).




14. Remove the engine wiring harness clip bolt (1).
15. Reposition the engine wiring harness out of the way.




16. Remove the generator bracket bolts (1) and bracket.
17. Loosen the idler pulley bolts (2) and remove the pulleys from the generator bracket, if necessary.

Installation Procedure





Notice: Refer to Fastener Notice.

1. Position the idler pulleys to the generator bracket and tighten the pulley bolts (2), if necessary.

Tighten the bolts to 50 N.m (37 lb ft).

2. Position the generator bracket to the engine and install the bolts (1).

Tighten the bolts to 50 N.m (37 lb ft).




3. Position the engine wiring harness and install the engine wiring harness clip bolt (1).

Tighten the bolt to 10 N.m (89 lb in).




4. Install the fuel feed pipe bracket bolts (1).

Tighten the bolts to 24 N.m (18 lb ft).




5. Position the heater inlet hose/pipe to the engine.
6. Install the heater inlet hose bracket to the generator bracket stud (2) and install the bracket nut (3).

Tighten the nut to 9 N.m (80 lb in).

7. Install the heater inlet hose to the fuel filter adapter stud (1) and install the bracket nut (4).

Tighten the nut to 9 N.m (80 lb in).




8. Install the oil level indicator tube bracket (2).
9. Install the oil level indicator tube bracket bolts (1).

Tighten the bolts to 21 N.m (15 lb ft).

10. Install the oil level indicator tube bolt (3).

Tighten the bolts to 21 N.m (15 lb ft).

11. Install the engine wiring harness clip to the oil level indicator tube bracket (2).
12. Install the drive belt tensioner.
13. Install the generator.
14. Install the intake air heater.
15. Install the upper fan shroud.
16. Connect the negative battery cable.