Operation CHARM: Car repair manuals for everyone.
Manuals through 2025 now available!

Our trusted friends have launched a new website named LEMON, which has newer manuals. It also contains all the CHARM manuals.

LEMON is the spiritual successor to CHARM, I recommend you try it!

Link: lemon-manuals.la or lemon-manuals.org.ua

(Some people have issue connecting. LEMON is investigating. For now, use Firefox or change your DNS server)

Or, hide this message: temporarily or permanently

Generator Control Module Replacement (5.3L Engine w/RPO HP2)



Generator Control Module Replacement (5.3L Engine w/RPO HP2)

Removal Procedure




1. Disconnect the battery service disconnect/connect.
2. Remove the air cleaner assembly.
3. Remove the surge tank.
4. Remove the generator control module (GCM) coolant tank.
5. Remove the GCM cover bolts, and cover.
6. Remove the 3-phase cable nuts to the GCM.
7. Remove the 3-phase cable from the GCM.




8. Remove the connector position assurance (CPA) retainer on the engine harness electrical connector.
9. Disconnect the engine harness electrical connector.




10. Disconnect the accessory power receptacle electrical connector from the GCM.




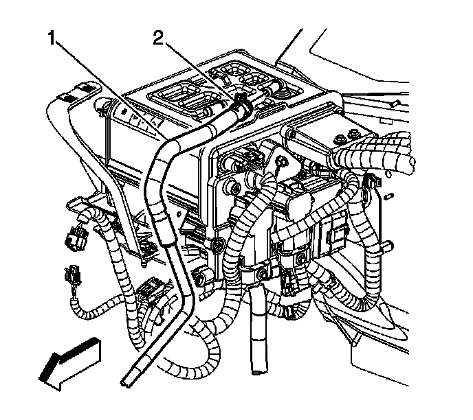
11. Reposition the GCM coolant outlet hose clamp (2).
12. Remove the GCM coolant outlet hose (1).




13. Loosen the 14-volt positive/negative battery cable bolt (1).
14. Remove the red connector position assurance (CPA) retainer.
15. Disconnect the 14-volt positive/negative battery cable.




16. Loosen the 42-volt positive/negative battery cable bolt (1).
17. Remove the red CPA retainer.
18. Disconnect the 42-volt positive/negative battery cable.
19. Disconnect the 42-volt jumper ground wire connector (2).




20. Remove the GCM rear bolt (2).
21. Remove the GCM front bolt (3).
22. Remove the brace (4).
23. Remove the GCM.

Installation Procedure




1. Install the GCM.
2. Install the brace (4).
3. Install the GCM front bolt (3).

Notice: Refer to Fastener Notice.

4. Install the GCM rear bolt (2).

Tighten the bolts to 20 N.m (15 lb ft).




5. Connect the 42-volt jumper ground wire connector (2).
6. Connect the 42-volt positive/negative battery cable.
7. Install the red CPA retainer.
8. Tighten the 42-volt positive/negative battery cable bolt (1).

Tighten the bolt to 9 N.m (80 lb in).




9. Connect the 14-volt positive/negative battery cable.
10. Install the red CPA retainer.
11. Tighten the 14-volt positive/negative battery cable bolt (1).

Tighten the bolt to 9 N.m (80 lb in).




12. Install the GCM coolant outlet hose (1).
13. Position the GCM coolant outlet hose clamp (2).




14. Connect the accessory power receptacle electrical connector to the GCM.




15. Connect the engine harness electrical connector.
16. Install the CPA retainer on the engine harness electrical connector.




17. Install the 3-phase cable to the GCM.
18. Install the 3-phase cable nuts to the GCM.

Tighten the nuts to 15 N.m (11 lb ft).

19. Install the GCM cover and bolts.

Tighten the bolts to 9 N.m (80 lb in).

20. Install the GCM coolant tank.
21. Install the surge tank.
22. Install the air cleaner assembly.
23. Connect the battery service disconnect/connect.
24. Program the GCM. Refer to Control Module References for programming and setup information. Programming and Relearning