Operation CHARM: Car repair manuals for everyone.
Manuals through 2025 now available!

Our trusted friends have launched a new website named LEMON, which has newer manuals. It also contains all the CHARM manuals.

LEMON is the spiritual successor to CHARM, I recommend you try it!

Link: lemon-manuals.la or lemon-manuals.org.ua

(Some people have issue connecting. LEMON is investigating. For now, use Firefox or change your DNS server)

Or, hide this message: temporarily or permanently

Initial Inspection and Diagnostic Overview

Fuel System

Service Precautions

Parts of the fuel system such as the internal part of the fuel injector, holes and clearances that form passages for fuel are finished to a very high degree of accuracy. They are therefore highly sensitive to foreign matter and the entry of foreign matter could cause damage to the fuel passage. Therefore, effective measures should be taken to prevent the entry of foreign matter.

If water removal agent is used in the fuel then it will absorb moisture in the light oil and may cause rust. Therefore, do not use water removal agent in the fuel tank.

Work procedure
- The fuel opening must be quickly sealed when removing the fuel pipe, injection pipe, fuel injector, fuel supply pump, and fuel rail.
- The eyebolts and gasket must be stored in a clean parts box with a lid to prevent adhesion of foreign matter.
- Fuel leakage may cause fires. Therefore, after finishing the work, wipe off the fuel that has leaked out and make sure there is no fuel leakage after starting the engine.

Explanation of Functions and Operation

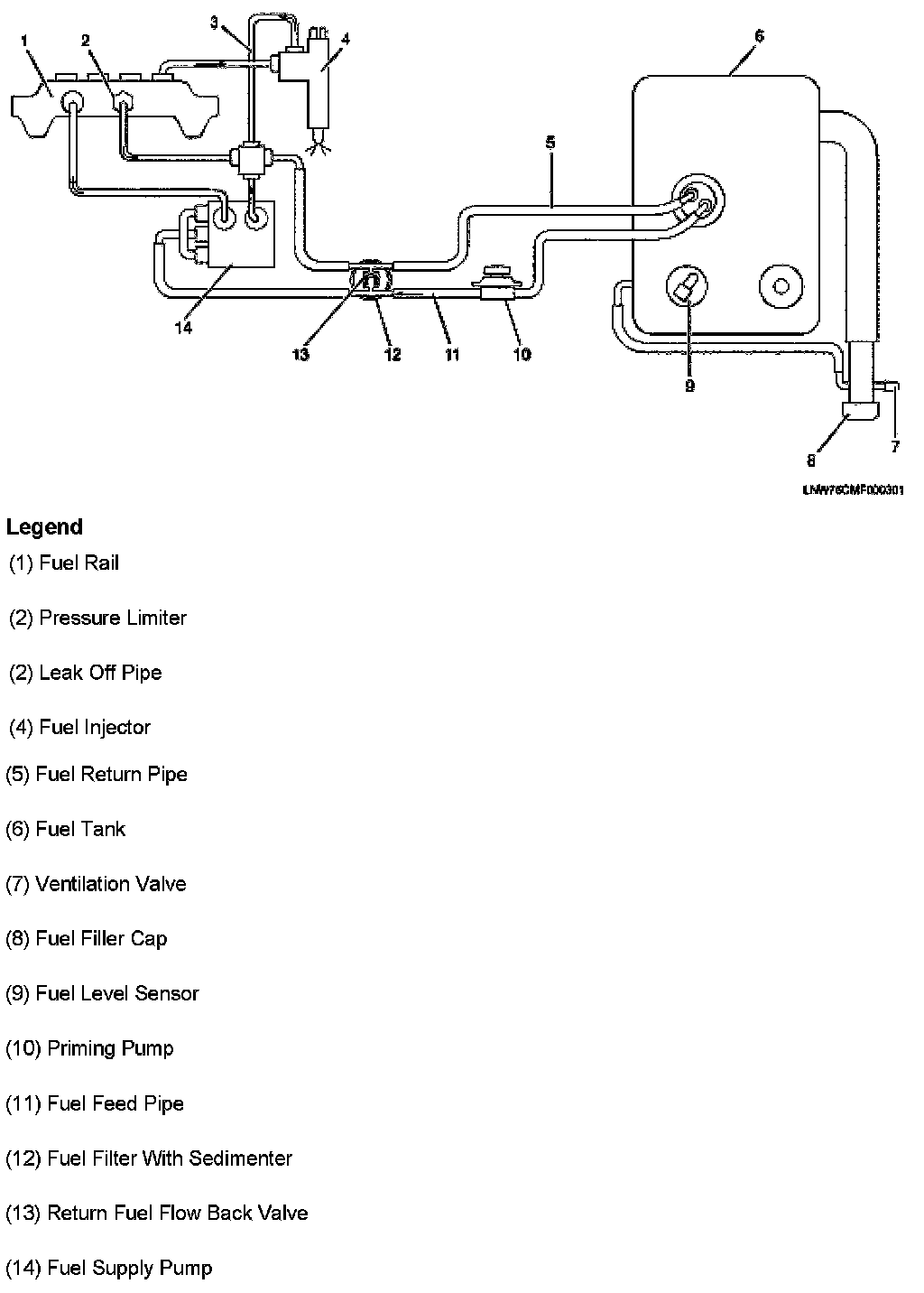
Fuel system diagram







Fuel rail







Fuel supply pump







Fuel injector







Fuel filter







Functional Check

Air bleeding

Bleed air from the fuel system if the vehicle has run out of fuel. The priming pump is located on the outboard side of the left frame rail, in front of the batteries.

1. Before starting the engine







a. Position a tray to collect the discharged fuel on the ground underneath the air bleeding plug, then loosen the air bleeding plug substantially.
b. Move the priming pump up and down for more than 20 pump cycles until fuel with air bubbles stops coming from the air bleeding plug.
c. Tighten the air bleeding plug securely and wipe the fuel around the plug clean.
d. Operate the priming pump for more than 10 pump cycles to send the air in the fuel system to the fuel supply pump.
e. Turn the starter switch to start the engine.

2. After starting the engine
a. Turn the starter switch without stepping on the accelerator pedal and start the engine.
b. Allow the engine to idle for five seconds.
c. Slowly turn the idle control knob to the right as far as it will go, then keep the knob in this position for three minutes.
d. Fully depress the accelerator pedal to obtain maximum RPM. (Repeat this operation several times.)
e. Turn the idle control knob to the left so that the engine returns to idle.

NOTE: If the air bleeding work is insufficient then it could lead to faults in the engine. Therefore, the procedures after starting the engine should always be implemented.

Water draining

A warning lamp will light up if water above the specified volume collects in the sedimenter. In such cases, drain out the water by performing the following operations:

1. Fit a tray below the fuel filter.
2. Loosen the drain plug.
3. Operate the priming pump several times to discharge the water.
4. Tighten the drain plug after discharging the water.
5. Operate the priming pump several times and check for fuel leakage.
6. Check that the warning lamp in the meter is off.

Fuel system vacuum check

Use this procedure to measure the vacuum (negative pressure) discharge side the fuel system.

NOTE: The fuel pressure/vacuum gauge assembly (gauge (1)) and the fuel pressure/vacuum gauge adapter (adapter (5)) must be cleaned before connect to the fuel line. Otherwise, foreign material adherent to the tools may damage the fuel supply pump.

1. Disconnect the fuel hose from the fuel filter housing. (fuel supply pump side).
2. Install the adapter. Special tool Fuel pressure/vacuum gauge adapter: EN-47667
3. Connect the gauge (1) with hose to the adapter (5). Special tool Fuel pressure/vacuum gauge assembly: J-44638







4. Loosen the air bleeding plug on the fuel filter.
5. Operate the priming pump until all the air has been bled from the system.
6. Tighten the air bleeding plug on the fuel filter.
7. Start the engine and allow it to idle.

8. Note the gauge (1) reading. If the reading is normal, go to Step 9. If the fuel vacuum is greater than the specified value, there is a problem in the fuel system. Perform the procedures outlined below.

Standard fuel vacuum - Less than 5 inHg

- Replace the fuel filter element.
- Check the fuel delivery pipe. If it is clogged, it must be replaced.
- Remove the fuel pipe at the fuel filter inlet. Use high-pressure air forced through the fuel pipe to clean the fuel system.

NOTE:
- Remove the fuel filler cap before applying high-pressure air.
- Do not perform this procedure if the fuel tank is nearly full (fuel approaching or flowing into the fuel filler neck). The forced air will spray fuel from the fuel filler neck.

9. Remove the gauge (1) and hose from the adapter (5).
10. Remove the adapter (5).
11. Connect the fuel hose.
12. Use your hand to operate the fuel filter priming pump. Operate the pump until all the air has been bled from the system.
13. Start the engine and allow it to idle.
14. Inspect the fuel system for fuel leakage.

Special Tools







Troubleshooting

A list of defective phenomena
- Problems with starting
- Hunting during idling
- Insufficient horsepower
- Maximum engine speed is too low
- Engine does not stop
- Exhaust gas is blue or black.

Problems with starting







Hunting during idling







Insufficient horsepower







Maximum engine speed is too low







Engine does not stop







Exhaust gas is blue or black







Fuel System Check

Description
The common rail fuel system is comprised of two fuel pressure sections: a suction side between the fuel tank and the fuel supply pump and a high-pressure side between the fuel supply pump and the fuel injectors. Fuel is drawn from the fuel tank via a feed pump and then pumped into the fuel rail by two plungers, all of which are internal to the fuel supply pump. This high pressure is regulated by the ECM using the fuel rail pressure (FRP) regulator dependant upon values from the FRP sensor attached to the fuel rail. In case of fuel rail overpressure, a pressure limiter valve threaded into the fuel rail will open to release overpressure and return fuel back to the fuel tank. The Fuel System Check diagnostic table directs the service technician to the appropriate fuel system diagnosis. The diagnostic table assumes the following conditions are met:
- The battery is completely charged and terminals are cleaned and tight.
- The engine cranking speed is normal.
- There is adequate fuel in the fuel tank.
- There is no air in the fuel line.
- Fuse and slow blow fuse are normal.

Diagnostic Aids
- The fuel system from the fuel tank(s) to the fuel supply pump is under a slight vacuum with the engine running. As a result, air can enter the fuel system if these connections are not tight. Air in the fuel system will cause fuel rail pressure fluctuations especially at high engine speed and load.
- If the fuel tank is empty or near empty, air might be allowed to go into the fuel system. With air in the fuel system, smooth flow of fuel into the supply pump is interrupted and this DTC may set. Perform bleeding of fuel system after refilling.

Circuit / System Testing Fuel System Check






















Special Tools