Operation CHARM: Car repair manuals for everyone.
Manuals through 2025 now available!

Our trusted friends have launched a new website named LEMON, which has newer manuals. It also contains all the CHARM manuals.

LEMON is the spiritual successor to CHARM, I recommend you try it!

Link: lemon-manuals.la or lemon-manuals.org.ua

(Some people have issue connecting. LEMON is investigating. For now, use Firefox or change your DNS server)

Or, hide this message: temporarily or permanently

Vehicle Lifting: Service and Repair



Lifting and Jacking the Vehicle
Caution: Refer to Vehicle Lifting Caution (Technician Safety Information).

Caution: To avoid any vehicle damage, serious personal injury or death, always use the jackstands to support the vehicle when lifting the vehicle with a jack.

Notice: Perform the following steps before beginning any vehicle lifting or jacking procedure:

* Remove or secure all of the vehicle's contents in order to avoid any shifting or any movement that may occur during the vehicle lifting or jacking procedure.
* The lifting equipment or the jacking equipment weight rating must meet or exceed the weight of the vehicle and any vehicle contents.
* The lifting equipment or the jacking equipment must meet the operational standards of the lifting equipment or jacking equipment's manufacturer.
* Perform the vehicle lifting or jacking procedure on a clean, hard, dry, level surface.
* Perform the vehicle lifting or jacking procedure only at the identified lift points. DO NOT allow the lifting equipment or jacking equipment to contact any other vehicle components.

Failure to perform the previous steps could result in damage to the lifting equipment or the jacking equipment, the vehicle, and/or the vehicle's contents.

Notice: When you are jacking or lifting a vehicle at the frame side rails or other prescribed lift points, be certain that the lift pads do not contact the catalytic converter, the brake pipes or the fuel lines. If such contact occurs, vehicle damage or unsatisfactory vehicle performance may result.


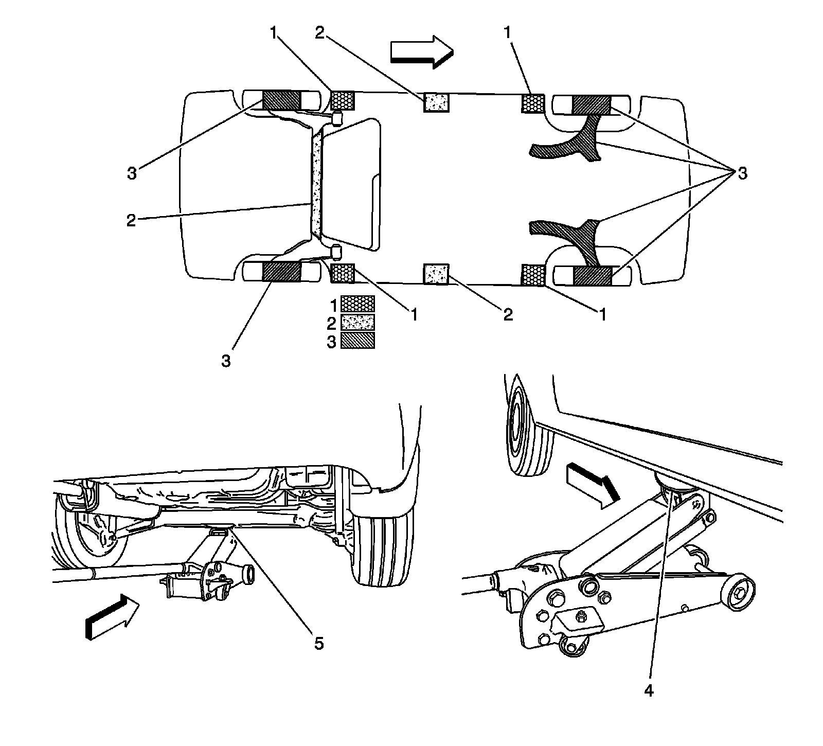
Lifting Points




1 - Frame Contact Hoist
1 - Frame Contact Hoist
1 - Frame Contact Hoist
1 - Frame Contact Hoist
2 - Floor Jack
2 - Floor Jack
2 - Floor Jack
3 - Suspension Contact Hoist
3 - Suspension Contact Hoist
3 - Suspension Contact Hoist
4 - Center Rocker Lift Point (Left Hand/Right Hand)
5 - Rear Suspension Axle Lift Point

Hoist Locations




1 - Frame Contact Hoist - Rearward of Front Tire
2 - Suspension Contact Hoist - Under Front Lower Control Arm
3 - Suspension Contact Hoist - Lifting on Rear Axle
4 - Frame Contact Hoist - Forward of Rear Tire