Operation CHARM: Car repair manuals for everyone.
Manuals through 2025 now available!

Our trusted friends have launched a new website named LEMON, which has newer manuals. It also contains all the CHARM manuals.

LEMON is the spiritual successor to CHARM, I recommend you try it!

Link: lemon-manuals.la or lemon-manuals.org.ua

(Some people have issue connecting. LEMON is investigating. For now, use Firefox or change your DNS server)

Or, hide this message: temporarily or permanently

Engine Controls Schematics - With Throttle Actuator Control



Engine Controls Schematics (MT34 w/Throttle Actuator Control)

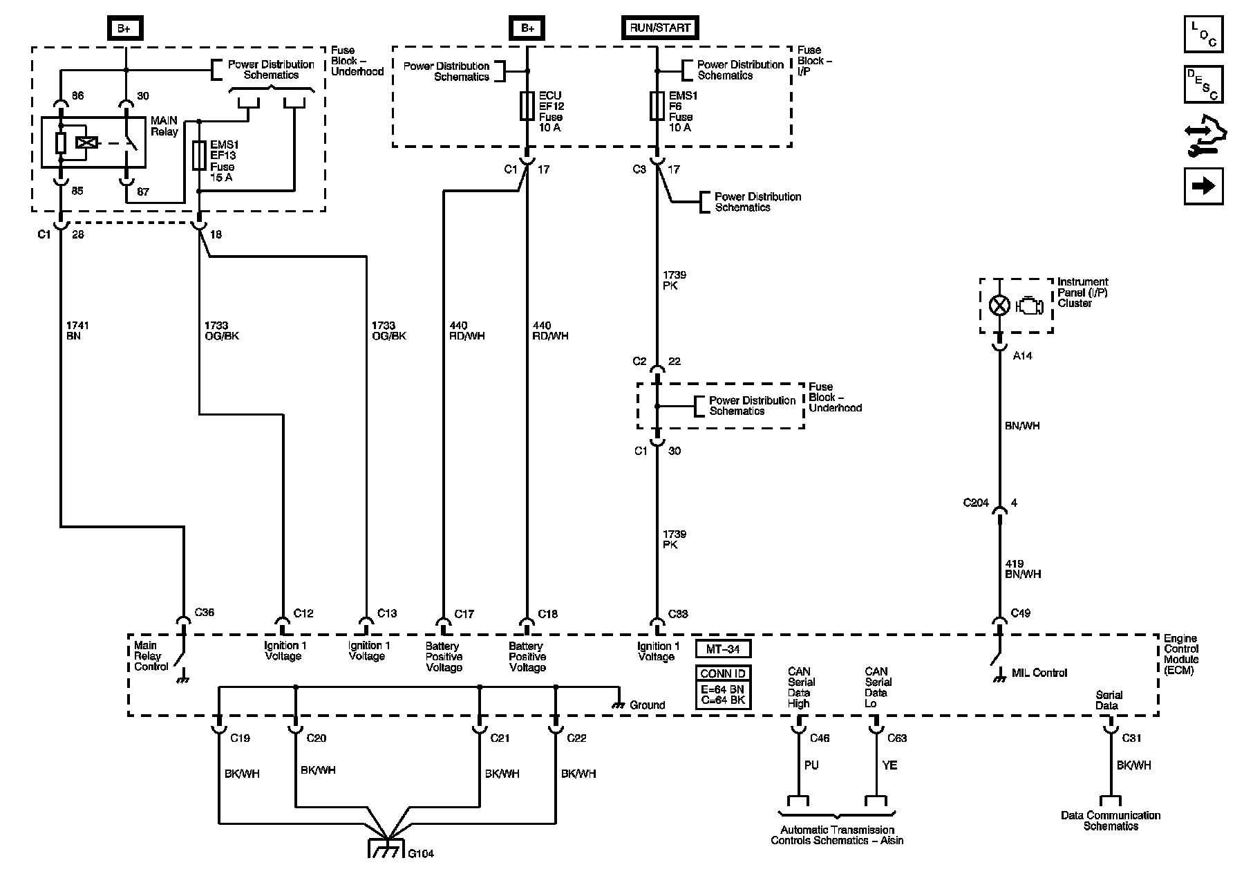
Engine Control Module Power, Ground, MIL

Powertrain Diagram 1 (MT34 W/Throttle Actuator Control):






ECT, IAT, MAP, Sensors, Intake Manifold Tuning Valve and Position Sensor, EGR Valve

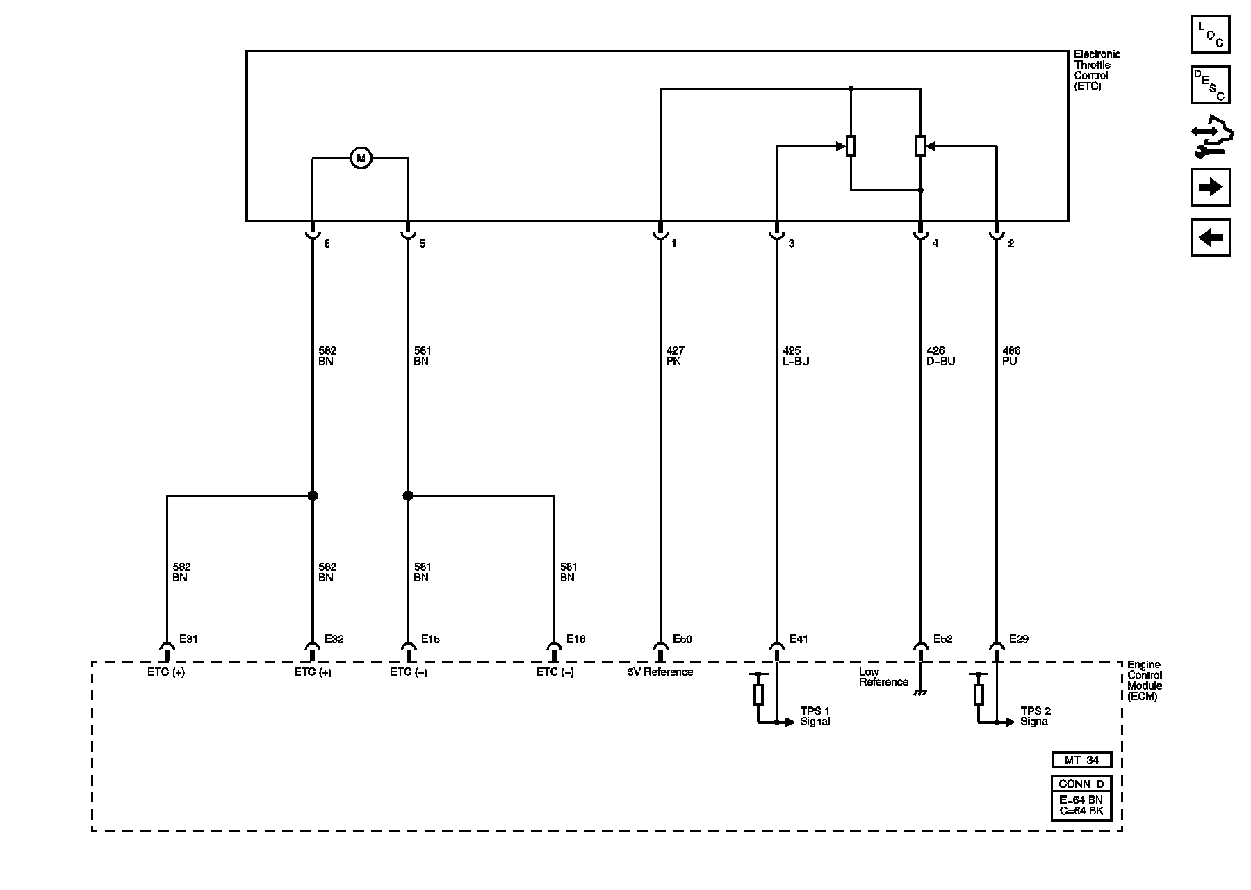
Powertrain Diagram 2 (MT34 W/Throttle Actuator Control):






Electronic Throttle Control (ETC)

Powertrain Diagram 3 (MT34 W/Throttle Actuator Control):






Accelerator Pedal Position (APP) Sensor, Cruise Control Switch

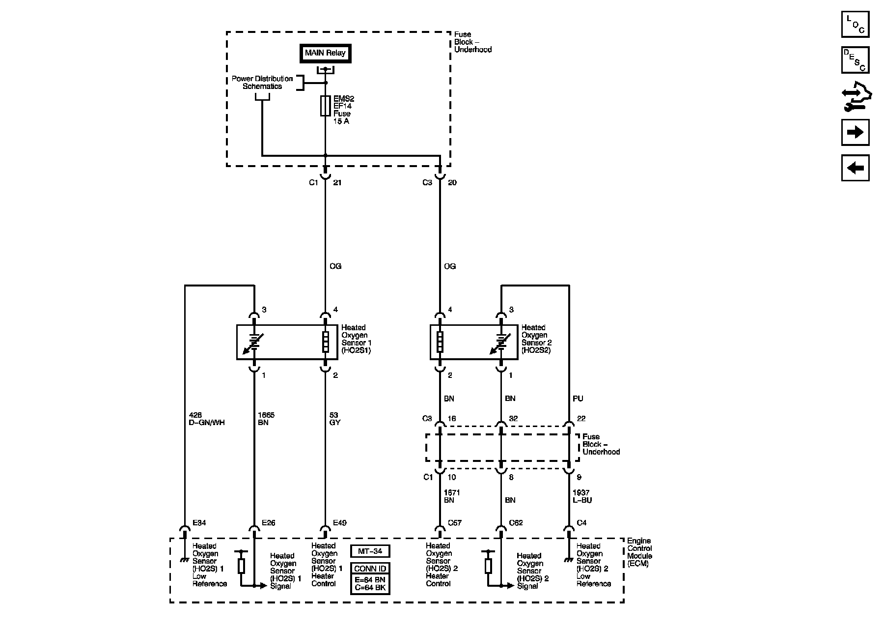
Powertrain Diagram 4 (MT34 W/Throttle Actuator Control):






Heated Oxygen Sensors (HO2S)

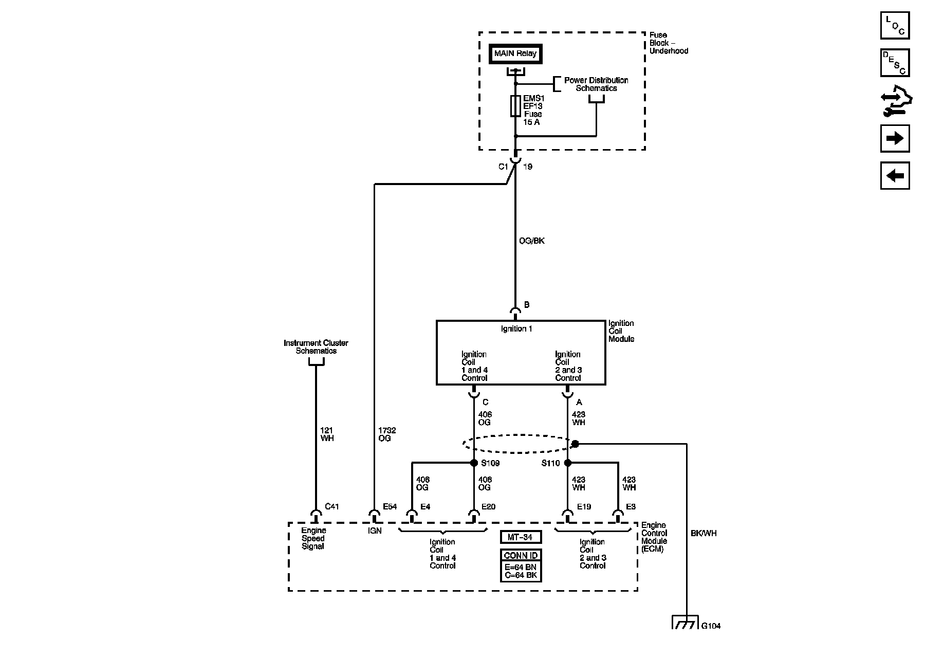
Powertrain Diagram 5 (MT34 W/Throttle Actuator Control):






Ignition Coil Module

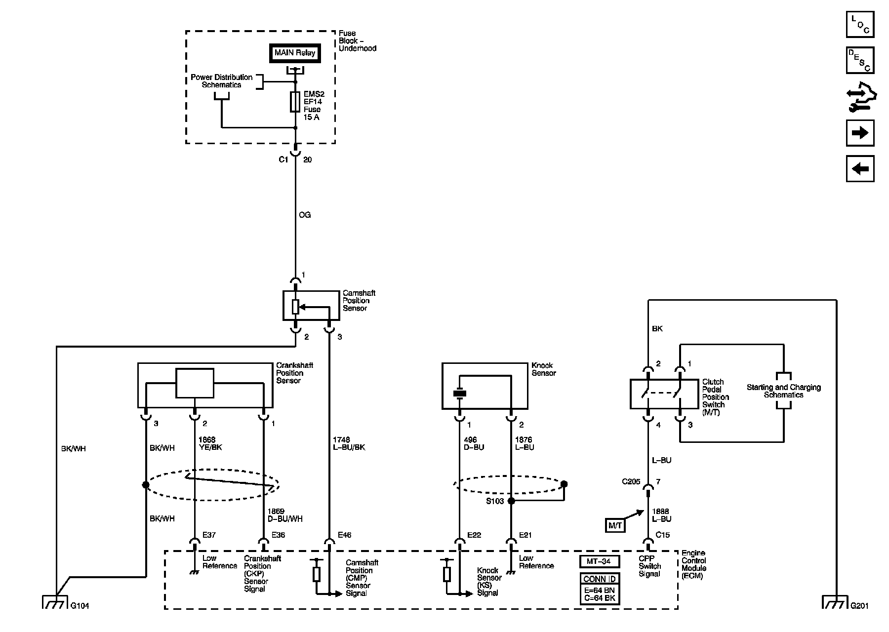
Powertrain Diagram 6 (MT34 W/Throttle Actuator Control):






CKP, CMP, Knock Sensors, Clutch Pedal Position Switch

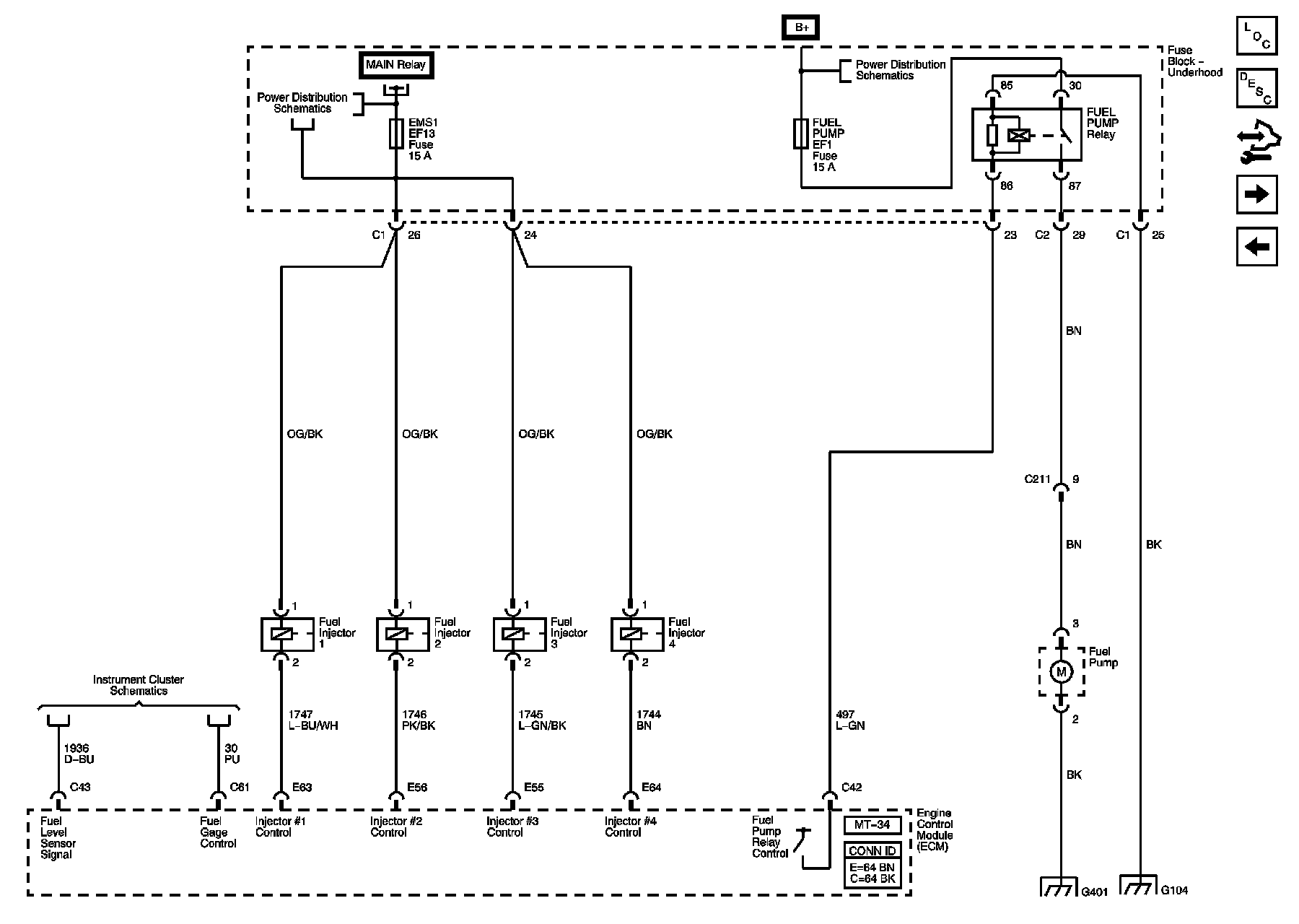
Powertrain Diagram 7 (MT34 W/Throttle Actuator Control):






Fuel Pump and Injectors

Powertrain Diagram 8 (MT34 W/Throttle Actuator Control):






EVAP Valves, FTP, Rough Road, A/C Refrigerant Pressure Sensors

Powertrain Diagram 9 (MT34 W/Throttle Actuator Control):






Controlled/Monitored Subsystem References

Powertrain Diagram 10 (MT34 W/Throttle Actuator Control):