Engine Controls Schematics - Without Throttle Actuator Control
Engine Controls Schematics (MR140 w/o Throttle Actuator Control)
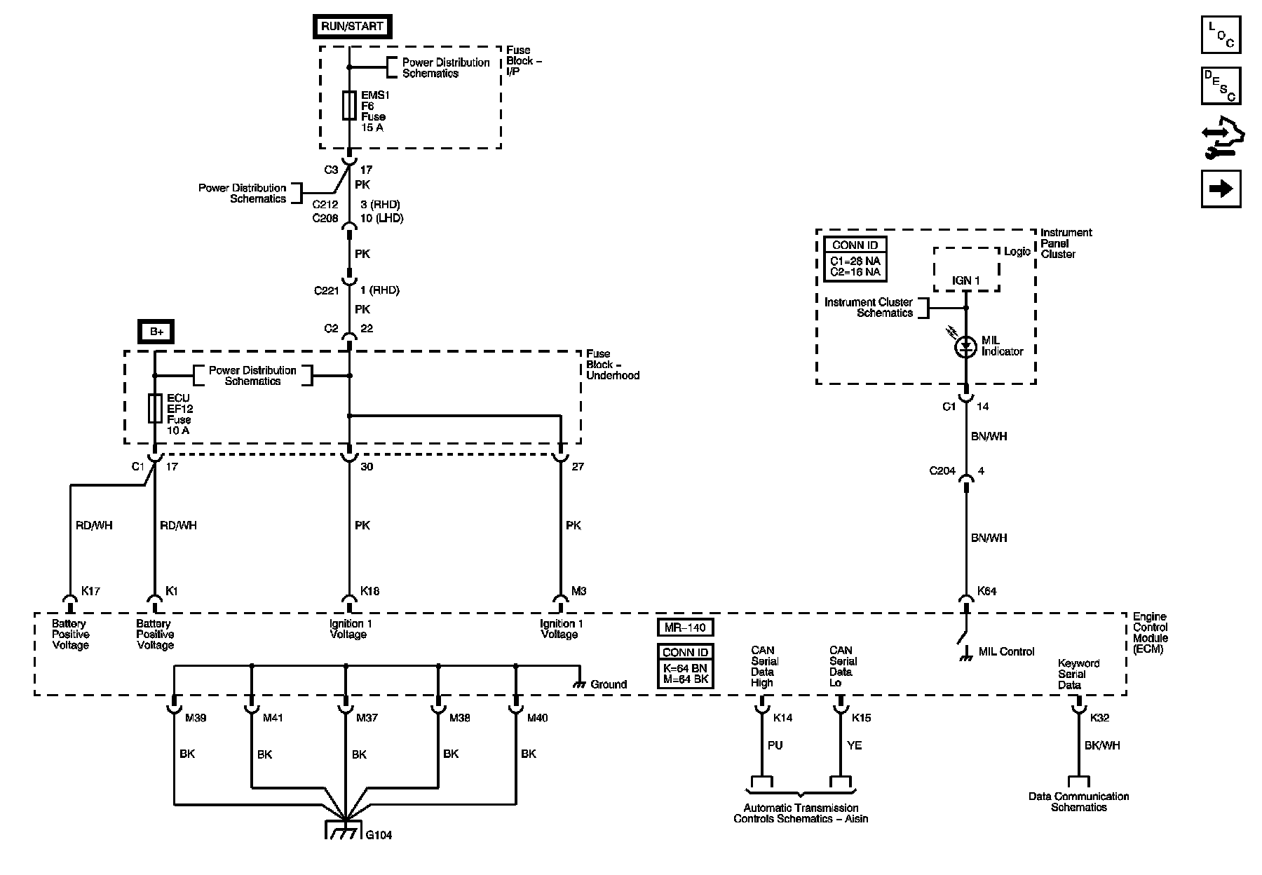
Engine Control Module (ECM) Power and Ground, Malfunction Indicator Lamp (MIL)
Powertrain Diagram 1 (MR140 W/o Throttle Actuator Control):
TP, ECT, IAT, Knock Sensors
Powertrain Diagram 2 (MR140 W/o Throttle Actuator Control):
Ignition Coil Module
Powertrain Diagram 3 (MR140 W/o Throttle Actuator Control):
Heated Oxygen Sensors
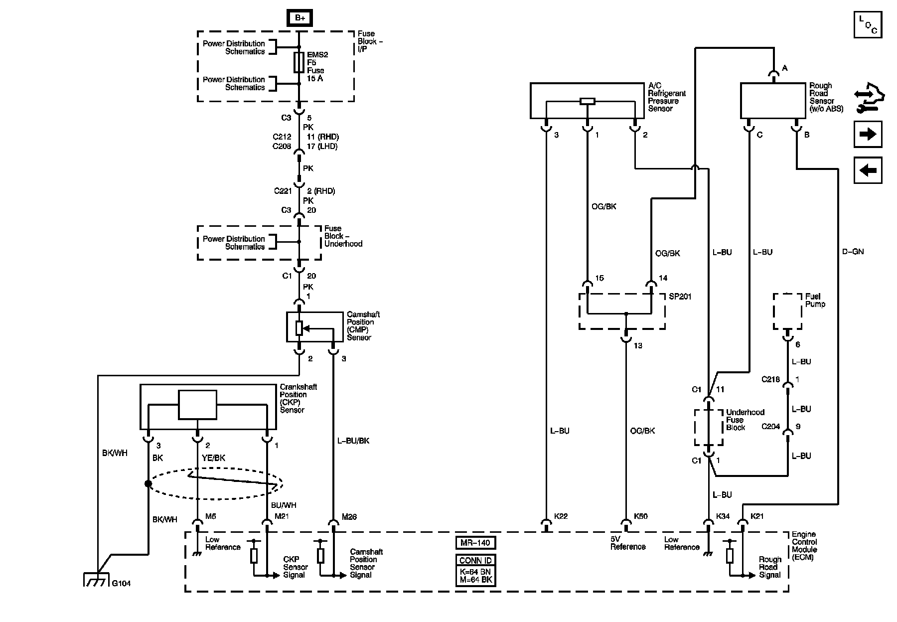
Powertrain Diagram 4 (MR140 W/o Throttle Actuator Control):
CKP, CMP, A/C Refrigerant, Rough Road Sensors and Fuel Pump
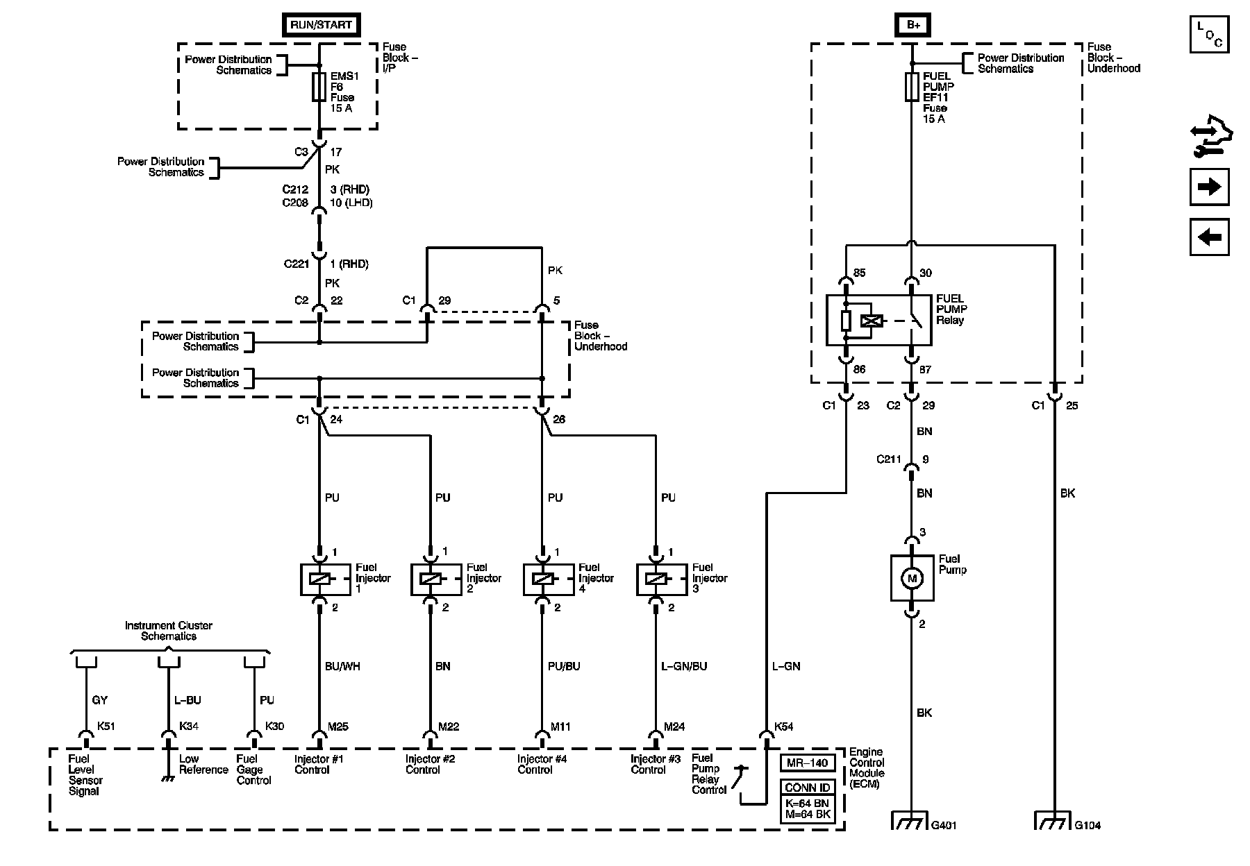
Powertrain Diagram 5 (MR140 W/o Throttle Actuator Control):
Fuel Pump Relay and Fuel Injectors
Powertrain Diagram 6 (MR140 W/o Throttle Actuator Control):
EVAP Canister Purge Solenoid Valve
Powertrain Diagram 7 (MR140 W/o Throttle Actuator Control):
IMT, EGR, IAC Valves, Map Sensor and Octane Selector Switch
Powertrain Diagram 8 (MR140 W/o Throttle Actuator Control):
ABS, I/P, Engine Cooling, HVAC Input/Outputs