Operation CHARM: Car repair manuals for everyone.
Manuals through 2025 now available!

Our trusted friends have launched a new website named LEMON, which has newer manuals. It also contains all the CHARM manuals.

LEMON is the spiritual successor to CHARM, I recommend you try it!

Link: lemon-manuals.la or lemon-manuals.org.ua

(Some people have issue connecting. LEMON is investigating. For now, use Firefox or change your DNS server)

Or, hide this message: temporarily or permanently

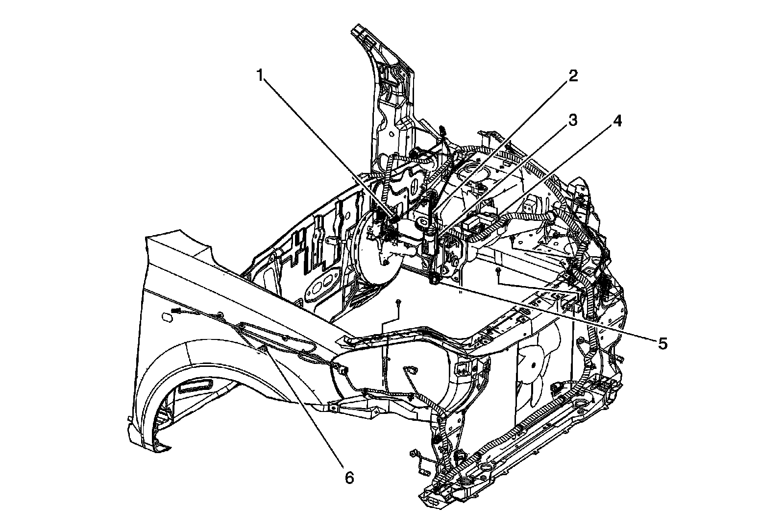
Antilock Brake System Component Views (Notchback)



Antilock Brake System Component Views (Notchback)




1 - Brake Fluid Sensor
2 - Front Wheel Speed Sensor - Left
3 - Electronic Brake Control Module (EBCM) and Brake Pressure Modulator Valve (BPMV)
4 - Engine Compartment Fuse Block
5 - Lamp Driver Module
6 - Front Wheel Speed Sensor - Right