Operation CHARM: Car repair manuals for everyone.
Manuals through 2025 now available!

Our trusted friends have launched a new website named LEMON, which has newer manuals. It also contains all the CHARM manuals.

LEMON is the spiritual successor to CHARM, I recommend you try it!

Link: lemon-manuals.la or lemon-manuals.org.ua

(Some people have issue connecting. LEMON is investigating. For now, use Firefox or change your DNS server)

Or, hide this message: temporarily or permanently

System Diagram



Engine Controls Schematics

Power, Ground, Serial Data, and MIL

Diagram 1:






Engine Data Sensors - 5-Volt and Low Reference

Diagram 2:






Engine Data Sensors - Pressure, Temperature, and Throttle Controls

Diagram 3:






Engine Data Sensors - Heated Oxygen Sensors

Diagram 4:






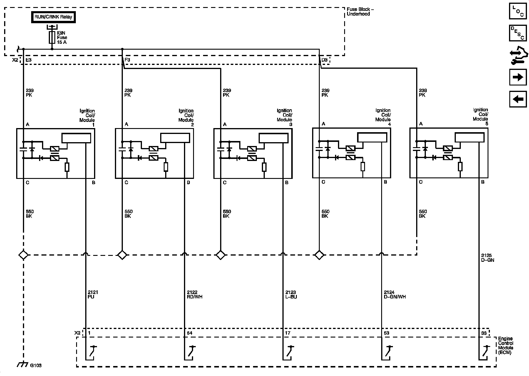
Ignition Controls - Ignition System Coils

Diagram 5:






Ignition Controls - Sensors

Diagram 6:






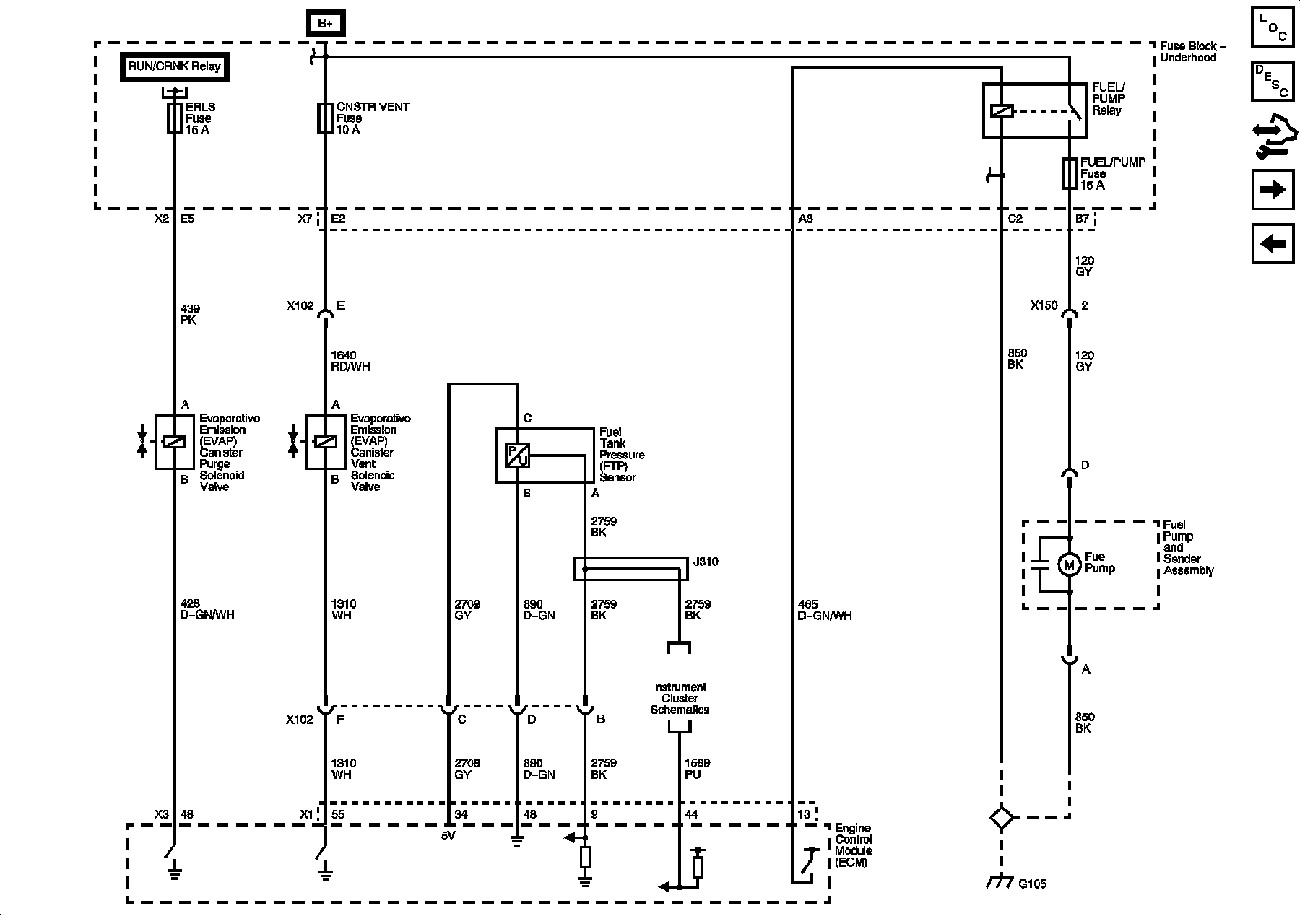
Fuel Controls - Fuel Pump Controls

Diagram 7:






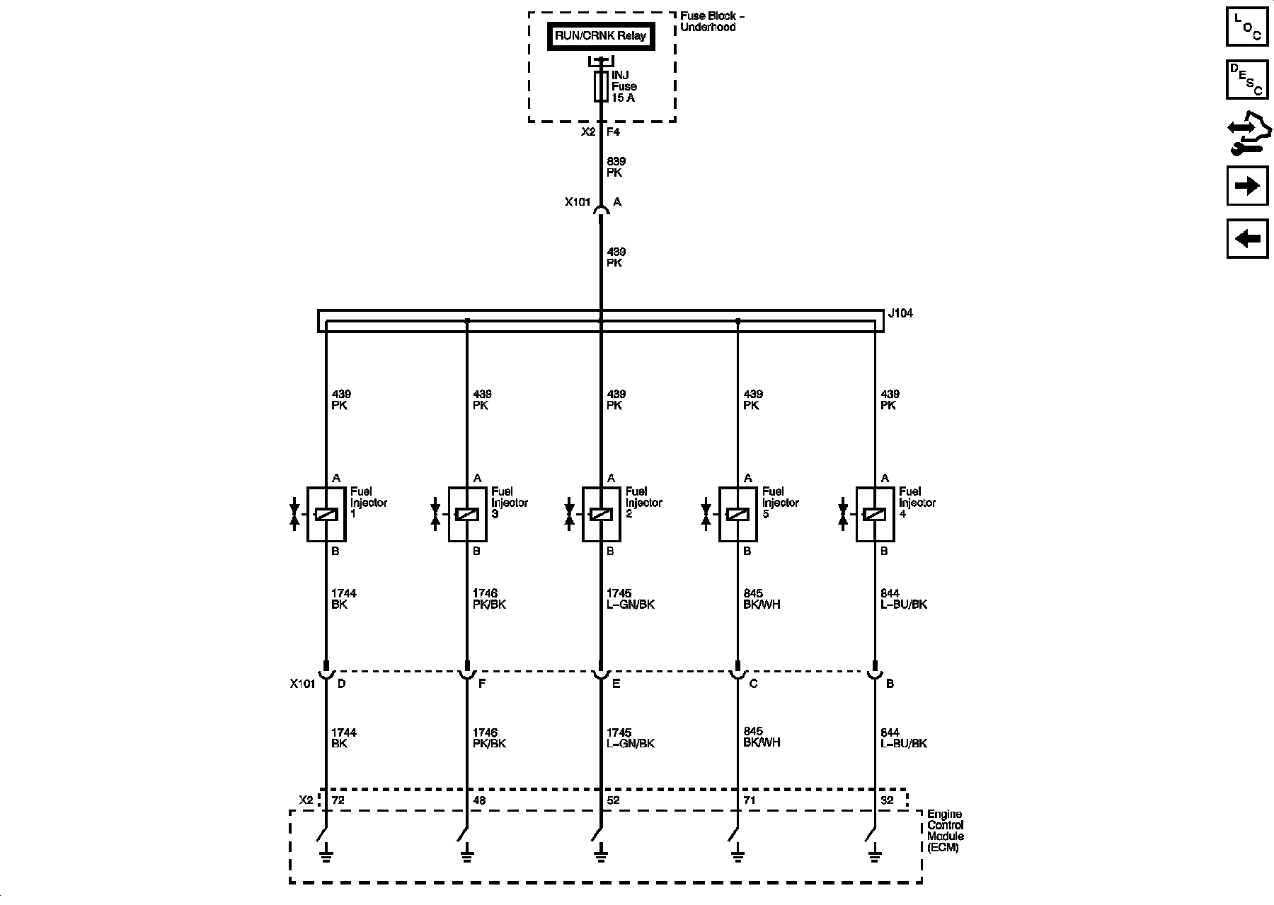
Fuel Controls - Fuel Injectors

Diagram 8:






Fuel Controls - EVAP

Diagram 9:






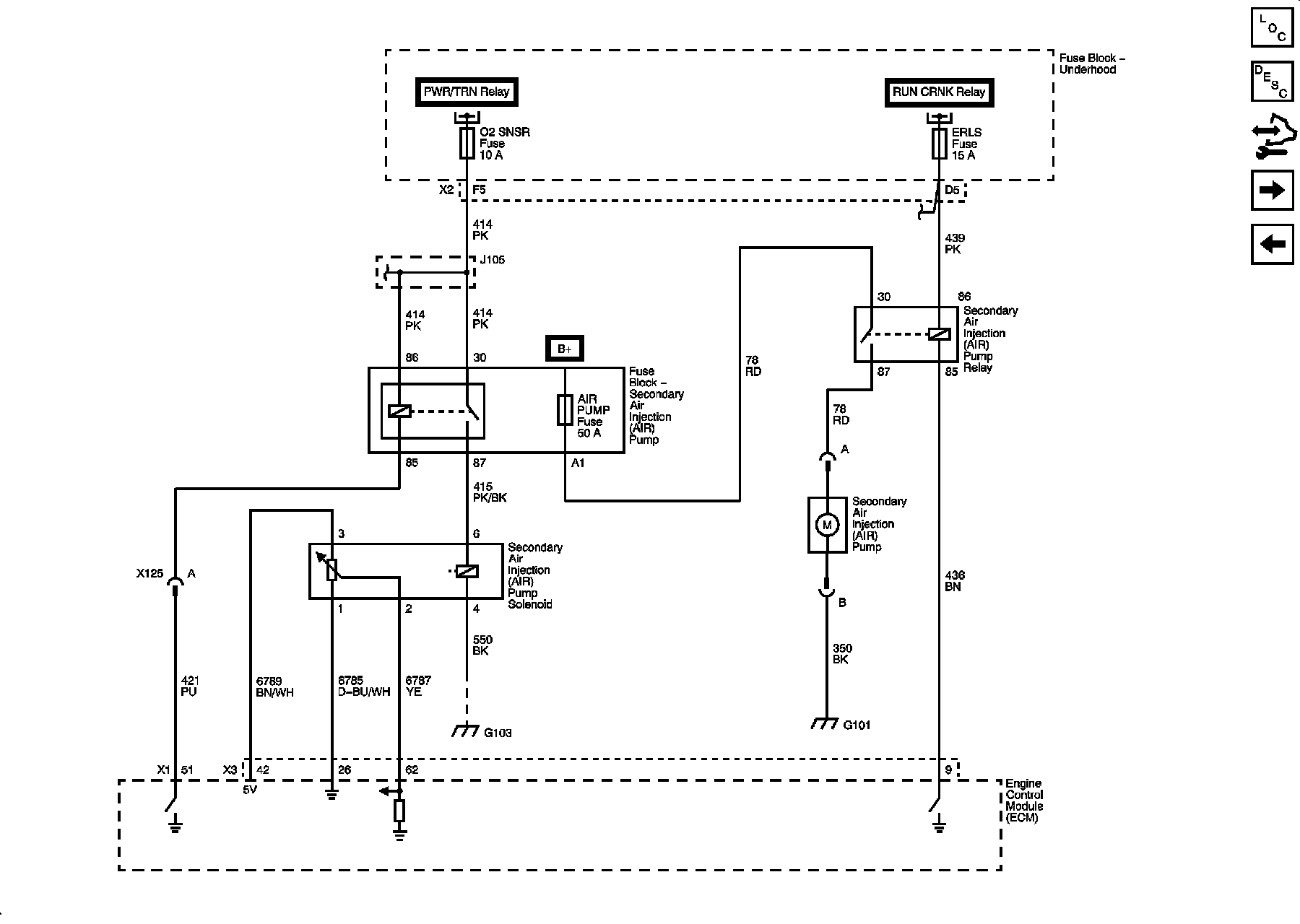
Device Controls - Secondary Air Injection K18

Diagram 10:






Controlled/Monitored Subsystem References

Diagram 11: