Operation CHARM: Car repair manuals for everyone.
Manuals through 2025 now available!

Our trusted friends have launched a new website named LEMON, which has newer manuals. It also contains all the CHARM manuals.

LEMON is the spiritual successor to CHARM, I recommend you try it!

Link: lemon-manuals.la or lemon-manuals.org.ua

(Some people have issue connecting. LEMON is investigating. For now, use Firefox or change your DNS server)

Or, hide this message: temporarily or permanently

Variable Valve Timing Solenoid: Service and Repair



Camshaft Position Actuator Solenoid Valve Replacement

Removal Procedure




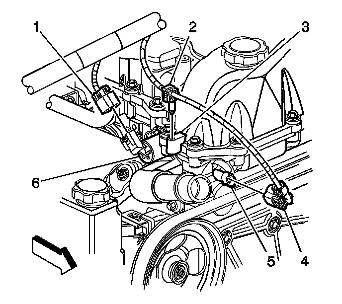
1. Disconnect the engine wiring harness electrical connector (1) from the camshaft position (CMP) actuator solenoid valve (6).




2. Remove the CMP actuator solenoid valve bolt (3).
3. Remove the CMP actuator solenoid valve (2) from the cylinder head.
Discard the O-ring seal.
4. Clean debris from the hole (1).

Installation Procedure




1. Install a new O-ring seal to the actuator solenoid valve (2).
2. Lightly lubricate the O-ring seal with clean engine oil.
3. Install the CMP actuator solenoid valve (2) into the cylinder head.

Notice: Refer to Fastener Notice (Fastener Notice) .

4. Install the camshaft position actuator solenoid valve bolt (3).

Tighten the CMP actuator solenoid valve bolt to 10 N.m (89 lb in).




5. Connect the engine wiring harness electrical connector (1) to the CMP actuator solenoid valve (6).