Operation CHARM: Car repair manuals for everyone.
Manuals through 2025 now available!

Our trusted friends have launched a new website named LEMON, which has newer manuals. It also contains all the CHARM manuals.

LEMON is the spiritual successor to CHARM, I recommend you try it!

Link: lemon-manuals.la or lemon-manuals.org.ua

(Some people have issue connecting. LEMON is investigating. For now, use Firefox or change your DNS server)

Or, hide this message: temporarily or permanently

Air Injection Pump: Service and Repair



Secondary Air Injection Pump Replacement

Removal Procedure




1. Open the hood.
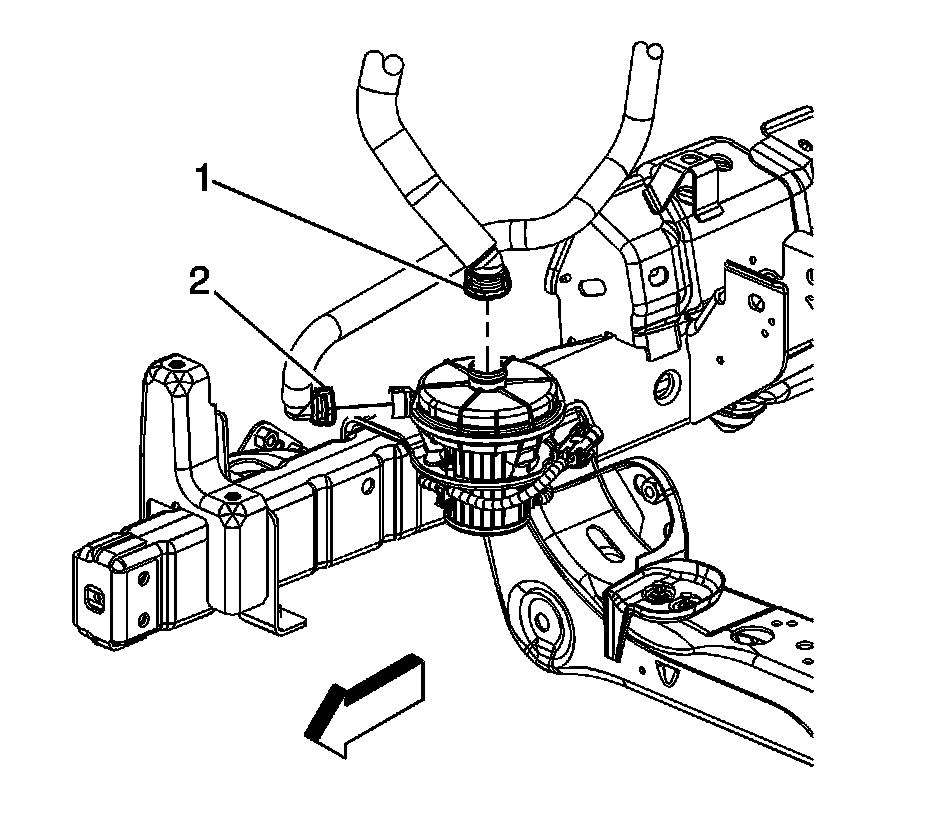
2. From under the hood, disconnect the secondary air injection (AIR) pump inlet hose quick connect fitting (1) from the pump. Refer to Plastic Collar Quick Connect Fitting Service (Plastic Collar Quick Connect Fitting Service) .
3. Disconnect the AIR pump outlet hose quick connect fitting (2) from the pump. Refer to Plastic Collar Quick Connect Fitting Service (Plastic Collar Quick Connect Fitting Service) .
4. Remove the engine shield. Refer to Engine Protection Shield Replacement (Service and Repair) .




5. Disconnect the engine wiring harness electrical connector from the AIR pump wiring harness electrical connector.




6. Squeeze the AIR pump wiring harness electrical connector clip (1) together and push up in order to separate the clip/connector from the bracket.
7. Open the AIR pump wiring harness clip (2) and remove the harness from the clip.




8. Remove the AIR pump nuts (1).
9. Lower the vehicle.
10. Reposition the AIR pump inlet and outlet hoses as necessary in order to remove the pump.
11. Remove the AIR pump.

Installation Procedure




1. Install the AIR pump.
2. Raise and suitably support the vehicle. Refer to Lifting and Jacking the Vehicle (Service and Repair) .

Notice: Refer to Fastener Notice (Fastener Notice) .

3. Install the AIR pump nuts (1).

Tighten the nuts to 9 N.m (80 lb in).




4. Install the AIR pump wiring harness electrical connector clip (1) to the bracket.
5. Install the AIR pump wiring harness to the clip (2) and close the clip.




6. Connect the engine wiring harness electrical connector to the AIR pump wiring harness electrical connector.
7. Install the engine shield. Refer to Engine Protection Shield Replacement (Service and Repair) .




8. Position the AIR pump inlet and outlet hoses as necessary.
9. Connect the AIR pump outlet hose quick connect fitting (2) to the pump. Refer to Plastic Collar Quick Connect Fitting Service (Plastic Collar Quick Connect Fitting Service) .
10. Connect the AIR pump inlet hose quick connect fitting (1) to the pump. Refer to Plastic Collar Quick Connect Fitting Service (Plastic Collar Quick Connect Fitting Service) .
11. Close the hood.