Operation CHARM: Car repair manuals for everyone.
Manuals through 2025 now available!

Our trusted friends have launched a new website named LEMON, which has newer manuals. It also contains all the CHARM manuals.

LEMON is the spiritual successor to CHARM, I recommend you try it!

Link: lemon-manuals.la or lemon-manuals.org.ua

(Some people have issue connecting. LEMON is investigating. For now, use Firefox or change your DNS server)

Or, hide this message: temporarily or permanently

Wheels/Vehicle Underbody Component Views



Wheels/Vehicle Underbody Component Views

Front Frame and Underbody Components




1 - Wheel Speed Sensor (WSS) - Right Front
2 - Suspension Damper Solenoid - Right Front (Z55)
3 - Suspension Position Sensor - Right Front (Z55)
4 - Suspension Position Sensor - Left Front (Z55)
5 - Suspension Damper Solenoid - Left Front (Z55)
6 - Wheel Speed Sensor (WSS) - Left Front
7 - Frame

Front Frame and Underbody Components (NP8)

Front Axle (NP8):




1 - Frame
2 - X110
3 - Front Axle Housing
4 - Front Axle Actuator

Front Frame and Underbody Components (BRS)




1 - Front Exhaust
2 - Transmission
3 - Running Board - Right
4 - Assist Step Control Module
5 - Running Board - Left

Frame and Underbody Components (HP2)




1 - Trailer Connector
2 - Evaporative Emissions (EVAP) Canister Vent Solenoid Valve
3 - Electronic Brake Control Module (EBCM)
4 - Brake Pressure Sensor
5 - Fuel Line Pressure Sensor
6 - Fuel Tank Pressure (FTP) Sensor
7 - Fuel Pump and Sender Assembly
8 - Fuel System Control Module

Left Side Frame and Underbody Components

Left Side Frame and Underbody:




1 - Gas Tank
2 - Electronic Brake Control Module (EBCM)
3 - Chassis

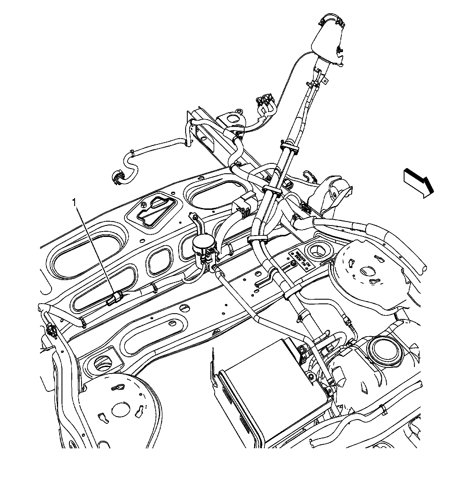
Rear Chassis Crossmember Components (Short Wheel Base)




1 - Terminator Resistor

Rear Chassis Crossmember Components (Long Wheel Base +NQZ)




1 - Terminator Resistor

Rear Chassis Crossmember Components (Long Wheel Base -NQZ)




1 - Terminator Resistor

Left Rear Frame and Underbody Components (Short Wheel Base)




1 - Chassis
2 - Evaporative Emissions (EVAP) Canister Vent Solenoid Valve
3 - Fuel Tank Pressure (FTP) Sensor
4 - Fuel Pump and Sender Assembly

Left Rear Frame and Underbody Components (Long Wheel Base)




1 - Fuel Pump and Sender Assembly - Front
2 - Fuel Tank Pressure (FTP) Sensor
3 - Fuel Pump and Sender Assembly - Rear (-NQZ)
4 - EVAP Canister
5 - Evaporative Emission (EVAP) Canister Vent Solenoid Valve
6 - Electronic Suspension Control (ESC) Module (Z55/G69)

Rear Frame and Underbody Components - 1 of 2

Above the Spare Tire:




1 - Right Rear Coil Spring
2 - Electronic Suspension Control (ESC) Module (Z55/G69)
3 - Chassis

Rear Frame and Underbody Components - 2 of 2




1 - Suspension Position Sensor - Left Rear (Z55/G69)
2 - Suspension Position Sensor - Right Rear (Z55/G69)
3 - Frame
4 - Wheel Speed Sensor (WSS) - Right Rear
5 - Suspension Damper Solenoid - Right Rear (Z55)
6 - Automatic Level Control (ALC) Air Compressor Assembly (Z55)
7 - Suspension Damper Solenoid - Left Rear (Z55)
8 - Wheel Speed Sensor (WSS) - Left Rear