Operation CHARM: Car repair manuals for everyone.
Manuals through 2025 now available!

Our trusted friends have launched a new website named LEMON, which has newer manuals. It also contains all the CHARM manuals.

LEMON is the spiritual successor to CHARM, I recommend you try it!

Link: lemon-manuals.la or lemon-manuals.org.ua

(Some people have issue connecting. LEMON is investigating. For now, use Firefox or change your DNS server)

Or, hide this message: temporarily or permanently

Electrical Diagrams



Engine Controls Schematics

Module Power, Ground, Serial Data, and MIL

Engine Controls Diagram 1:






Engine Data Sensors - 5-Volt and Low Reference

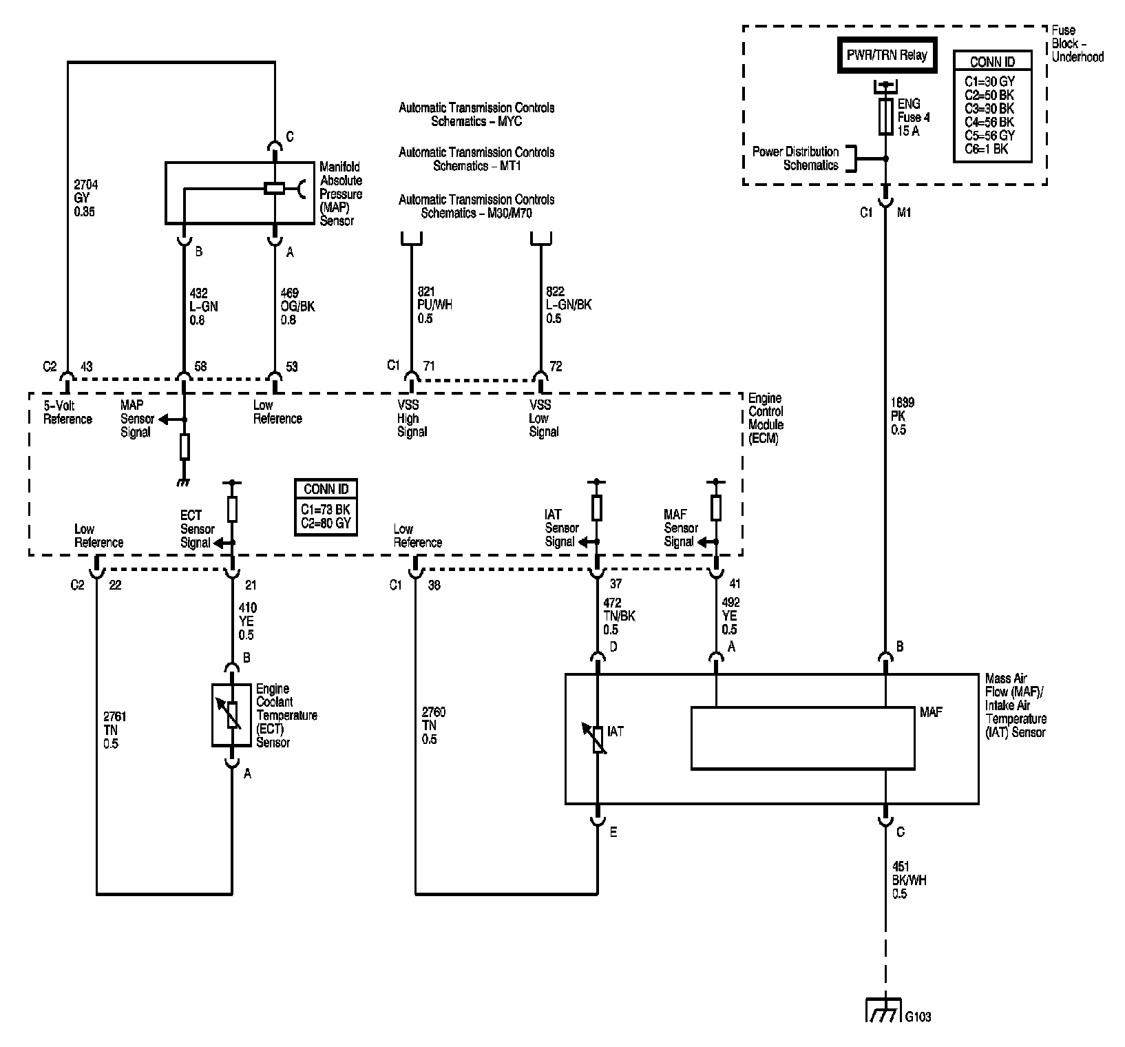
Engine Controls Diagram 2:






Engine Data Sensors - Pressure and Temperature

Engine Controls Diagram 3:






Engine Data Sensors - Oxygen Sensors

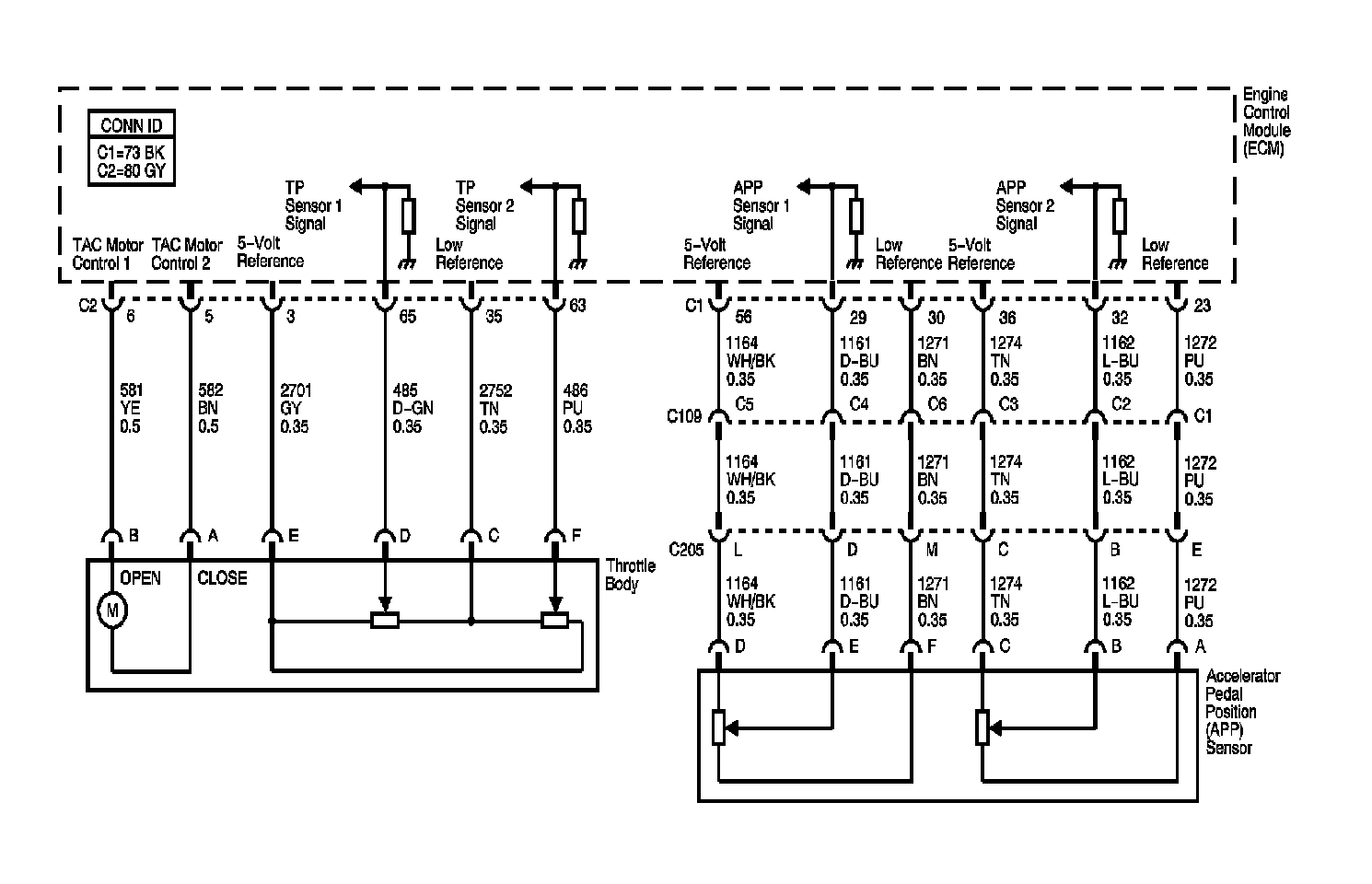
Engine Controls Diagram 4:






Engine Data Sensors - Throttle Controls

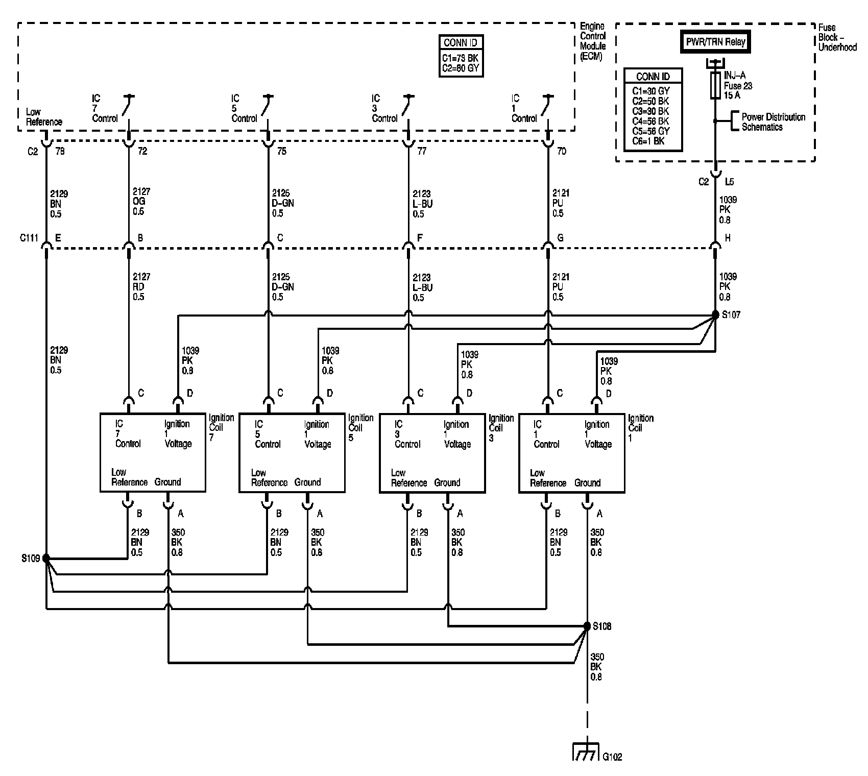
Engine Controls Diagram 5:






Ignition Controls - Ignition System Coils 1, 3, 5, and 7

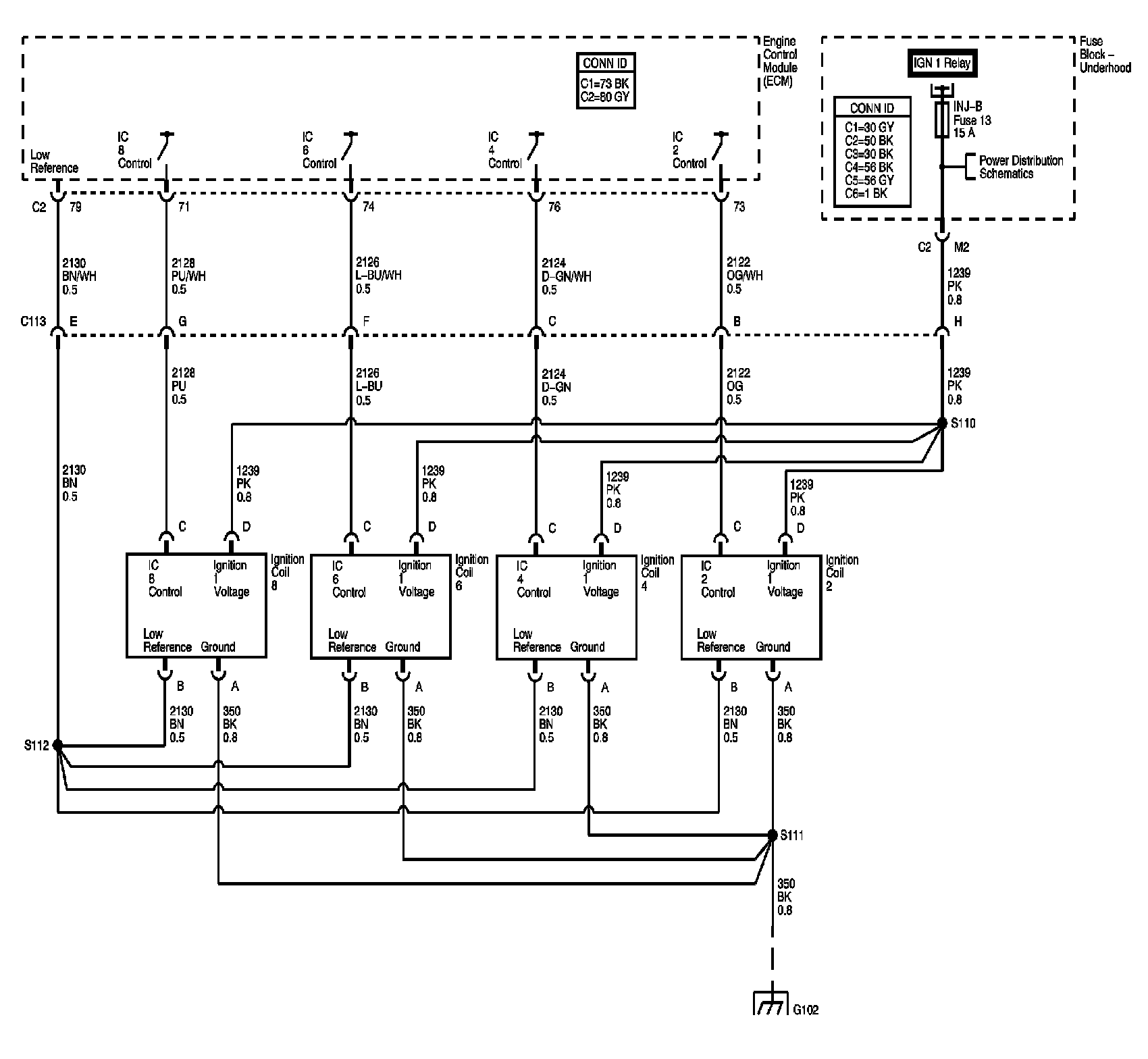
Engine Controls Diagram 6:






Ignition Controls - Ignition System Coils 2, 4, 6, and 8

Engine Controls Diagram 7:






Ignition Controls - Sensors and Active Fuel Management (AFM) Controls

Engine Controls Diagram 8:






Fuel Controls - Fuel Pump Controls

Engine Controls Diagram 9:






Fuel Pump Controls - FSCM

Engine Controls Diagram 10:






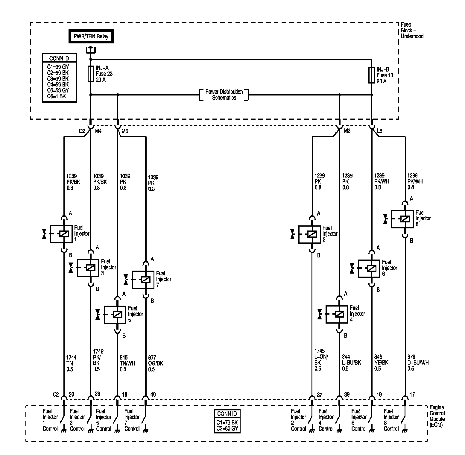
Fuel Controls - Fuel Injectors

Engine Controls Diagram 11:






Fuel Controls - EVAP Controls

Engine Controls Diagram 12:






Controlled/Monitored Subsystem References

Engine Controls Diagram 13: