Operation CHARM: Car repair manuals for everyone.
Manuals through 2025 now available!

Our trusted friends have launched a new website named LEMON, which has newer manuals. It also contains all the CHARM manuals.

LEMON is the spiritual successor to CHARM, I recommend you try it!

Link: lemon-manuals.la or lemon-manuals.org.ua

(Some people have issue connecting. LEMON is investigating. For now, use Firefox or change your DNS server)

Or, hide this message: temporarily or permanently

Intake Manifold Replacement



Intake Manifold Replacement (6.0L)

Removal Procedure

Important: The intake manifold, throttle body, fuel rail, and injectors may be removed as an assembly. If not servicing the individual components, remove the manifold as a complete assembly.







1. Disconnect the negative battery cable. Refer to Battery Negative Cable Disconnection and Connection .
2. Relieve the fuel system pressure. Refer to Fuel Pressure Relief (With CH 48027) Fuel Pressure Relief (Without CH 48027) .
3. Disconnect the engine wiring harness electrical connector (3) from the air conditioning (A/C) compressor pressure switch.




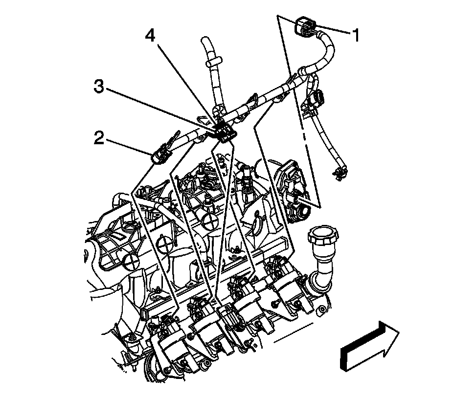
4. Disconnect the engine harness wiring harness electrical connector (1) from the mass air flow (MAF) intake air temperature (IAT) sensor.




5. Disconnect the engine wiring harness electrical connector (1) from the electronic throttle control (ETC).
6. Remove the right side connector position assurance (CPA) retainer (4) from the engine wiring harness main ignition coil electrical connector.
7. Disconnect the right side engine wiring harness electrical connector (3) from the main ignition coil electrical connector.
8. Disconnect the right side engine wiring harness electrical connectors (2) from the fuel injectors.




9. Perform the following steps in order to disconnect the fuel injector electrical connectors:

1. Mark the connectors to their corresponding injectors to ensure correct reassembly.
2. Pull the CPA retainer (2) on the connector up one click.
3. Push the tab (1) on the connector in.
4. Disconnect the fuel injector electrical connector.
5. Repeat the steps for each injector electrical connector.





10. Remove the left side CPA retainer (3) from the engine wiring harness main ignition coil electrical connector.
11. Disconnect the left side engine wiring harness electrical connector (2) from the main ignition coil electrical connector.
12. Disconnect the left side engine wiring harness electrical connectors (1) from the fuel injectors.




13. Perform the following steps in order to disconnect the fuel injector electrical connectors:

1. Mark the connectors to their corresponding injectors to ensure correct reassembly.
2. Pull the CPA retainer (2) on the connector up one click.
3. Push the tab (1) on the connector in.
4. Disconnect the fuel injector electrical connector.
5. Repeat the steps for each injector electrical connector.





14. Disconnect the engine wiring harness electrical connector from the generator.




15. Disconnect the engine wiring harness electrical connector (1) from the manifold absolute pressure (MAP) sensor.
16. Disconnect the engine wiring harness electrical connector (2) from the evaporative emission (EVAP) canister purge solenoid valve.




17. Remove the positive crankcase ventilation (PCV) hose.




18. Remove the EVAP purge solenoid vent tubes (1, 2). Refer to Plastic Collar Quick Connect Fitting Service .




19. Disconnect the fuel feed pipe (3) from the fuel rail (2). Refer to Metal Collar Quick Connect Fitting Service .
20. Reposition the vacuum brake booster hose clamp at the brake booster.
21. Remove the vacuum brake booster hose from the brake booster.




22. Remove the engine wire harness retainer nut.
23. Reposition the upper engine wire harness aside.




24. Remove the drive belt. Refer to Drive Belt Replacement - Accessory (Drive Belt Replacement - Accessory) .
25. Remove the right generator bolt.
26. Loosen the left generator bolt and reposition the generator to the left.




27. Remove the intake manifold bolts (512).
28. Remove the intake manifold.




29. Remove the intake manifold gaskets (514) from the intake manifold.
30. Discard the old intake manifold gaskets.
31. If necessary, clean and inspect the intake manifold. Refer to Intake Manifold Cleaning and Inspection (5.3L) (Overhaul)Intake Manifold Cleaning and Inspection (6.0L) (Overhaul) .



Installation Procedure





1. Install NEW intake manifold gaskets (514) to the intake manifold.




2. Install the intake manifold.
3. Apply a 5 mm (0.2 in) bead threadlock to the threads of the intake manifold bolts (512). Refer to Sealers, Adhesives, and Lubricants (Specifications) .





Notice: Refer to Fastener Notice .

4. Install the intake manifold bolts.

1. Tighten the bolts a first pass in sequence to 5 N.m (44 lb in).
2. Tighten the bolts a final pass in sequence to 10 N.m (89 lb in).






5. Position the generator and install the right generator bolt.
6. Tighten the left generator bolt.

Tighten the bolts to 50 N.m (37 lb ft).

7. Install the drive belt. Refer to Drive Belt Replacement - Accessory (Drive Belt Replacement - Accessory) .




8. Route the electrical harness into position over the engine.
9. Install the engine harness bracket nut.

Tighten the nut to 10 N.m (89 lb in).





10. Install the vacuum brake booster hose to the brake booster.
11. Position the vacuum brake booster hose clamp at the brake booster.
12. Connect the fuel feed pipe (3) to the fuel rail (2). Refer to Metal Collar Quick Connect Fitting Service .




13. Install the EVAP purge solenoid vent tubes (1, 2). Refer to Plastic Collar Quick Connect Fitting Service .




14. Install the PCV hose.




15. Connect the engine wiring harness electrical connector (1) to the MAP sensor.
16. Connect the engine wiring harness electrical connector (2) to the EVAP canister purge solenoid valve.




17. Connect the engine wiring harness electrical connector to the generator.




18. Connect the left side engine wiring harness electrical connector (2) to the main ignition coil electrical connector.
19. Install the left side CPA retainer (3) to the engine wiring harness main ignition coil electrical connector.
20. Connect the left side engine wiring harness electrical connectors (1) to the fuel injectors.




21. Perform the following steps in order to connect the fuel injector electrical connectors:

1. Install the connectors to their corresponding injectors to ensure correct reassembly.
2. Connect the fuel injector electrical connector.
3. Push the CPA retainer (2) on the connector in one click.
4. Repeat the steps for each injector electrical connector.





22. Connect the engine wiring harness electrical connector (1) to the ETC.
23. Connect the right side engine wiring harness electrical connector (3) to the main ignition coil electrical connector.
24. Install the right side CPA retainer (4) to the engine wiring harness main ignition coil electrical connector.
25. Connect the right side engine wiring harness electrical connectors (2) to the fuel injectors.




26. Perform the following steps in order to connect the fuel injector electrical connectors:

1. Install the connectors to their corresponding injectors to ensure correct reassembly.
2. Connect the fuel injector electrical connector.
3. Push the CPA retainer (2) on the connector in one click.
4. Repeat the steps for each injector electrical connector.





27. Connect the engine harness wiring harness electrical connector (1) to the MAF/IAT sensor.




28. Connect the engine wiring harness electrical connector (3) to the A/C compressor pressure switch.
29. Install the fuel fill cap.
30. Connect the negative battery cable. Refer to Battery Negative Cable Disconnection and Connection .
31. Use the following procedure in order to inspect for leaks:

1. Turn the ignition ON, with the engine OFF, for 2 seconds.
2. Turn the ignition OFF for 10 seconds.
3. Turn the ignition ON, with the engine OFF.
4. Inspect for fuel leaks.