Operation CHARM: Car repair manuals for everyone.
Manuals through 2025 now available!

Our trusted friends have launched a new website named LEMON, which has newer manuals. It also contains all the CHARM manuals.

LEMON is the spiritual successor to CHARM, I recommend you try it!

Link: lemon-manuals.la or lemon-manuals.org.ua

(Some people have issue connecting. LEMON is investigating. For now, use Firefox or change your DNS server)

Or, hide this message: temporarily or permanently

Upper Intake Manifold Replacement



Upper Intake Manifold Replacement

Removal Procedure




1. Disconnect the negative battery cable. Refer to Battery Negative Cable Disconnection and Connection (Service and Repair).
2. Remove the intake manifold cover. Refer to Intake Manifold Cover Replacement (Service and Repair).
3. Drain the cooling system. Refer to Cooling System Draining and Filling (Static Fill LZ9) (Service and Repair)Cooling System Draining and Filling (Vac-N-Fill) (Service and Repair).
4. Remove the positive crankcase ventilation (PCV) fresh air tube. Refer to Plastic Collar Quick Connect Fitting Service (Plastic Collar Quick Connect Fitting Service).




5. Remove the PCV foul air tube. Refer to Plastic Collar Quick Connect Fitting Service (Plastic Collar Quick Connect Fitting Service).
6. Reposition the brake booster vacuum hose clamp at the intake manifold.
7. Remove the vacuum hose from the intake manifold.




8. Disconnect the engine harness electrical connector (1) from the manifold absolute pressure (MAP) sensor.




9. Disconnect the engine harness electrical connectors (1, 2) from the following: electrical connector (1).

* The evaporative emission (EVAP) canister purge solenoid
* The electronic throttle control (ETC)




10. Disconnect the engine harness electrical connector (1) from the intake manifold tuning valve.




11. Remove the air cleaner outlet duct. Refer to Air Cleaner Outlet Duct Replacement (Air Cleaner Outlet Duct Replacement).
12. Disconnect the left side spark plug wires from the spark plugs.
13. Disconnect the left side spark plug wires from the ignition control module.
14. Disengage the spark plug wire retainer clips from the intake manifold bracket and the heater inlet/outlet pipe.
15. Remove the left side spark plug wires.




16. Remove the heater inlet and outlet pipe nuts (1) from the throttle body studs.
17. Remove the inlet and outlet pipe from the studs.




18. Remove the nut from the generator bracket to the intake manifold.
19. Remove the bolt connecting the generator to the bracket and the generator to the intake manifold.
20. Remove the bracket.
21. Remove the bolt holding the transmission dipstick tube to the upper intake manifold.
22. Remove the ignition coils. Refer to Ignition Coil Replacement (Service and Repair).
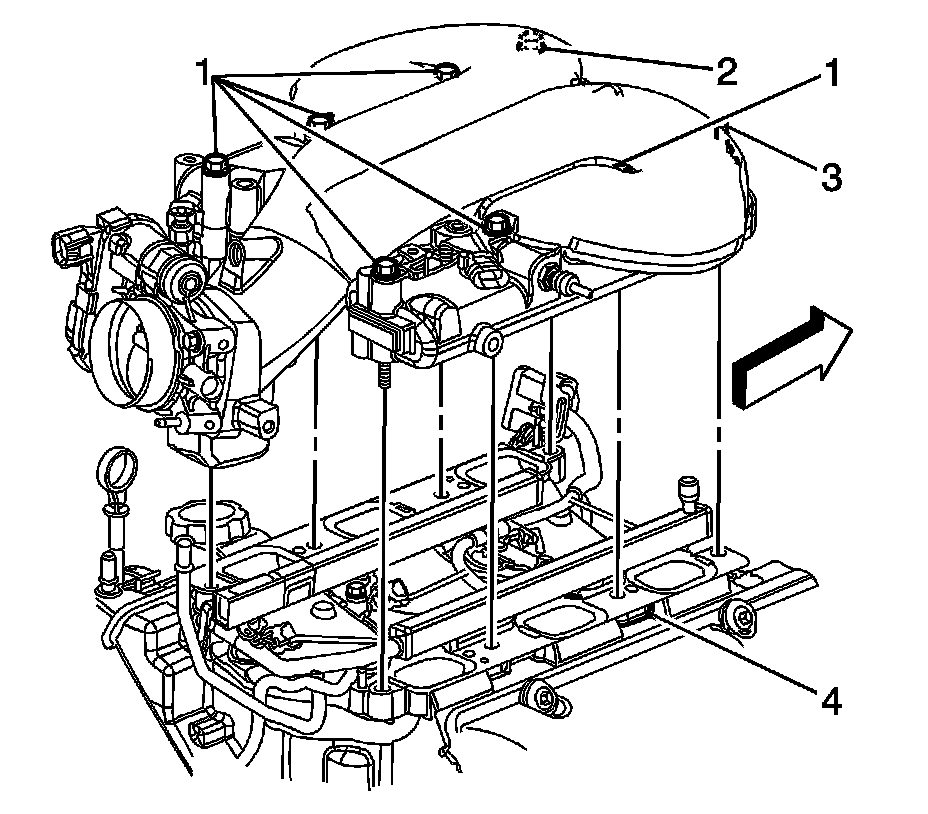
23. Remove the upper intake manifold bolts (1, 2) and stud (3).
24. Separate and remove the upper intake manifold from the lower intake manifold.




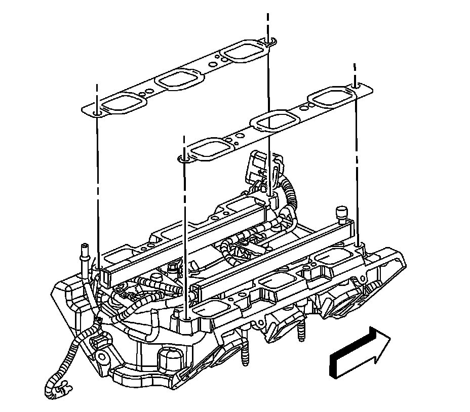
25. Remove the upper to lower intake manifold gaskets.




26. Remove the inlet manifold tuning valve bolts and valve.




27. Remove the EVAP canister purge solenoid valve bolt (2) and valve (3).
28. Remove the MAP sensor bracket bolts, bracket and sensor (1).
29. Remove the throttle body bolts/studs and throttle body.
30. Clean the upper intake to lower intake gasket mating surfaces.




31. Inspect the intake manifold tuning valve seal for damage. The tuning valve blade attachment to the motor should be tight, with no looseness or slack present. Replace as necessary.
32. Apply lubricant to the nose of the valve blade (1). Refer to Sealers, Adhesives, and Lubricants (Specifications).

Installation Procedure





Notice: Refer to Fastener Notice (Fastener Notice).

1. Install the inlet manifold tuning valve, and bolts.

Tighten the bolts to 10 N.m (89 lb in).




2. Inspect the EVAP canister purge solenoid valve seal for damage, replace as necessary.
3. Install the EVAP canister purge solenoid valve (3) and bolt (2).

Tighten the bolts to 16 N.m (12 lb ft).

4. Inspect the MAP sensor seal for damage, replace as necessary.
5. Install the MAP sensor (1), bracket, and bolts.
6. Inspect the throttle body seal for damage. Replace as necessary.
7. Apply threadlocker to the throttle body bolts/studs threads. Refer to Sealers, Adhesives, and Lubricants (Specifications).
8. Install the throttle body and bolts/studs.

Tighten the bolts/studs to 10 N.m (89 lb in).




9. Install the NEW upper to lower intake manifold gaskets.




10. Set the upper intake manifold onto the lower intake manifold.
11. Apply threadlocker to the upper intake manifold bolts/stud threads. Refer to Sealers, Adhesives, and Lubricants (Specifications).
12. Install the upper intake manifold bolts (1, 2) and stud (3).

Tighten the bolts and stud to 25 N.m (18 lb ft).




13. Install the ignition coil. Refer to Ignition Coil Replacement (Service and Repair).
14. Reposition the transmission tube and install the bolt at the intake manifold.
15. Install the bracket from the generator to the intake manifold.
16. Install the bolt connecting the generator, bracket and the intake manifold.
17. Install the nut connecting the generator bracket to the upper intake manifold.
18. Install the inlet and outlet pipe to the studs.
19. Install the heater inlet and outlet pipe nuts (1) to the throttle body studs.

Tighten the nuts to 10 N.m (89 lb in).




20. Install the left side spark plug wires.
21. Connect the left side spark plug wires to the spark plugs.
22. Connect the left side spark plug wires to the ignition control module.
23. Engage the spark plug wire retainer clips to the intake manifold bracket and the heater inlet/outlet pipe.
24. Install the air cleaner outlet duct. Refer to Air Cleaner Outlet Duct Replacement (Air Cleaner Outlet Duct Replacement).




25. Connect the engine harness electrical connector (1) to the intake manifold tuning valve.




26. Connect the engine harness electrical connectors (1, 2) to the following:

* The EVAP canister purge solenoid
* The ETC




27. Connect the MAP sensor electrical connector (1).
28. Install the brake booster vacuum hose to the intake manifold.
29. Position the vacuum hose clamp at the intake manifold.




30. Install the PCV foul air tube. Refer to Plastic Collar Quick Connect Fitting Service (Plastic Collar Quick Connect Fitting Service).




31. Install the PCV fresh air tube. Refer to Plastic Collar Quick Connect Fitting Service (Plastic Collar Quick Connect Fitting Service).
32. Fill the cooling system. Refer to Cooling System Draining and Filling (Static Fill LZ9) (Service and Repair)Cooling System Draining and Filling (Vac-N-Fill) (Service and Repair).
33. Install the intake manifold cover. Refer to Intake Manifold Cover Replacement (Service and Repair).
34. Connect the negative battery cable. Refer to Battery Negative Cable Disconnection and Connection (Service and Repair).