Operation CHARM: Car repair manuals for everyone.
Manuals through 2025 now available!

Our trusted friends have launched a new website named LEMON, which has newer manuals. It also contains all the CHARM manuals.

LEMON is the spiritual successor to CHARM, I recommend you try it!

Link: lemon-manuals.la or lemon-manuals.org.ua

(Some people have issue connecting. LEMON is investigating. For now, use Firefox or change your DNS server)

Or, hide this message: temporarily or permanently

Heater Core Replacement



Heater Core Replacement

Tools Required

J 38185 Hose Clamp Pliers

Removal Procedure

1. Drain the cooling system. Refer to Cooling System Draining and Filling (Static Fill LZ9) (Service and Repair)Cooling System Draining and Filling (Vac-N-Fill) (Service and Repair).




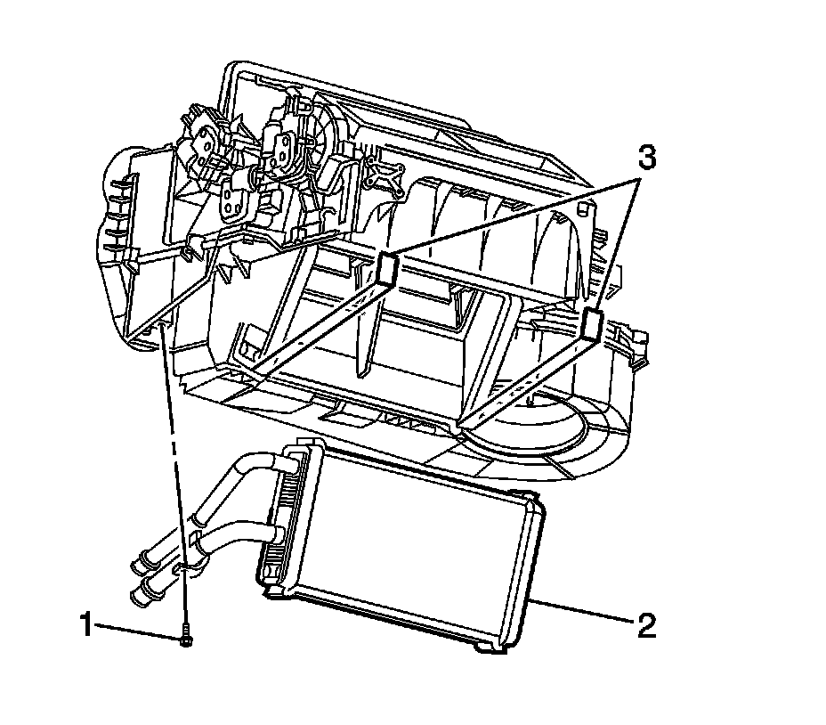
2. Disconnect both of the heater hose clamps (1) at the heater core using the J 38185.
3. Remove the heater hoses from the heater core (2).

Important: Cap off the heater core inlet and outlet pipes to prevent coolant spilling inside of the vehicle.


4. Cap off the heater core pipes.
5. Remove the heater core cover. Refer to Heater Core Cover Replacement (Heater Core Cover Replacement).




6. Remove the heater core pipe clamp screw (1).
7. Remove the heater core (3).

Installation Procedure




1. Install the heater core (2).

Notice: Refer to Fastener Notice (Fastener Notice).

2. Install the heater core pipe clamp screw (1).

Tighten the screw to 1.2 N.m (11 lb in).

3. Install the heater core cover. Refer to Heater Core Cover Replacement (Heater Core Cover Replacement).




4. Install the heater hoses to the heater core (2).
5. Reposition the heater hose clamps (1) to secure the hoses using the J 38185.
6. Fill the coolant. Refer to Cooling System Draining and Filling (Static Fill LZ9) (Service and Repair)Cooling System Draining and Filling (Vac-N-Fill) (Service and Repair).