Operation CHARM: Car repair manuals for everyone.
Manuals through 2025 now available!

Our trusted friends have launched a new website named LEMON, which has newer manuals. It also contains all the CHARM manuals.

LEMON is the spiritual successor to CHARM, I recommend you try it!

Link: lemon-manuals.la or lemon-manuals.org.ua

(Some people have issue connecting. LEMON is investigating. For now, use Firefox or change your DNS server)

Or, hide this message: temporarily or permanently

Fuel Return Line: Service and Repair



Fuel Hose/Pipes Replacement - Chassis

Removal Procedure

Caution: In order to Reduce the Risk of Fire and Personal Injury:

* If nylon fuel pipes are nicked, scratched or damaged during installation, Do Not attempt to repair the sections of the nylon fuel pipes. Replace them.
* When installing new fuel pipes, Do Not hammer directly on the fuel harness body clips as it may damage the nylon pipes resulting in a possible fuel leak.
* Always cover nylon vapor pipes with a wet towel before using a torch near them. Also, never expose the vehicle to temperatures higher than 115°C (239°F) for more than one hour, or more than 90°C (194°F) for any extended period.
* Before connecting fuel pipe fittings, always apply a few drops of clean engine oil to the male pipe ends. This will ensure proper reconnection and prevent a possible fuel leak. (During normal operation, the O-rings located in the female connector will swell and may prevent proper reconnection if not lubricated.)

Notice: Refer to Nylon Fuel Lines Notice.

Notice: Cap the fittings and plug the holes when servicing the fuel system in order to prevent dirt and other contaminants from entering the open pipes and passages.




1. Remove the engine and transmission as an assembly. Refer to Engine Replacement (Engine Replacement).
2. Disconnect the fuel feed (1) and evaporative emission (EVAP) (2) pipes from the fuel tank. Refer to Plastic Collar Quick Connect Fitting Service (Plastic Collar Quick Connect Fitting Service).




3. Remove the fuel/EVAP pipe clip nut.
4. Perform the following procedures if equipped with auxiliary rear air and heat.

1. Disconnect the rear heater and A/C pipes from the rear heating, ventilation, and air conditioning (HVAC) module. Refer to Auxiliary HVAC Module Replacement (Auxiliary HVAC Module Replacement).
2. Move the rear heater and A/C pipes in order to remove the fuel pipes.




5. Remove the fuel/EVAP pipe clip from the stud.




6. Remove the fuel/EVAP pipe clips from the studs.




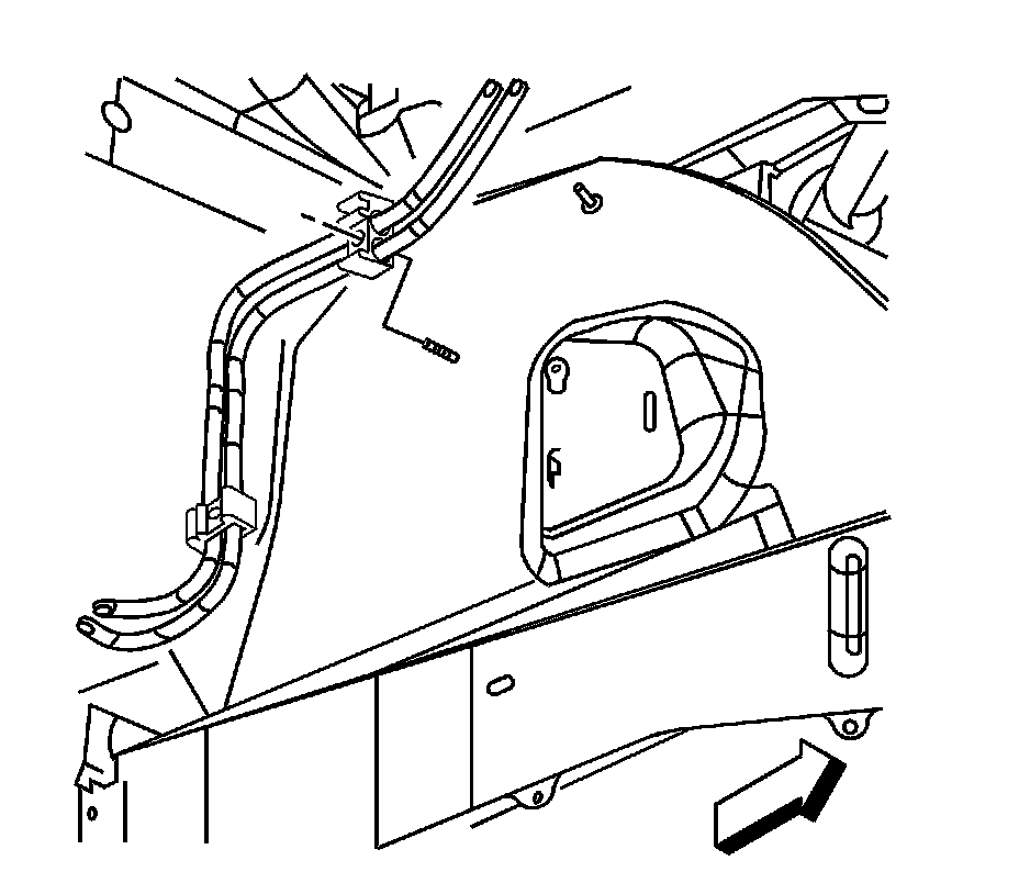
7. Remove the fuel and EVAP pipes (1).
8. Inspect the pipes for bends, kinks, and cracks.
9. Replace the pipe or pipes as required.

Installation Procedure




1. Install the fuel and EVAP pipes (1).




2. Install the fuel/EVAP pipe clips to the studs.




3. Install the fuel/EVAP pipe clip to the stud.





Notice: Refer to Fastener Notice (Fastener Notice).

4. Install the fuel/EVAP pipe clip nut.

Tighten the nut to 20 N.m (15 lb ft).

5. Perform the following procedures if equipped with auxiliary rear air and heat.

1. Move the rear heater and A/C pipes into their original position.
2. Connect the rear heater and A/C pipes to the rear HVAC module. Refer to Auxiliary HVAC Module Replacement (Auxiliary HVAC Module Replacement).




6. Connect the fuel feed (1) and EVAP (2) pipes to the fuel tank. Refer to Plastic Collar Quick Connect Fitting Service (Plastic Collar Quick Connect Fitting Service).
7. Install the engine and transmission as an assembly. Refer to Engine Replacement (Engine Replacement).