Operation CHARM: Car repair manuals for everyone.
Manuals through 2025 now available!

Our trusted friends have launched a new website named LEMON, which has newer manuals. It also contains all the CHARM manuals.

LEMON is the spiritual successor to CHARM, I recommend you try it!

Link: lemon-manuals.la or lemon-manuals.org.ua

(Some people have issue connecting. LEMON is investigating. For now, use Firefox or change your DNS server)

Or, hide this message: temporarily or permanently

Battery Positive Cable Extension Cable Junction Block Replacement




Battery Positive Cable Extension Cable Junction Block Replacement

Removal Procedure





1. Disconnect the negative battery cable. Refer to Battery Negative Cable Disconnection and Connection (Primary) Battery Negative Cable Disconnection and Connection (Primary)Battery Negative Cable Disconnection and Connection (Auxiliary) Battery Negative Cable Disconnection and Connection (Auxiliary).

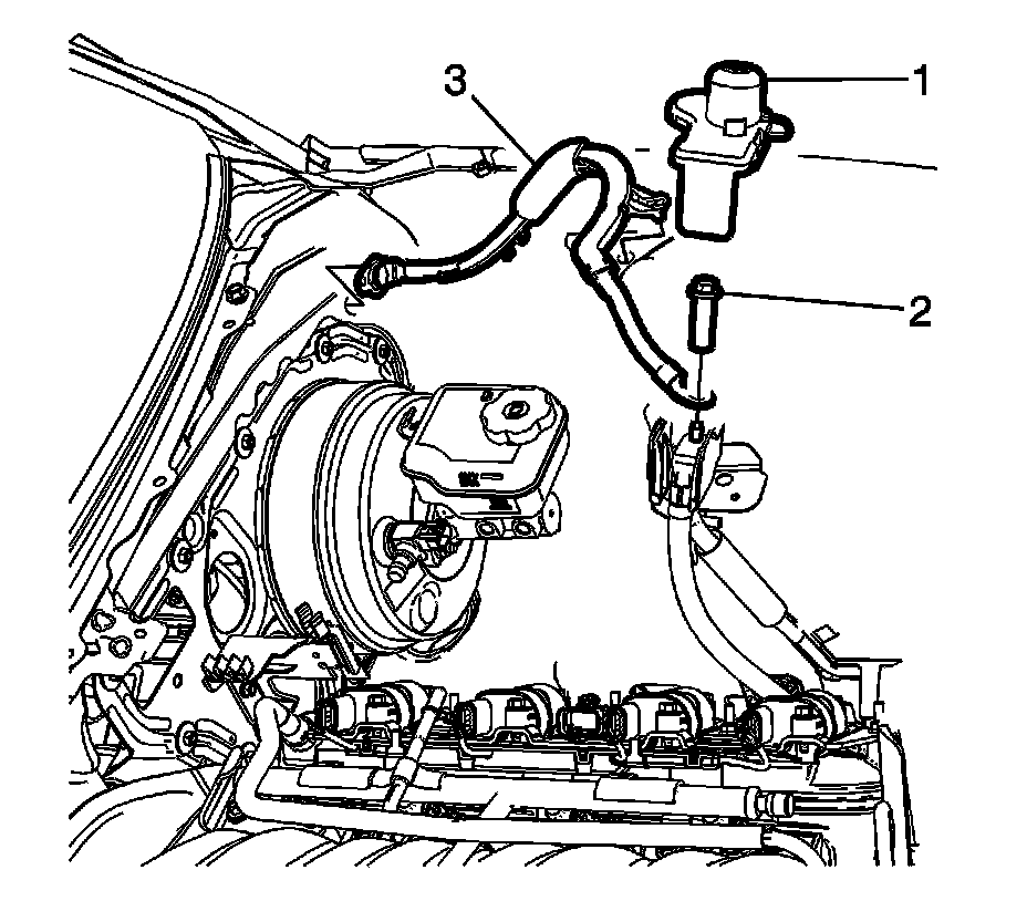
2. Remove the battery positive retainer nut (1) from the battery positive extension cable bolt.





3. Remove the junction block cover (1) and the junction block retainer (2).

4. Remove the battery positive cable extension cable (3) from the engine compartment.

Installation Procedure





Caution:
Refer to Fastener Caution Fastener Caution.

1. Install the battery positive extension cable (3) to the junction block and tighten the retainer (2) to 15 Nm (11 lb ft).

2. Install the junction block cover (1).





3. Install the battery positive cable to the battery positive extension cable bolt and tighten the nut (1) to 5 Nm (44 lb in).

4. Connect the battery negative cable. Refer to Battery Negative Cable Disconnection and Connection (Primary) Battery Negative Cable Disconnection and Connection (Primary)Battery Negative Cable Disconnection and Connection (Auxiliary) Battery Negative Cable Disconnection and Connection (Auxiliary).