Operation CHARM: Car repair manuals for everyone.
Manuals through 2025 now available!

Our trusted friends have launched a new website named LEMON, which has newer manuals. It also contains all the CHARM manuals.

LEMON is the spiritual successor to CHARM, I recommend you try it!

Link: lemon-manuals.la or lemon-manuals.org.ua

(Some people have issue connecting. LEMON is investigating. For now, use Firefox or change your DNS server)

Or, hide this message: temporarily or permanently

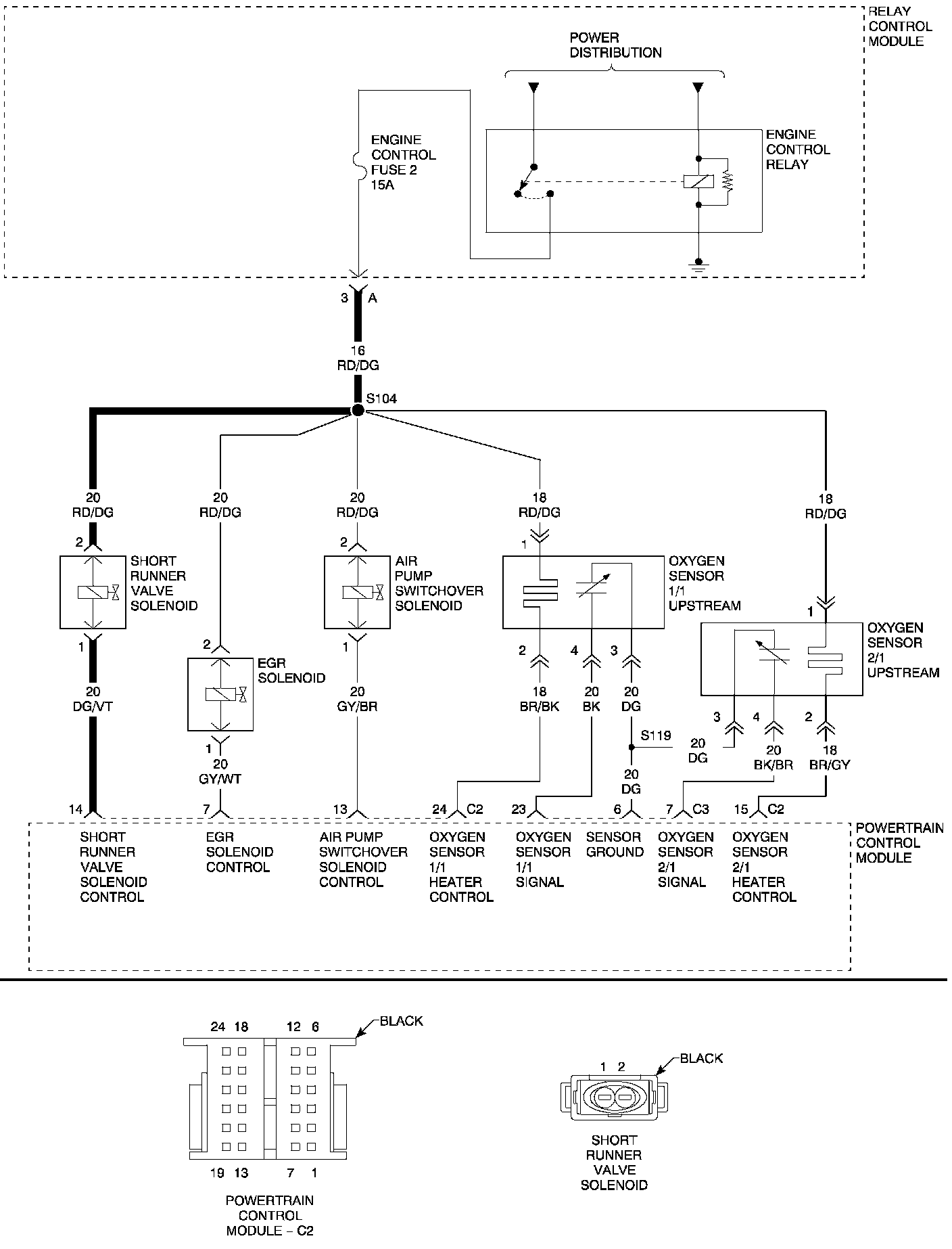
Short Runner Solenoid Circuit Low

SHORT RUNNER SOLENOID CIRCUIT LOW






When Monitored and Set Condition
^ When Monitored: Engine running
^ Set Condition: When the PCM is not commanding the Short Runner Valve Solenoid on and doesn't detect voltage at the control circuit.

POSSIBLE CAUSES
SHORT RUNNER VALVE SOLENOID CONTROL CIRCUIT OPEN
SHORT RUNNER VALVE SOLENOID CONTROL CIRCUIT SHORTED GROUND
ENGINE CONTROL RELAY OUTPUT CIRCUIT OPEN
SHORT RUNNER VALVE SOLENOID
POWERTRAIN CONTROL MODULE

Diagnostic Test
1. CHECK FOR CURRENT DTC





Turn the ignition on.
With the DRB III, read the PCM DTCs.
Is this DTC preset?
Yes>> For complete diagnosis of this DTC, Short Runner Solenoid Circuit High
No>> Go To 2

2. INTERMITTENT WIRING AND CONNECTORS
The conditions necessary to set this DTC are not present at this time.
Note: Check connectors-Clean/repair as necessary. Poor pin to terminal connections can set DTCs. Using the wiring diagram/schematic as a guide, inspect the wiring and connectors specific to this DTC. Wiggle the wires while checking for shorts and open circuits.

Note: Check for any Technical Service Bulletins that may apply.

Were there any problems found?
Yes>> Repair as necessary.
Perform Powertrain Verification Test - Ver 2
No>> The condition that caused this DTC to set is currently not present. Inspect the related wiring harness for a possible intermittent condition.