Operation CHARM: Car repair manuals for everyone.
Manuals through 2025 now available!

Our trusted friends have launched a new website named LEMON, which has newer manuals. It also contains all the CHARM manuals.

LEMON is the spiritual successor to CHARM, I recommend you try it!

Link: lemon-manuals.la or lemon-manuals.org.ua

(Some people have issue connecting. LEMON is investigating. For now, use Firefox or change your DNS server)

Or, hide this message: temporarily or permanently

Assembly







ASSEMBLY




Springs and Valves Location





NOTE: If valve body assembly is reconditioned, the PCM/TCM Quick Learn Procedure must be performed Quick Learn Procedure.

1. Install valves and springs.




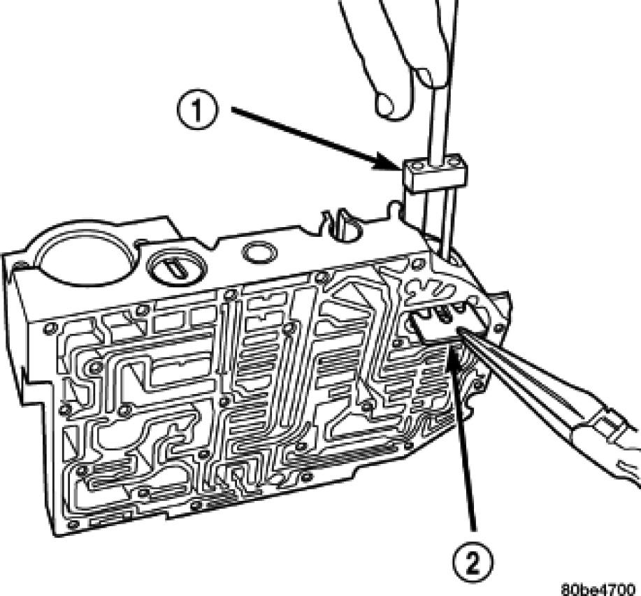
2. Install regulator valve spring retainer (2)using remover/installer 6302 (1).




3. Install dual retainer plate (2) using remover/installer 6301 (1).




4. Verify that all retainers are installed (1,2). Retainers should be flush or below valve body surface.



Ball Check Location





5. Install check balls into position (1,2 and 4). If necessary, secure them with petrolatum or transmission assembly gel for assembly ease.




6. Install thermal valve (1) into transfer plate.




7. Install separator plate (1) to valve body (2).




8. Install the overdrive clutch (#5) check valve (1)to separator plate.




9. Install oil screen (1)to separator plate.




10. Install transfer plate (1)to valve body and separator plate. Make sure oil screen and #5 check valve do not bind.




11. Install twenty-four transfer plate to valve body screws (1) and torque to 5 Nm (45 in. lbs.).




12. Install 2/4 Accumulator components (2,3,4,5 and 6).




13. Torque 2/4 Accumulator retainer (1) to 5 Nm (45 in. lbs.).




14. Install Manual Shaft/Rooster Comb (3) and Transmission Range Sensor (1).




15. Make sure Manual Valve control pin (2) is contained within the rooster comb slot. Install Transmission Range Sensor retaining screw (3) and torque to 5 Nm (45 in. lbs.).




16. Install manual shaft seal (1).