Operation CHARM: Car repair manuals for everyone.
Manuals through 2025 now available!

Our trusted friends have launched a new website named LEMON, which has newer manuals. It also contains all the CHARM manuals.

LEMON is the spiritual successor to CHARM, I recommend you try it!

Link: lemon-manuals.la or lemon-manuals.org.ua

(Some people have issue connecting. LEMON is investigating. For now, use Firefox or change your DNS server)

Or, hide this message: temporarily or permanently

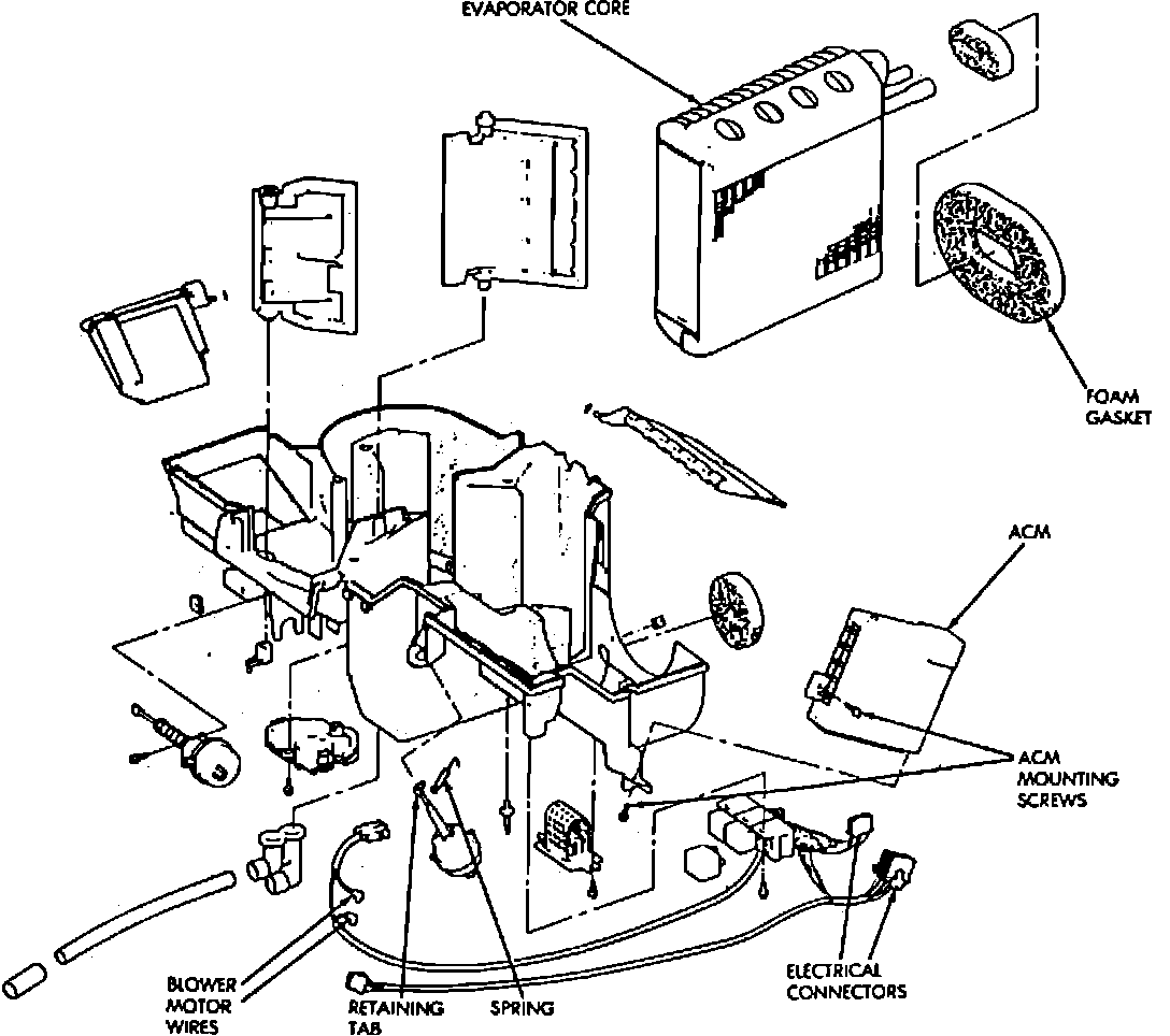
Heater Core: Service and Repair

Fig. 20 Upper A/C Housing Components:




Fig. 21 Lower A/C Housing Components:





NOTE: The heater-A/C unit must be removed from the vehicle if the heater core or evaporator core must be replaced.


REMOVAL
1. Disconnect battery negative cable.
2. Drain cooling system.
3. If equipped with A/C, discharge refrigerant system.

CAUTION: When removing hoses from heater core inlet or outlet nipples, DO NOT use excessive force. Damage to heater core can result.

4. Disconnect heater hoses and plug heater core nipples to avoid spilling coolant in passenger compartment.
5. Disconnect coolant level indicator switch connector and remove coolant recovery bottle. Leave hose connected and position bottle out of the way.
6. Remove coolant recovery bottle mounting bracket.
7. Disconnect heater-A/C blower motor wire connector.
8. Disconnect vacuum supply hose.
9. Disconnect refrigerant lines from A/C unit at dash panel. Cover all open lines and coupling ends with tape to avoid excessive contamination to refrigerant system.
10. Remove the four heater-A/C unit attaching nuts securing unit to dash panel.
11. Remove steering column.
12. Remove instrument panel.
13. Remove floor air distribution duct.
14. Remove the two heater-A/C unit attaching nuts securing unit to plenum.
15. Remove heater-A/C unit from vehicle.
16. Release plastic tabs, and remove heater core.

INSTALLATION
1. To install heater core, carefully insert heater core into housing and push until it snaps into place.
2. Install heat and A/C housing by reversing removal steps. When installing unit, feed condensate drain tube, vacuum line, and blower wiring through proper holes in dash panel. Test heat and A/C performance.