Operation CHARM: Car repair manuals for everyone.
Manuals through 2025 now available!

Our trusted friends have launched a new website named LEMON, which has newer manuals. It also contains all the CHARM manuals.

LEMON is the spiritual successor to CHARM, I recommend you try it!

Link: lemon-manuals.la or lemon-manuals.org.ua

(Some people have issue connecting. LEMON is investigating. For now, use Firefox or change your DNS server)

Or, hide this message: temporarily or permanently

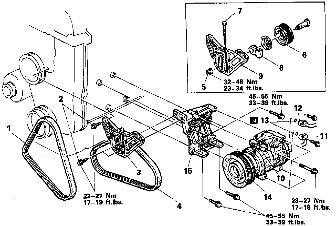
Compressor HVAC: Service and Repair






NOTE: Step numbers refer to numbered parts in images.

REMOVAL STEPS OF COMPRESSOR DRIVE BELT AND TENSION PULLEY
1. Alternator drive belt
2. Tension pulley assembly installation bolt
3. Tension pulley assembly
4. Compressor drive belt
5. Nut
6. Tension pulley
7. Bolt
8. Adjustment plate
9. Tension pulley bracket


REMOVAL STEPS OF COMPRESSOR
1. Alternator drive belt
2. Tension pulley assembly installation bolt
3. Tension pulley assembly
4. Compressor drive belt
10. Magnetic clutch harness connector
11. Suction hose connection
12. Discharge hose connection
13. C-rings
14. Compressor
15. Compressor bracket

NOTES:
(1) Reverse the removal procedures to reinstall.
(2) N: Indicate non-reusable parts.





REMOVAL OF TENSION PULLEY ASSEMBLY INSTALLATION BOLTS
1. After loosening nut A (for holding the tension pulley), loosen bolt B (for adjustment) and reduce the tension of the compressor drive belt to zero.
2. Remove the tension pulley assembly installation bolts, and then remove the tension pulley assembly together with the compressor drive belt.





INSTALLATION OF COMPRESSOR DRIVE BELT/TENSION PULLEY ASSEMBLY
Attach the compressor drive belt to the crankshaft pulley and the compressor's pulley, and then install the tension pulley assembly.

NOTES:
(1) Hold the tension pulley assembly so that the compressor drive belt does not slip out of place; and while doing so install the tension pulley assembly.
(2) Install the tension pulley assembly bolts, tighten bolts (1) first, then bolt (2).