Operation CHARM: Car repair manuals for everyone.
Manuals through 2025 now available!

Our trusted friends have launched a new website named LEMON, which has newer manuals. It also contains all the CHARM manuals.

LEMON is the spiritual successor to CHARM, I recommend you try it!

Link: lemon-manuals.la or lemon-manuals.org.ua

(Some people have issue connecting. LEMON is investigating. For now, use Firefox or change your DNS server)

Or, hide this message: temporarily or permanently

Test 10 - Controller Signal Output Testing


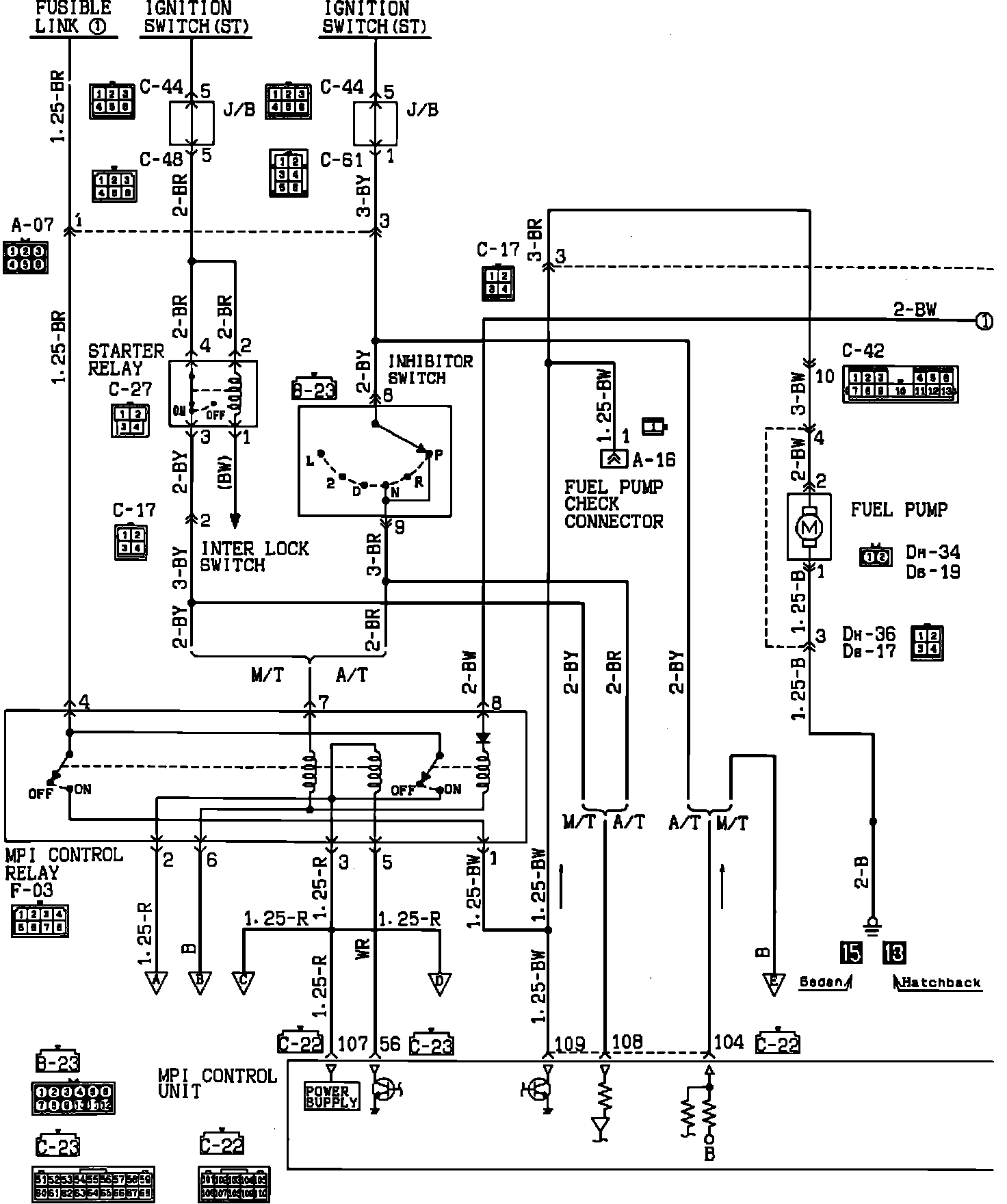
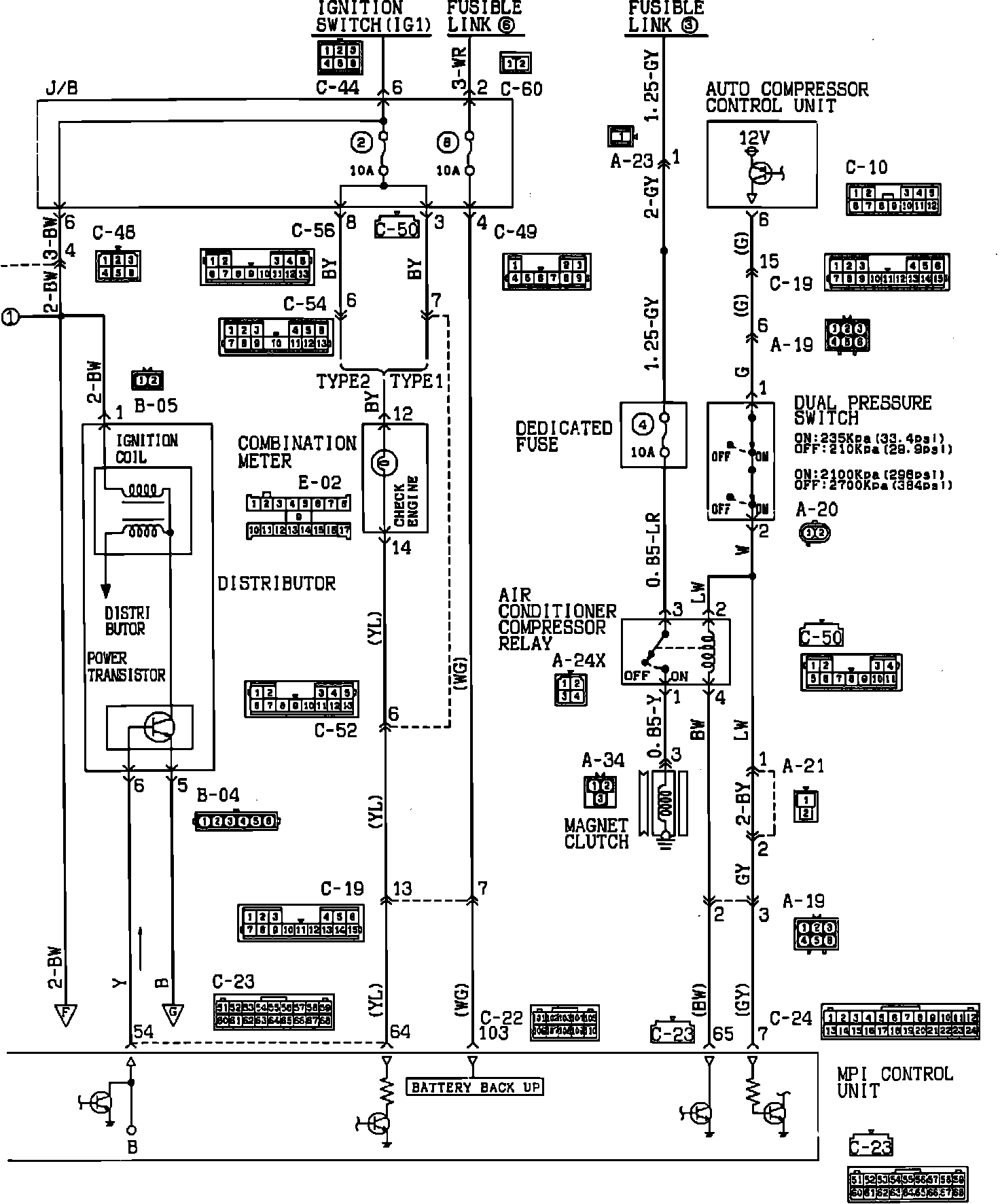
Wiring Diagram:




Wiring Diagram:




Multi-Point Injection Computer:











MPI OUTPUT SIGNAL TO POWER TRANSISTOR CHECK





1. Check for an output signal from the MPI controller to the power transistor by connecting the positive lead of a high impedance voltmeter to terminal 54 of the MPI connector (C-23) and the negative lead to a good ground. There should be a fluctuating voltage signal when the engine is cranked or running.
2. If there is no signal, controller operation.

3. If the signal is as described, check power transistor signal.