Operation CHARM: Car repair manuals for everyone.
Manuals through 2025 now available!

Our trusted friends have launched a new website named LEMON, which has newer manuals. It also contains all the CHARM manuals.

LEMON is the spiritual successor to CHARM, I recommend you try it!

Link: lemon-manuals.la or lemon-manuals.org.ua

(Some people have issue connecting. LEMON is investigating. For now, use Firefox or change your DNS server)

Or, hide this message: temporarily or permanently

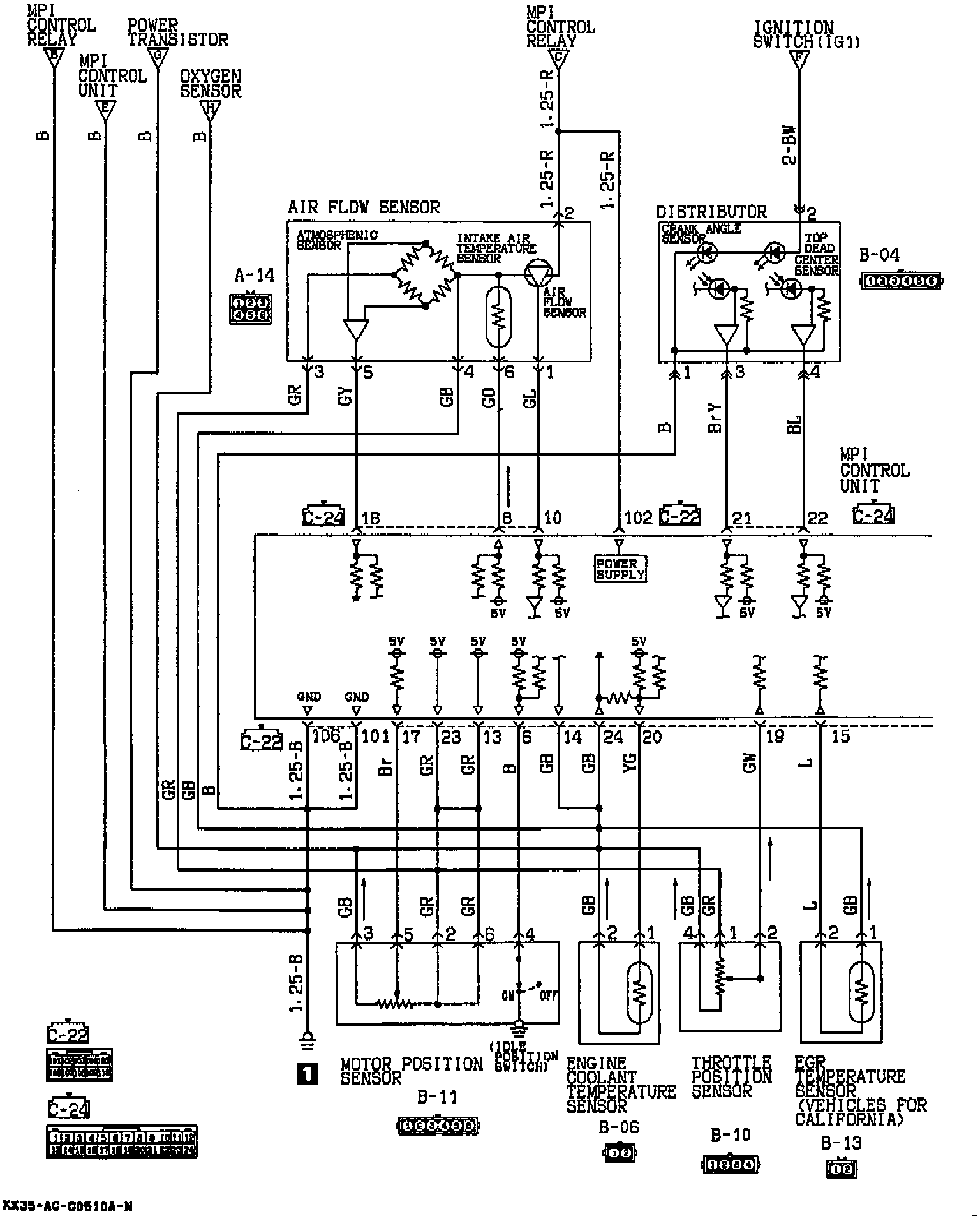
Test 7 - Sensor Power and Ground Testing

MPI System:








SENSOR POWER AND GROUND CHECK


1. With the ignition switch in the ON position, backprobe terminal 3 of the six pin distributor connector. There should be near battery voltage at this terminal. If no or low voltage repair open and retest. If ok go to step 2.
2. Check continuity between terminal 2 of the six pin distributor connector and ground. If there is no ground repair and retest.
3. If both power and ground circuits are found to be good, check sensor output signals.