Operation CHARM: Car repair manuals for everyone.
Manuals through 2025 now available!

Our trusted friends have launched a new website named LEMON, which has newer manuals. It also contains all the CHARM manuals.

LEMON is the spiritual successor to CHARM, I recommend you try it!

Link: lemon-manuals.la or lemon-manuals.org.ua

(Some people have issue connecting. LEMON is investigating. For now, use Firefox or change your DNS server)

Or, hide this message: temporarily or permanently

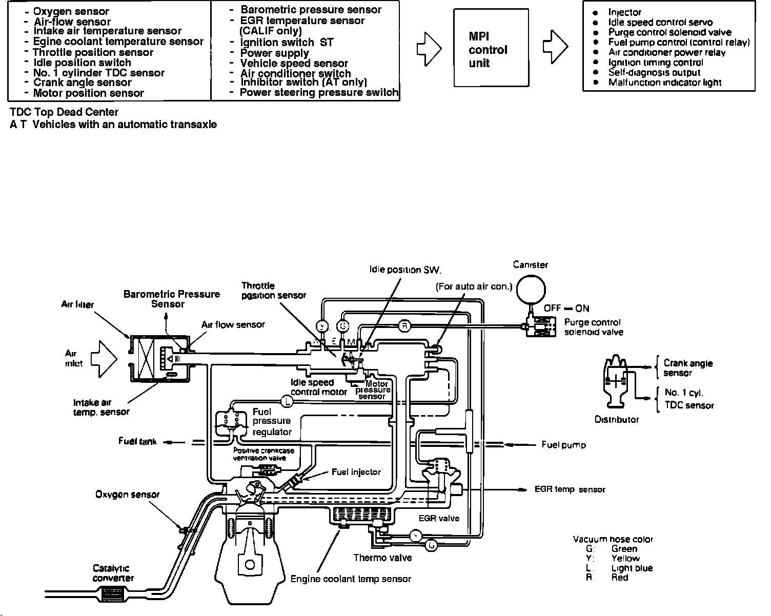
System Description

MPI Control System:






The Computerized Engine Control System is built around the electronic MPI Control Unit. The MPI Control Unit constantly monitors return signals from various sensor inputs and then responds by opening or grounding an output device circuit within the MPI Control Unit. As operating conditions change, the MPI Control Unit makes adjustments to maintain optimum performance and fuel economy.
This vehicle uses an oxygen sensor to provide the MPI Control Unit with information concerning air/fuel mixture. The O2 sensor is threaded into the exhaust manifold and measures the level of oxygen within the exhaust gas. A voltage is generated and sent to the MPI Control Unit as an input signal. The MPI Control Unit reads this signal input and the return signals from the other sensors, then will either enrich or lean the air/fuel mixture.


INPUTS
Power Supply (Ignition Switch Coupled)
Power Supply (Battery Backup)
Air Flow Sensor
Barometric Pressure Sensor
Intake Air Temperature Sensor
Engine Coolant Temperature Sensor
Throttle Position Sensor
Idle Position Switch
Motor Position Sensor
No. 1 Cylinder Top Dead Center Sensor
Crank Angle Sensor
Oxygen Sensor
Vehicle Speed Sensor
A/C ON-OFF Switch
Inhibitor Switch (A/T)
Ignition Switch START terminal (start signal)
Power Steering Oil Pressure Switch
Park/Neutral Safety Switch (M/T)
Exhaust Gas Temperature Sensor (California Models Only)

OUTPUTS
Fuel Injector Pulse Width
Idle Speed Control (ISC) Servo
Ignition Timing Power Transistor
Air-Conditioner Power Relay
Fuel Pump Control Relay
Evaporative Emission Purge Control Solenoid Valve
EGR Control Solenoid Valve (California Models Only)
Self-Diagnosis Output
Malfunction Indicator light


Instrument Panel:






MALFUNCTION INDICATOR LIGHT
If a component or system malfunction is detected, the MPI Control Unit will illuminate the "MALFUNCTION INDICATOR LIGHT" and record the corresponding trouble code(s) in its memory. However, when an irregular signal returns to normal and the engine control unit judges that it has returned to normal, the malfunction indicator light will go out. If the ignition switch is turned OFF and then ON again, the MPI Control Unit will not illuminate the Malfunction Indicator Light until the irregularity is detected again.
Under normal conditions, the Malfunction Indicator Light will be lit for 2.5 seconds immediately after the engine is started. This is to indicate that the light is not burned out and is operating normally.

NOTE: New for 1991
When the Ignition Timing Adjustment Terminal is shorted to ground during ignition timing inspection/adjustment procedures, the Control Unit will input a Code 36 into its memory and illuminate the Malfunction Indicator Light.