Operation CHARM: Car repair manuals for everyone.
Manuals through 2025 now available!

Our trusted friends have launched a new website named LEMON, which has newer manuals. It also contains all the CHARM manuals.

LEMON is the spiritual successor to CHARM, I recommend you try it!

Link: lemon-manuals.la or lemon-manuals.org.ua

(Some people have issue connecting. LEMON is investigating. For now, use Firefox or change your DNS server)

Or, hide this message: temporarily or permanently

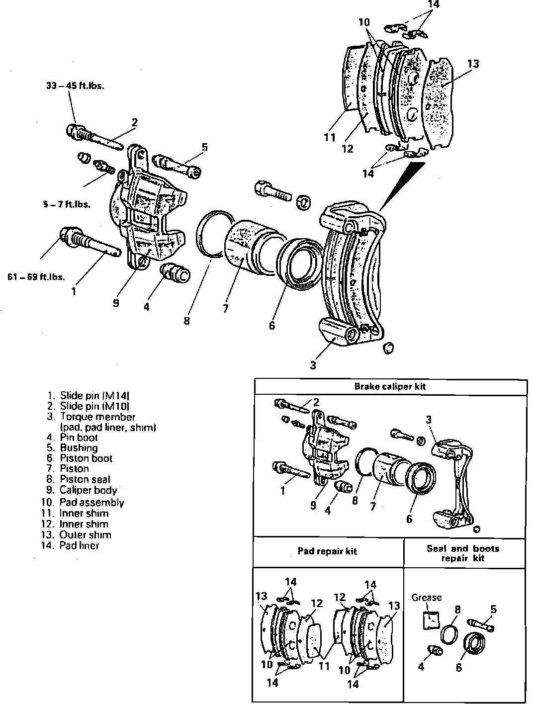
Brake Pad: Service and Repair

Fig. 1 MR31S Dual Pin Floating Caliper Disc Brake Assembly:





Fig. 2 MR34V, MR44V & MR46V Dual Pin Floating Caliper Disc Brake Assembly:





1. Remove approximately 1/3 of brake fluid from master cylinder.
2. Raise and support vehicle, then remove tire and wheel assembly.
3. Remove guide pin or lower slide pin, then lift caliper body upward and secure with wire.
4. Remove inner shims, anti-squeak shims, brake pad assemblies and pad clips from support mounting.
5. Press caliper piston into caliper bore with suitable tool.
6. Install upper and lower pad clips, pad assemblies, inner shims and anti-squeak shims into support mounting.
7. Lower caliper body onto caliper bracket, then install lock pin.
8. Depress brake pedal several times to seat pads, then check reservoir and replenish brake fluid as necessary.
9. Install wheel and tire assembly and lower vehicle.