Operation CHARM: Car repair manuals for everyone.
Manuals through 2025 now available!

Our trusted friends have launched a new website named LEMON, which has newer manuals. It also contains all the CHARM manuals.

LEMON is the spiritual successor to CHARM, I recommend you try it!

Link: lemon-manuals.la or lemon-manuals.org.ua

(Some people have issue connecting. LEMON is investigating. For now, use Firefox or change your DNS server)

Or, hide this message: temporarily or permanently

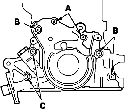
Timing Cover: Service and Repair

Fig. 9 Timing Case Cover Bolt Locations:





Fig. 10 Timing Case Cover Bolt Locations:





1. Remove timing belt, refer to TIMING BELT.
2. Remove oil pan and oil screen, then the timing case.
3. Reverse procedure to install. When installing timing case attaching bolts, refer to Figs. 9 and 10, and note that bolts installed in location A are 1.18 inches in length, bolts installed in location B are .79 inches in length and bolts installed in location C are 2.36 inches in length. When installing oil seal, lubricate seal lips with engine oil, then position seal on crankshaft and tap into timing case using seal installer tool No. MD998304 or equivalent. Before installing oil pan, apply sealer at the four front timing case and rear oil seal case to cylinder block mating surfaces.