Operation CHARM: Car repair manuals for everyone.
Manuals through 2025 now available!

Our trusted friends have launched a new website named LEMON, which has newer manuals. It also contains all the CHARM manuals.

LEMON is the spiritual successor to CHARM, I recommend you try it!

Link: lemon-manuals.la or lemon-manuals.org.ua

(Some people have issue connecting. LEMON is investigating. For now, use Firefox or change your DNS server)

Or, hide this message: temporarily or permanently

Service Manual - Revisions


9234chrysler02

NO.: 26-05-92

GROUP: Miscellaneous

DATE: Jul. 13,1992


SUBJECT:
Service Manual Revisions


MODELS:

1990 (BD) Laser/Talon
1991-1992 (B7) Stealth
1992 (B8) Vista/Summit Wagon


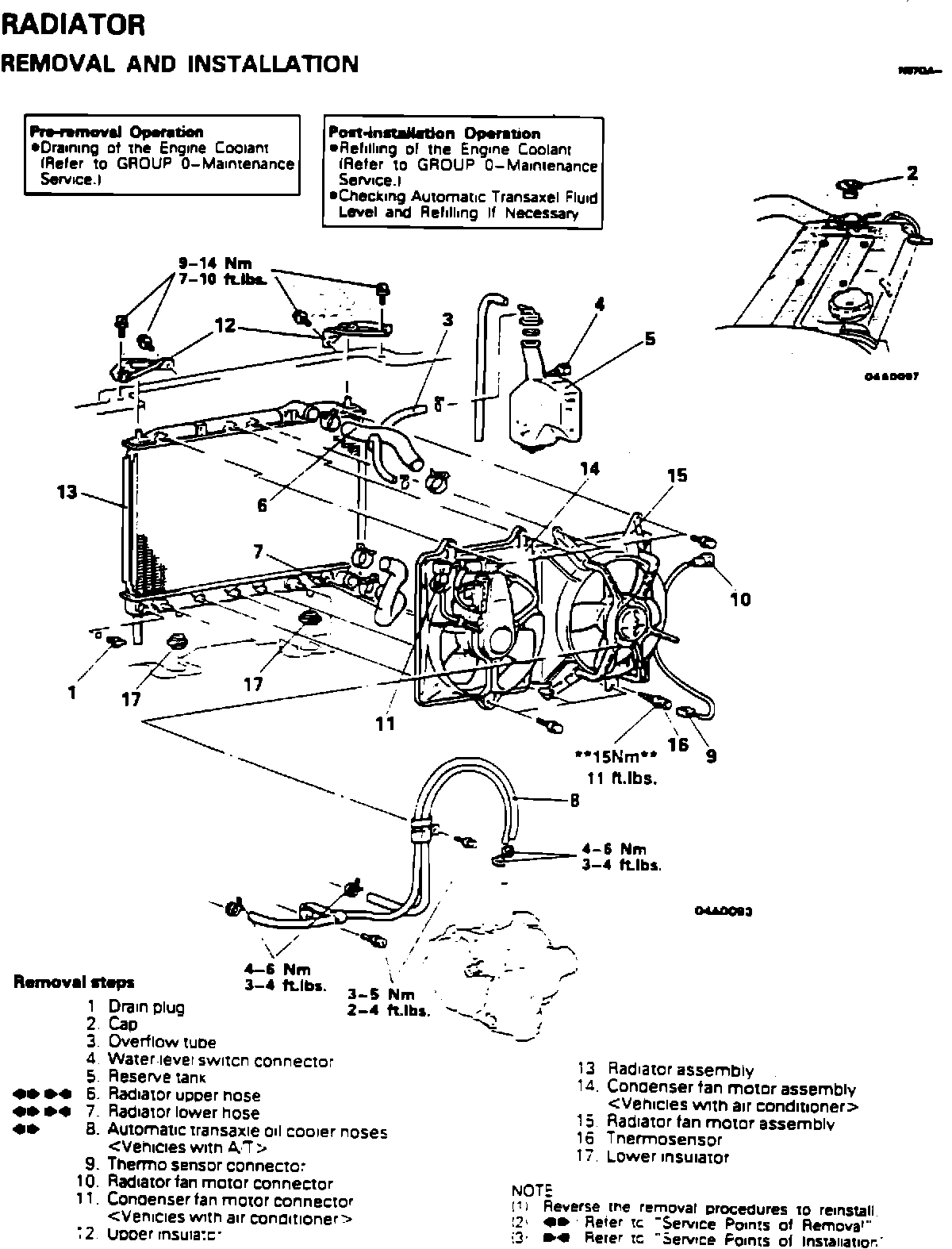
This Technical Service Bulletin contains revised service manual pages. The revisions are printed in red and highlighted with **asterisks**.

Please insert these pages into the appropriate service manual.


MANUAL PUBLICATION NO. PAGE NO.





1990 Laser/Talon 81-270-0175 7-12
81-270-0501 7-12





1991 Stealth 81-270-1115 7-8





1992 Stealth 81-270-2115 7-17








1992 Vista/Summit Wagon 81-270-2113 7-7, 25-11