Operation CHARM: Car repair manuals for everyone.
Manuals through 2025 now available!

Our trusted friends have launched a new website named LEMON, which has newer manuals. It also contains all the CHARM manuals.

LEMON is the spiritual successor to CHARM, I recommend you try it!

Link: lemon-manuals.la or lemon-manuals.org.ua

(Some people have issue connecting. LEMON is investigating. For now, use Firefox or change your DNS server)

Or, hide this message: temporarily or permanently

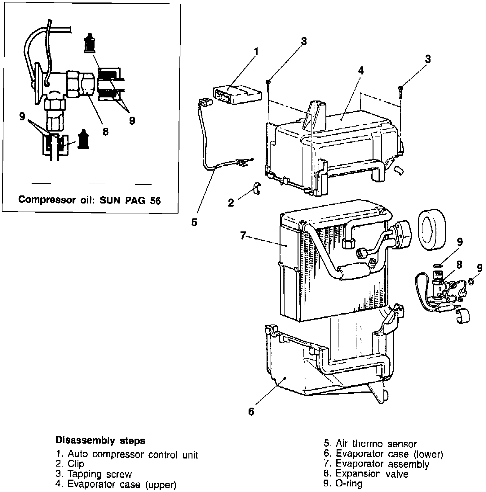
Evaporator Core: Service and Repair

Fig. 10 Evaporator Core Replacement (part 1 Of 2):




Fig. 10 Evaporator Core Replacement (part 2 Of 2):




1. Discharge air conditioning system using suitable recovery system.
2. Remove and disassemble evaporator housing in numbered sequence shown, noting following:

a. Remove evaporator housing clips using a suitable flat blade screwdriver.

4. Reverse procedure to install.