Operation CHARM: Car repair manuals for everyone.
Manuals through 2025 now available!

Our trusted friends have launched a new website named LEMON, which has newer manuals. It also contains all the CHARM manuals.

LEMON is the spiritual successor to CHARM, I recommend you try it!

Link: lemon-manuals.la or lemon-manuals.org.ua

(Some people have issue connecting. LEMON is investigating. For now, use Firefox or change your DNS server)

Or, hide this message: temporarily or permanently

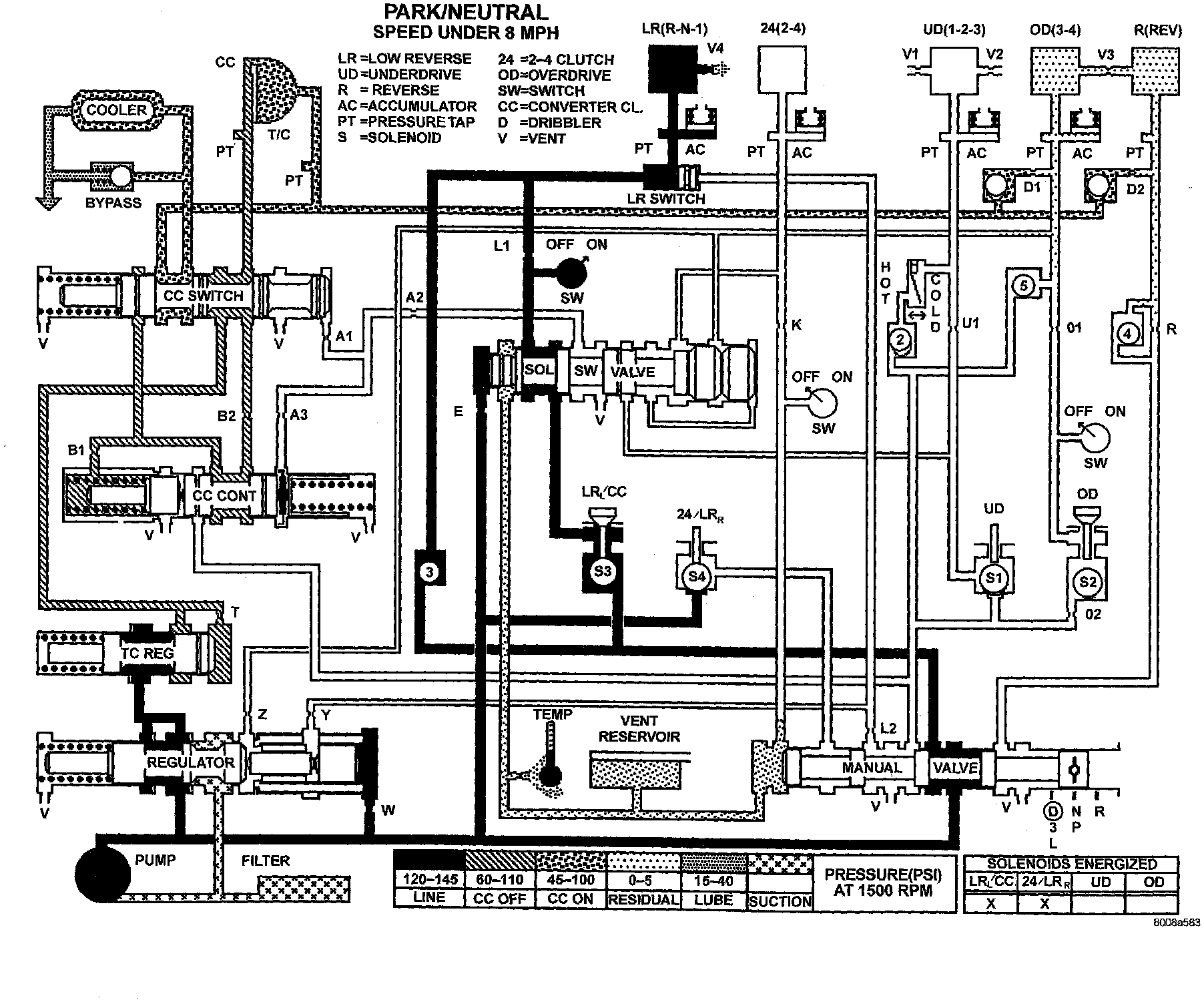
Automatic Transmission/Transaxle

Park/Neutral - Speed Under 8 MPH:



Neutral:



Reverse:



Reverse Block - Speed Over 8 MPH:



First Gear:



Second Gear:



Second Gear - Electronically Modulated Converter Clutch:



Direct Gear:



Direct Gear - Converter Clutch ON:



Overdrive:



Overdrive - Electronically Modulated Converter Clutch:



Overdrive - Converter Clutch ON: