Operation CHARM: Car repair manuals for everyone.
Manuals through 2025 now available!

Our trusted friends have launched a new website named LEMON, which has newer manuals. It also contains all the CHARM manuals.

LEMON is the spiritual successor to CHARM, I recommend you try it!

Link: lemon-manuals.la or lemon-manuals.org.ua

(Some people have issue connecting. LEMON is investigating. For now, use Firefox or change your DNS server)

Or, hide this message: temporarily or permanently

Computers and Control Systems: Description and Operation



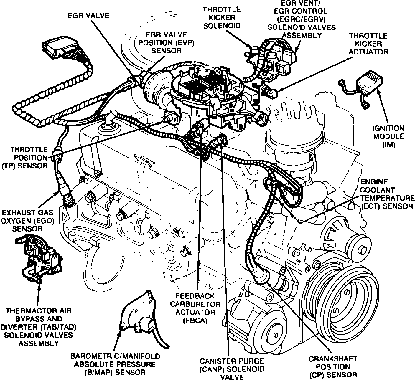
Fig. 1 Typical - EEC-III with Feedback Carburetor:






APPLICATION

This system, Fig. 3, is used on some 1982 light duty vehicles with V8-302 and 351 engines.

DESCRIPTION

This system provides more complete monitoring and control of engine functions than is possible with mechanically operated systems. The system affects emissions, economy, and driveability through the use of a series of sensors and actuators. Ignition, fuel metering, EGR, as well as auxiliary functions including Thermactor air flow, canister purge, and throttle kicker are controlled by the system.

Input Sensors

The engine is equipped with seven sensors which monitor the following:

1. Crankshaft position,

2. EGR valve position,

3. Throttle position,

4. Barometric pressure,

5. Manifold absolute pressure,

6. Engine coolant temperature,

7. Oxygen content of the exhaust gases.

In addition to these seven sensors, an air charge temperature (ACT) sensor is used on engines with fuel injection to monitor changes in air temperature and density.

Output Actuators

The sensors continuously monitor and send information to the Electronic Control Assembly (ECA) for evaluation. The ECA then computes the correct operating mode. During the various operating modes, the ECA sends output signals to:

a. The ignition module to adjust timing and the duty cycle.

b. The feedback carburetor to adjust the air/ fuel ratio.

c. The EGR control solenoids to adjust EGR flow rate.

d. The Thermactor air control solenoids to direct the Thermactor air flow.

e. The canister purge solenoid to control vapor flow.

f. The throttle kicker solenoid to adjust engine idle speed.

System Operating Strategies

The system is designed to operate using three operating strategies:

1. Base engine strategy,

2. Modulator strategy,

3. Limited Operational Strategy (LOS).

Modes Of Operation

The base engine strategy is used under conditions encountered during normal driving. To control the system in the wide range of conditions found during normal driving, the base engine strategy is divided into four submodes:

1. Crank mode,

2. Closed throttle mode,

3. Part throttle mode,

4. Wide open throttle mode.

The ECA determines the proper mode according to the information supplied by the sensors. The ECA then operates accordingly to control the system actuators according to calibration of the engine.

The modulator strategy is used during uncommon operating conditions such as cold or extremely hot engine conditions or high altitude operation, etc. The modulator strategy changes the base engine strategy to compensate or these conditions.

Limited Operational Strategy

The limited operational strategy is used when a failure within the ECA occurs, and allows safe vehicle operation and prevents component damage. During LOS mode, reduced engine performance may be encountered. If this condition should be encountered, the vehicle should be serviced immediately to prevent minimal operation in the LOS mode. In the (LOS) mode, the output signals are cut off to:

1. EGR control solenoids,

2. Thermactor air control solenoids,

3. Canister purge,

4. Throttle kicker solenoid.

Additionally, the spark advance at the crankshaft becomes 10 BTDC regardless of sensor inputs. Also, two windings of the Feedback Carburetor Actuator are energized to hold the air/fuel ratio setting as it was before entering the LOS mode.