Operation CHARM: Car repair manuals for everyone.
Manuals through 2025 now available!

Our trusted friends have launched a new website named LEMON, which has newer manuals. It also contains all the CHARM manuals.

LEMON is the spiritual successor to CHARM, I recommend you try it!

Link: lemon-manuals.la or lemon-manuals.org.ua

(Some people have issue connecting. LEMON is investigating. For now, use Firefox or change your DNS server)

Or, hide this message: temporarily or permanently

Ignition System: Description and Operation

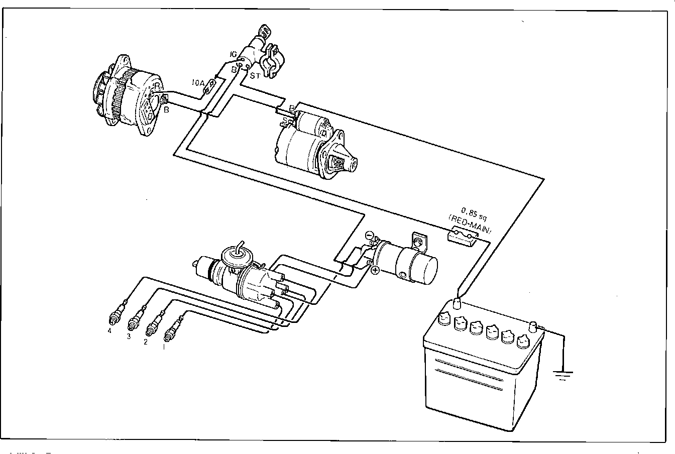
Fig. 2 Ignition system wiring diagram:





The breakerless ignition system consists of an electronic control module called an igniter, a pickup coil and reluctor, an ignition coil, and the distributor.

A vacuum delay valve is used to delay vacuum advance during acceleration on the Federal Courier. Both a water thermo valve and vacuum delay valve are used on California Courier models to cut vacuum advance when cold and delay it during acceleration.