Operation CHARM: Car repair manuals for everyone.
Manuals through 2025 now available!

Our trusted friends have launched a new website named LEMON, which has newer manuals. It also contains all the CHARM manuals.

LEMON is the spiritual successor to CHARM, I recommend you try it!

Link: lemon-manuals.la or lemon-manuals.org.ua

(Some people have issue connecting. LEMON is investigating. For now, use Firefox or change your DNS server)

Or, hide this message: temporarily or permanently

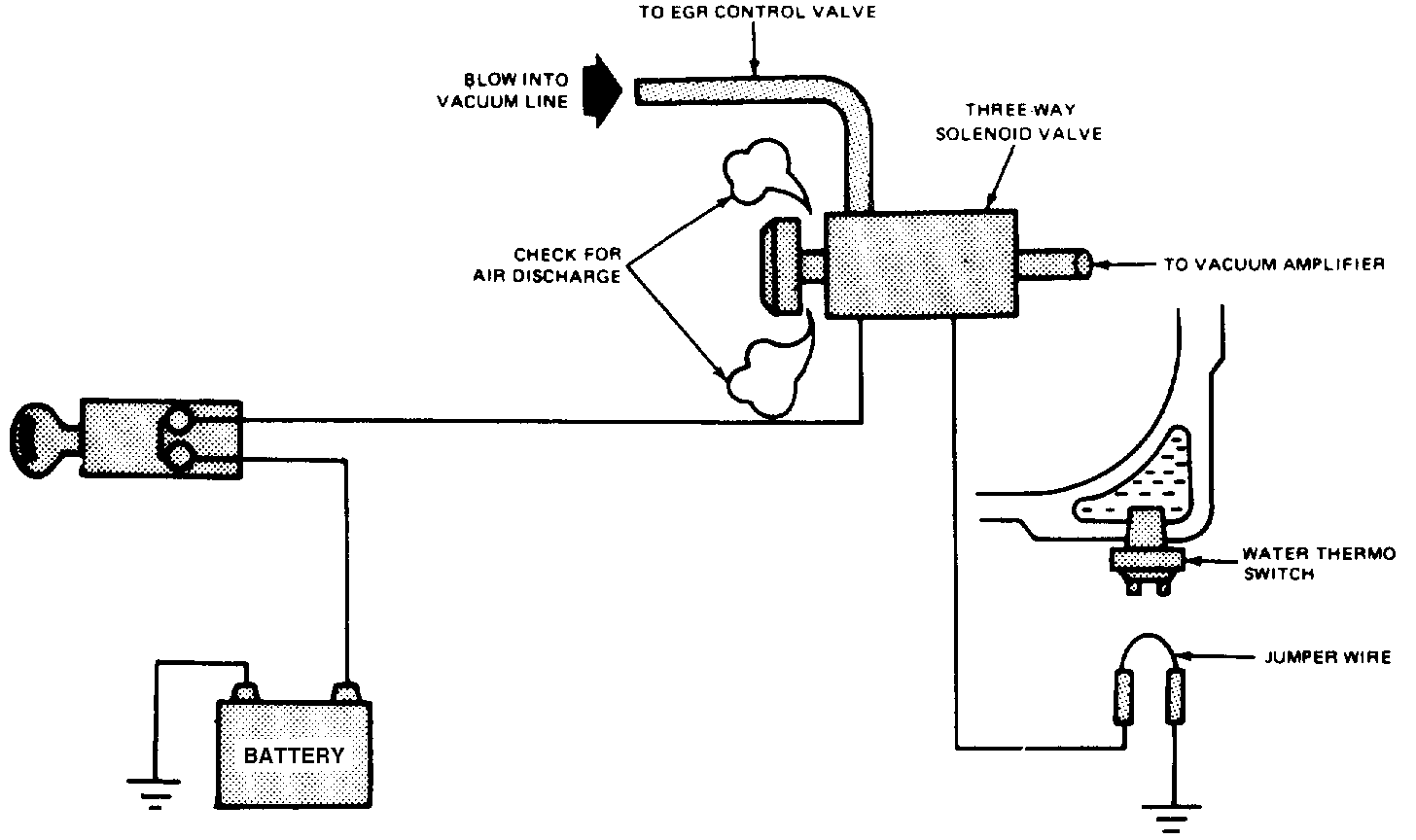
EGR Control Solenoid: Testing and Inspection


Three-way Solenoid Valve Test

1. Disconnect electrical connecters from water thermo switch and connect a jumper wire between the connectors.

2. Turn ignition switch to "On" position.

3. Disconnect vacuum hose from EGR valve and blow into the hose, Fig. 12. Check for air discharge at the three-way solenoid valve relief port. If air does not discharge, replace the three-way solenoid valve.

4. Turn ignition switch to "Off" position.

Fig. 12 - EGR Three-Way Solenoid Valve Test:






5. Remove jumper wire from the water thermo switch connectors and disconnect vacuum amplifier vacuum line from the three-way solenoid valve, Fig. 12.

6. Turn ignition switch to "On" position.

7. Blow into EGR valve hose. Check for air discharge at the vacuum amplifier port of the three-way control valve. If air does not discharge, replace the three-way solenoid valve.

8. If valve tests satisfactory, reconnect all vacuum hoses and electrical connections in original positions.