Operation CHARM: Car repair manuals for everyone.
Manuals through 2025 now available!

Our trusted friends have launched a new website named LEMON, which has newer manuals. It also contains all the CHARM manuals.

LEMON is the spiritual successor to CHARM, I recommend you try it!

Link: lemon-manuals.la or lemon-manuals.org.ua

(Some people have issue connecting. LEMON is investigating. For now, use Firefox or change your DNS server)

Or, hide this message: temporarily or permanently

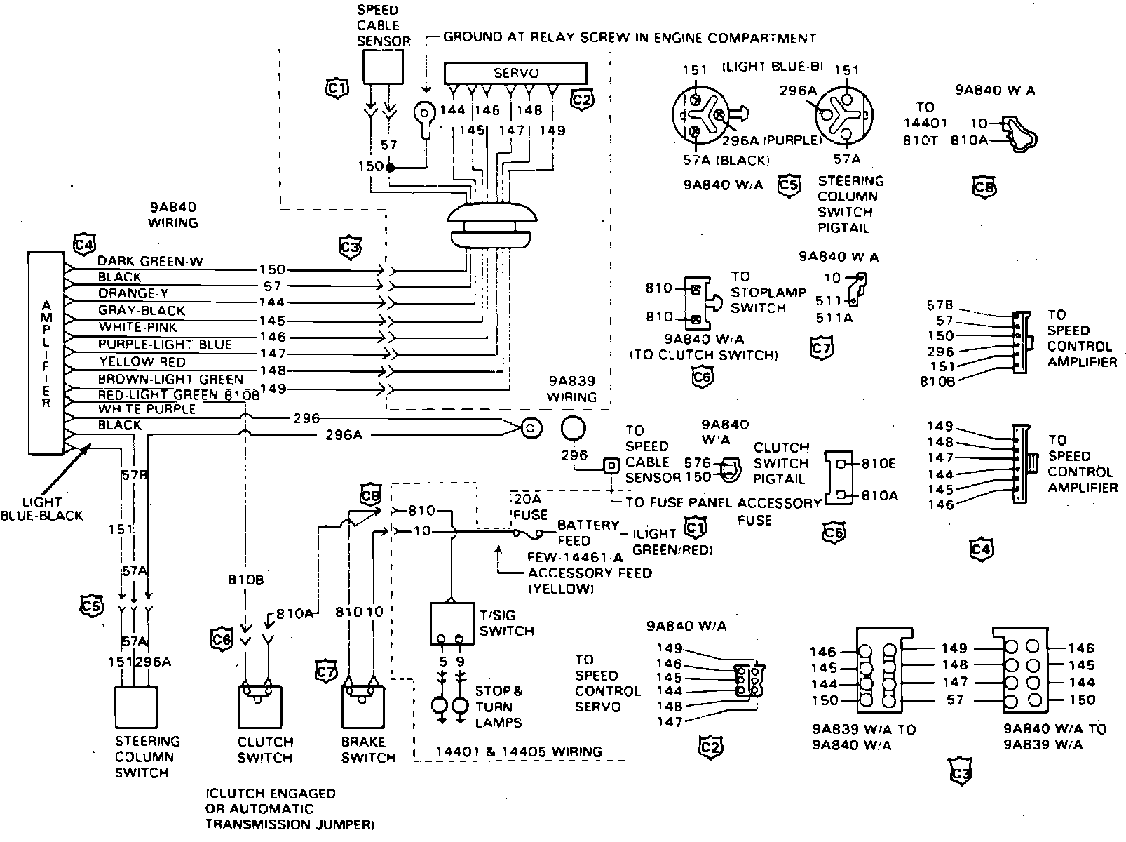
Cruise Control: Diagrams

Fig. 3 Speed control wiring schematic (typical). 1982---83 Escort, Lynx & 1982---83 EXP & LN7:



Fig. 4 Speed control wiring schematic (typical). 1982---85 Ford & Mercury, 1982---83 Continental Mark VI & 1982---87 Lincoln Town Car: