Operation CHARM: Car repair manuals for everyone.
Manuals through 2025 now available!

Our trusted friends have launched a new website named LEMON, which has newer manuals. It also contains all the CHARM manuals.

LEMON is the spiritual successor to CHARM, I recommend you try it!

Link: lemon-manuals.la or lemon-manuals.org.ua

(Some people have issue connecting. LEMON is investigating. For now, use Firefox or change your DNS server)

Or, hide this message: temporarily or permanently

Valve Spring Assembly - Revised Installation Procedure

84ford7

Article No. 84-19-20


VALVE SPRING ASSEMBLY (6.9L DIESEL) - REVISED INSTALLATION PROCEDURE


LIGHT TRUCKS 1983-85 F & E-SERIES

The valve spring assembly installation procedure in the 1984 Light Truck Manual, Section 22-08-35/36, Figure 47 does not show the oil shields installed in the valve spring retainers.

FIGURE 38:




FIGURE 39:




FIGURE 40:




FIGURE 41:




FIGURE 42:




In the attached procedure, Figures 38 and 42 show the installation of the oil shield in each valve spring retainer. Also, Figures 39, 40 and 41 have been added to clarify intake valve stem seal installation procedure.
1. Inspect cylinder head and valve assemblies as described in the 1984 Light Truck Shop Manual. Inspect the valve stem for damage. Rotate the valve and check valve stem tip for eccentric movement during rotation. Move valve up and down through normal travel in valve guide and check stem for binds. If valve has been damaged, it will be necessary to remove cylinder head for services as
described in Shop Manual. Inspect valve retainer locks for excessive wear, and replace in pairs, as necessary. When installing a new valve, always use new retainer locks.
2. If condition of valve proved satisfactory, hold valve in closed position and apply air pressure within cylinder.
3. Lubricate valve stem with recommended quality engine oil.

FIGURE 38:




FIGURE 39:




4. Install valve rotators as shown in Figures 38 & 39.
5. Intake Valves Only: Install valve stem seals (Item 3, Figure 38) as follows:

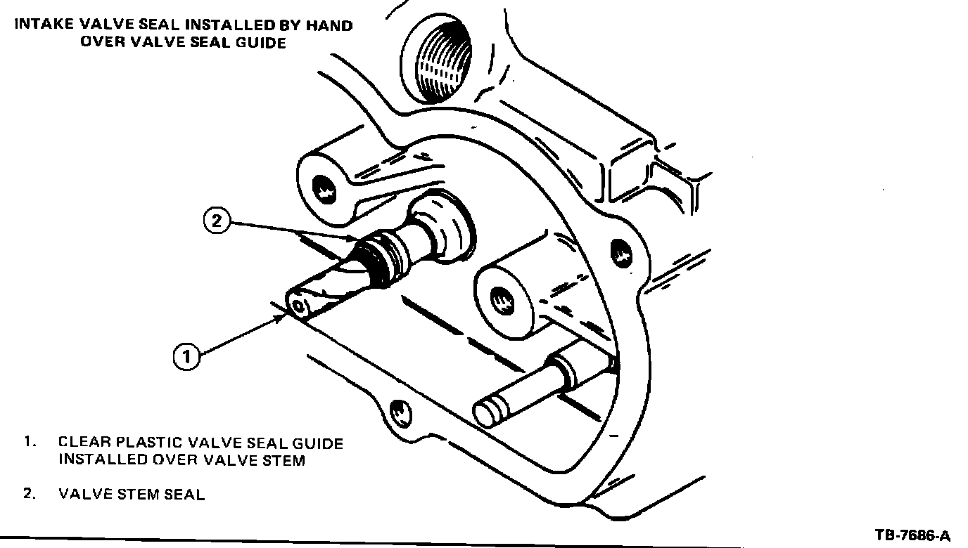
^ Install clear plastic valve seal guide onto valve stem as shown in Figure 39.

FIGURE 40:




^ Install valve stem seal by hand, until it rests on the end of the valve guide (Figure 40).

FIGURE 41:




^ Use seal installing tool T83T-6571-A to align the seal over the end of the valve guide as shown in Figure 41.

IMPORTANT:
Apply only steady hand pressure on tool T83T-6571-A until the seal bottoms squarely on the valve guide.

FIGURE 42:




^ Remove the plastic valve seal guide.

6. Install the new nylon oil shield (Item 5, Figure 38) into the valve spring retainer as shown in Figure 42, forcing it until it snaps into place.

IMPORTANT:
If the nylon oil shield is not properly installed in the valve spring retainer, it will "float" and cause excessive oil consumption.
7. Place spring in position over valve and install valve spring retainer assembly. Compress valve spring and install valve spring retainer locks. Verify that the locks are correctly seated. Remove compressor tool, turn off air and remove air line adapter.
8. Apply Ford Polyethylene Grease D0AZ-19584-A or equivalent to tips of valve stem and pushrods.
9. Install required rocker arm(s) and pushrod(s) following instructions given in Rocker Arm Installation of Shop Manual.
10. Install glow plugs using Tool D83T-6002-A and tighten to specification.
11. Install valve covers per procedure in Section 22-08-35 of 1984 Light Truck Shop Manual.

OTHER APPLICABLE ARTICLES: None
WARRANTY STATUS: "INFORMATION ONLY"